Serwisy partnerskie:
Close icon
Serwisy partnerskie

Praktyczny kurs op-ampów 31. Filtr tętnień

Article Image
Czasami na mierzonym napięciu pojawia się denerwujące tętnienie. Jeśli chcesz usunąć to tętnienie z sygnału, możesz użyć ostatniego układu, który omawiamy w tym kursie op-ampów: filtra tętnień.

Tętnienia w sygnałach z czujników

Jeśli używasz rejestratora do zapisu napięcia wyjściowego jakiegoś czujnika, to z pewnością przekonałeś się, że mogą pojawić się problemy z powodu tętnień sygnału na wyjściu czujnika. Może to mieć miejsce, jeśli czujnik jest podłączony do rejestratora za pomocą długiego kabla. Tętnienia na rejestrowanym napięciu mogą wystąpić na przykład z powodu obecności napięć zakłócających wprowadzanych do tego kabla z sieci 230 V.

Rejestratory zawsze pracują zgodnie z metodą próbkowania. W układzie, pokazanym na rysunku 1, pobierana jest próbka sygnału z czujnika Ua przez niewielki czas ∆t. Za pomocą przetwornika analogowo-cyfrowego wielkość tej próbki jest zamieniana na liczbę, która jest odczytywana przez rejestrator i przechowywana w jego pamięci. Odczytując następnie te próbki lub przekształcając je na wykres, uzyskuje się ładną graficzną prezentację przebiegu mierzonego napięcia z czujnika.

Rysunek 1. Tętnienie zakłóca próbkowanie napięcia wyjściowego z czujnika

Tętnienia zakłócają pomiary

Jeśli jednak na napięciu czujnika występują tętnienia, na mierzonych próbkach może pojawić się rozrzut wartości sięgający nawet dziesiątek miliwoltów. Jest to zjawisko znane jako „jitter amplitudowy”. Próbka 2 jest pobierana w momencie, gdy napięcie wyjściowe czujnika jest bliskie maksimum. Natomiast próbka 3 jest pobierana w momencie, gdy napięcie wyjściowe jest minimalne. Pomiędzy tymi dwoma pomiarami występuje różnica napięć równa wielkości napięcia tętnień. Teraz można próbować sprawić, by tętnienia były jak najmniejsze, zwiększając wartości elementów R i C. Poprawia się wtedy tłumienie sygnału tętnień, ale wzrost lub spadek napięcia na kondensatorze do wartości nowego napięcia czujnika trwa znacznie dłużej. Innymi słowy, układ staje się wolniejszy.

Generowanie napięcia tętniącego

Używając prostego obwodu z op-ampem, można zbudować idealny filtr tętnień, wolny od jakiejkolwiek znaczącej bezwładności. Zanim jednak zaczniesz eksperymentować z tym układem, musisz oczywiście wygenerować napięcie z tętnieniami. To również można zrobić za pomocą op-ampa zgodnie ze schematem na rysunku 2. Jest to nic innego jak wzmacniacz mieszający z inwersją, opisany wcześniej w naszym kursie.

Rysunek 2. Użycie mieszacza do symulacji napięcia stałego z tętnieniami 

Jedno wejście jest podłączone do napięcia stałego o wartości –5 V, drugie do wyjścia generatora funkcyjnego generującego sygnał trójkątny o wartości od szczytu do szczytu 2 V. Układ miesza oba napięcia, tak że na wyjściu otrzymujemy napięcie stałe o wartości +5 V z tętnieniem 2 V. Napięcie wyjściowe układu waha się między +6 V a +4 V, co stanowi bardzo duże tętnienie. Ustaw częstotliwość sygnału trójkątnego na maksymalną wartość!

A teraz filtr tętnień

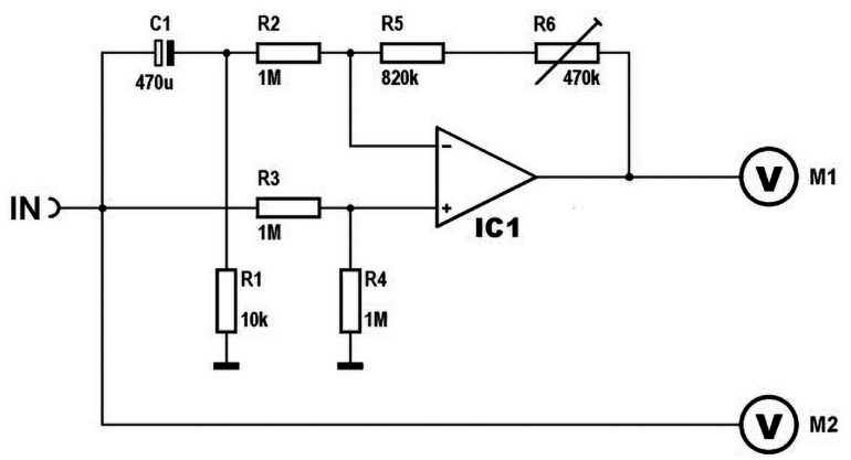
Schemat jest pokazany na rysunku 3. Z pewnością rozpoznasz opisany wcześniej w tym kursie wzmacniacz różnicowy. Cztery jednakowej wielkości rezystory (R3, R4, R2 i R5 + R6), rozmieszczone wokół op-ampa w sposób właściwy dla wzmacniaczy różnicowych. Są jednak dwa punkty różnicy: oba wejścia są wysterowane jednym napięciem, a pomiędzy wejściem a jednym z wejść wzmacniacza różnicowego znajduje się obwód RC. Elementy tego obwodu RC, C1 i R1, muszą być tak obliczone, aby przepuszczać napięcie tętniące bez tłumienia. Drugim wymaganiem jest to, aby wartość R1, w porównaniu z rezystorami wzmacniacza różnicowego, była jak najmniejsza. W narysowanym przykładzie zachowany jest stosunek 1 do 100.

Rysunek 3. Obwód filtra tętnień

Jak działa układ

Jak działa ten układ? To bardzo proste!!! Napięcie wejściowe składa się z dwóch składowych, napięcia stałego o wartości +5 V oraz nałożonego na nie napięcia zmiennego o wartości 2 V. To drugie napięcie pojawia się na obu wejściach wzmacniacza różnicowego. Natomiast napięcie stałe pojawia się tylko na wejściu dodatnim. Napięcie wyjściowe wzmacniacza różnicowego jest równe:

Uout = [U+] – [U–]

Na dodatnim wejściu filtru przeciwzakłóceniowego znajduje się napięcie stałe Udc oraz napięcie tętnień Uac. Na wejściu ujemnym występuje tylko napięcie tętnień Uac. Napięcie wyjściowe układu jest więc równe:

Uout = [Udc + Uac] – Uac
Uout = Udc

Napięcie tętnień zniknęło z napięcia wyjściowego!

Eksperymentuj samodzielnie

Podłącz wyjście generatora napięcia tętniącego do wejścia filtru tętnień. Porównaj napięcia w punkcie testowym M2 (napięcie wejściowe) i w punkcie testowym M1 (napięcie wyjściowe). Obracaj potencjometrem regulacyjnym R6, aż napięcie tętnień zostanie odfiltrowane do wyjścia. Zmieniaj wielkość tętnień i napięcia stałego. Wyjście podąża (z pewną bezwładnością, ze względu na duży kondensator elektrolityczny) za napięciem stałym, ale nie reaguje na tętnienia.

Firma:
Tematyka materiału: Filtr tętnień, Tętnienia w sygnałach z czujników, Generowanie napięcia tętniącego, filtr tętnień
AUTOR
Źródło
Elektronika dla Wszystkich grudzień 2023
Udostępnij
Zobacz wszystkie quizy
Quiz weekendowy
Poziomy logiczne
1/10 Jakie rodziny układów logicznych są najczęściej stosowane współcześnie?
Oceń najnowsze wydanie EdW
Wypełnij ankietę i odbierz prezent
W tym numerze znajdziesz źródłową wersję artykułu publikowanego obok
Elektronika dla Wszystkich
grudzień 2023
Elektronika dla Wszystkich
Przejrzyj i kup
UK Logo
Elektronika dla Wszystkich
Zapisując się na nasz newsletter możesz otrzymać GRATIS
najnowsze e-wydanie magazynu "Elektronika dla Wszystkich"