Serwisy partnerskie:
Close icon
Serwisy partnerskie

Praktyczny kurs op-ampów 16. Detektor zbocza

Article Image
Za pomocą detektora nachylenia można sprawdzić, czy sygnał analogowy jest rosnący lub malejący pod względem wielkości. Innymi słowy, czy sygnał ma dodatnie czy ujemne zbocze. Jednym z zastosowań takiego układu jest analogowy podwajacz częstotliwości.

Zasada działania detektora nachylenia

Co to jest nachylenie sygnału?

Angielskie słowo slope oznacza nachylenie sygnału. W elektronice słowo slope jest używane do opisania, jak sygnał przechodzi z jednej wartości do drugiej. Dzieje się tak dlatego, że sygnał może rosnąć lub spadać. Pierwsze z nich określa się jako nachylenie dodatnie, drugie jako nachylenie ujemne.

Przykład

Poniższy rysunek przedstawia dość losowo zmieniające się napięcie, którego można się spodziewać na przykład na wyjściu prostownika miernika dB hałasu. Przed czasem t1 napięcie jest stałe, jego nachylenie wynosi zero. Między t1 a t2 sygnał wzrasta do maksimum, nachylenie jest dodatnie. Potem sygnał znów spada do pewnego minimum, czyli ma nachylenie ujemne. Tak więc przejście z nachylenia dodatniego do ujemnego zawsze wskazuje, że sygnał osiągnął właśnie wartość maksymalną. Przejście z nachylenia ujemnego do dodatniego mówi, że sygnał właśnie wyszedł z minimum.

Graficzne wyjaśnienie pojęcia nachylenia (© 2017 Jos Verstraten)

Określanie minimalnych i maksymalnych wartości sygnału

Dla niektórych układów jest ważne, aby wiedzieć, gdzie w sygnale występują wartości minimalne i maksymalne. Jeśli opracujesz układ, który informuje Cię o tym, jak przebiega nachylenie sygnału, możesz z tej informacji wywnioskować, kiedy sygnał przechodzi przez minimum lub maksimum.

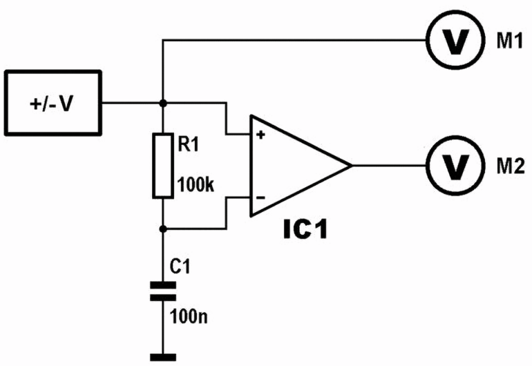
Detektor zbocza z op-ampem

Dysponując tylko jednym op-ampem, można dość łatwo zbudować detektor zbocza. Podstawowy schemat jest narysowany na poniższym rysunku i składa się z układu komparatora omówionego już w temacie „Op-amp jako komparator”, uzupełnionego o jeden rezystor i jeden kondensator. Sygnał wejściowy jest podawany na wejście dodatnie. Rezystor R1 jest włączony pomiędzy tym wejściem a jego odwracającym odpowiednikiem. Wejście ujemne dodatkowo trafia do masy poprzez kondensator C1.

Detektor nachylenia z tylko trzema elementami (© 2017 Jos Verstraten)

Detektor zbocza na płytce eksperymentalnej

Możesz zbudować na płytce stykowej układ według powyższego schematu. Musisz podłączyć wejście dodatnie do regulowanego napięcia stałego, które jest regulowane zarówno w kierunku dodatnim jak i ujemnym. Do tego celu możesz ponownie użyć układu dwóch baterii 9 V z potencjometrem, którego używałeś już kilka razy w tym kursie. Na wyjściu najlepiej podłączyć staromodny, analogowy miernik uniwersalny, na którym najlepiej można obserwować zmiany napięcia wyjściowego.

Eksperyment

Po podłączeniu dwóch napięć zasilających do twojej płytki eksperymentalnej, wyjście układu będzie albo maksymalnie dodatnie, albo maksymalnie ujemne. Przekręcasz potencjometr regulacji kompensacji offsetu, aż napięcie wyjściowe po prostu przerzuci się z plusa na minus. W ten sposób skompensowałeś offset op-ampa i możesz rozpocząć eksperyment.

Powoli obracaj potencjometrem napięcia wejściowego tak, aby napięcie na wejściu dodatnim rosło. Zobaczysz, że układ zareaguje natychmiast: wyjście stanie się dodatnie. Teraz ponownie zmniejsz napięcie. Wyjście reaguje natychmiast i staje się ujemne. Teraz obróć potencjometr w prawo i w lewo w sposób losowy, a zobaczysz, że wyjście natychmiast sygnalizuje każdą zmianę kierunku poprzez zmianę napięcia. Przedstawiliśmy to graficznie na poniższym rysunku.

Krótko mówiąc, w ten bardzo prosty sposób zbudowałeś detektor zbocza! Dodatnie nachylenie daje dodatni sygnał wyjściowy, ujemne nachylenie lub zerowe nachylenie – ujemny sygnał wyjściowy.

Działanie układu przedstawione w sposób graficzny (© 2017 Jos Verstraten)

Jak działa ten układ?

Wejście dodatnie op-ampa jest bezpośrednio podłączone do sygnału wejściowego i podąża za zmianami tego sygnału bez żadnego opóźnienia. Wejście ujemne jest również podłączone do wejścia poprzez rezystor R1, ale kondensator do masy zapewni, że napięcie na wejściu ujemnym będzie zawsze lekko opóźnione w stosunku do napięcia na wejściu dodatnim. Jest to wykreślone na poniższym rysunku. Na górnym wykresie narysowane są napięcia na obu wejściach op-ampa. Napięcie na wejściu dodatnim jako linia ciągła, sygnał na wejściu odwracającym kropkowany. W miarę wzrostu Uin przez R1 będzie płynął prąd, ładując kondensator. Dopóki napięcie wejściowe będzie rosło, przez R1 będzie płynął prąd, a kondensator będzie się ładował do rosnącego napięcia wejściowego. Tak więc między dodatnim a ujemnym wejściem jest zawsze dodatnia różnica napięcia. Op-amp jest przełączany jako komparator i wiesz z poprzedniego artykułu, że op-amp reaguje na tę niewielką różnicę napięć dając na wyjściu dodatnie napięcie zasilania.

Graficzne przedstawienie różnicy napięć na dwóch wejściach op-ampa (© 2017 Jos Verstraten)

Kiedy napięcie wejściowe zaczyna spadać, nadchodzi moment, w którym napięcia na obu wejściach są sobie równe. Następuje wtedy przerzucenie komparatora. Następnie kondensator zacznie się rozładowywać, ale nawet teraz będzie istniała niewielka różnica napięć między oboma wejściami, choć o odwrotnej polaryzacji. Wejście ujemne jest nieco bardziej dodatnie niż wejście nieodwracające, wyjście komparatora pozostaje ujemne.

Ograniczenia układu

Oczywiste będzie, że opóźnienie między wejściem dodatnim a ujemnym zależy od wielkości R1 i C1. Im większe są oba elementy, tym wolniej wejście ujemne podąża za zmianami napięcia na wejściu. Ten prosty fakt od razu wskazuje na ograniczenie tego układu. Wybrane wartości 100 kΩ i 100 nF są idealne do śledzenia powolnych zmian napięcia, które wykonujesz obracając potencjometr, ale nie byłyby odpowiednie, gdybyś chciał użyć układu do bardzo szybkich zmian napięcia. Tak więc układ jest selektywny częstotliwościowo, dla każdego pasma częstotliwości musisz nadać R1 i C1 różne wartości.

Zastosowanie detektora nachylenia

Analogowy podwajacz częstotliwości

Praktyczne zastosowanie detektora zboczy jest narysowane na poniższym rysunku. Załóżmy, że chcesz podwoić częstotliwość f pewnego sygnału sinusoidalnego Vin. Rozwiązanie jest proste. Podłączasz sygnał wejściowy do wejścia detektora zbocza (wartości R1 i C1 dostosowane do częstotliwości sygnału wejściowego) i jednocześnie do wejścia „zwykłego” komparatora. Z wykresów na rysunku możesz odczytać napięcia wyjściowe A i B obu obwodów. Dwie fale prostokątne, z których jedna jest przesunięta o ćwierć okresu.

W kształtowniku impulsów generowane są impulsy igłowe przy każdym przejściu z + do – (i odwrotnie) obu fal prostokątnych. Za pomocą tych impulsów sterujesz przerzutnikiem bistabilnym. Na wyjściu tego układu pojawia się fala prostokątna o częstotliwości dwukrotnie większej od częstotliwości sygnału wejściowego. Z tego przebiegu prostokątnego, poprzez odpowiednią filtrację (dolnoprzepustową), możesz wyprowadzić kolejną sinusoidę, której częstotliwość jest dwukrotnie większa od częstotliwości sygnału wejściowego.

Nie jest to jedyny sposób na podwojenie częstotliwości sygnału sinusoidalnego, ale bardzo prosty!

Firma:
Tematyka materiału: Detektor zbocza
AUTOR
Źródło
Elektronika dla Wszystkich lipiec 2023
Udostępnij
Zobacz wszystkie quizy
Quiz weekendowy
Poziomy logiczne
1/10 Jakie rodziny układów logicznych są najczęściej stosowane współcześnie?
Oceń najnowsze wydanie EdW
Wypełnij ankietę i odbierz prezent
W tym numerze znajdziesz źródłową wersję artykułu publikowanego obok
Elektronika dla Wszystkich
lipiec 2023
Elektronika dla Wszystkich
Przejrzyj i kup
UK Logo
Elektronika dla Wszystkich
Zapisując się na nasz newsletter możesz otrzymać GRATIS
najnowsze e-wydanie magazynu "Elektronika dla Wszystkich"