Serwisy partnerskie:
Close icon
Serwisy partnerskie

Praktyczny kurs op-ampów 19. Dokładny prostownik

Article Image
Jeśli chcesz jak najlepiej wyprostować napięcie zmienne, układ omówiony w tym odcinku kursu jest idealny. To prawda, będziesz potrzebował dwóch op-ampów i kilku rezystorów 1%, ale układ działa z niespotykaną dokładnością i ma szerokie pasmo przenoszenia.

Zasada działania prostownika precyzyjnego

Wady poprzedniego układu 

Prostownik dwupołówkowy z poprzedniego odcinka kursu ma wadę, która jest dokuczliwa w obwodach praktycznych. Op-amp pracuje w pętli otwartej przez pół okresu sygnału wejściowego. Napięcie na wyjściu jest wtedy bliskie napięciu zasilania. Po przejściu napięcia wejściowego przez zero op-amp natychmiast zaczyna podążać za sygnałem wejściowym. To „natychmiast” to właśnie miejsce, w którym leży trudność. Nic w elektronice nie dzieje się bezzwłocznie, w tym także przełączanie wyjścia op-ampa z potężnego –10 V na +0,5 V. Trwa to pewien czas, określony właściwościami zastosowanego op-ampa. Dla niskich częstotliwości sygnału wejściowego nie stanowi to problemu. Przełączanie zajmuje wtedy znikomy przedział czasu, zaledwie kilka procent całkowitego czasu trwania okresu. Wraz ze wzrostem częstotliwości sygnału wejściowego rośnie procentowy udział czasu przełączania z pętli otwartej na zamkniętą w całkowitym czasie trwania jednego okresu i nie jest już pomijalny. Prostownik nie będzie już pracował prawidłowo. Stąd poszukiwania układu, w którym op-amp nigdy nie pracuje w pętli otwartej i który ponadto można obciążyć bez wpływu na dokładność.

Schemat ideowy dokładnego prostownika (© 2017 Jos Verstraten)

Dokładna alternatywa 

Prostownik pełnookresowy omówiony w tym odcinku wykorzystuje dwa op-ampy i jest bardzo dokładnym przetwornikiem napięcia AC na napięcie DC. Tak dokładny, że można go również wykorzystać jako prostownik cyfrowych mierników uniwersalnych, które mierzą napięcie z dokładnością do kilku dziesiątych procenta i w szerokim zakresie częstotliwości.

Schemat układu

Schemat układu jest przedstawiony na poniższym rysunku. Wokół op-ampa IC1 częściowo rozpoznasz poprzedni układ. R1, R3 i D1 tworzą omówiony już układ, który przetwarza dodatnie półokresy na ujemne sygnały wyjściowe. Pracy op-ampa w otwartej pętli unika się przez dodanie dodatkowego obwodu sprzężenia zwrotnego R4–D2. Jeśli napięcie wejściowe stanie się ujemne, to choć D1 nie przewodzi, to D2 będzie przewodzić, nadal tworząc pętlę sprzężenia zwrotnego między wyjściem a wejściem op-ampa. 

Drugi op-amp IC 2 to nic innego jak omówiony wcześniej mieszacz odwracający. Sumuje on sygnały w punktach M1 i M3. Stosunek rezystancji R5, połączonych równolegle R6 i R7 oraz R9 zapewnia ładny wyprostowany sygnał na wyjściu.

Działanie układu

Na rysunku poniżej pokazano napięcia w różnych punktach układu, gdy na wejście przyłożymy napięcie trójkątne. Widać teraz, że IC1 rzeczywiście pracuje w warunkach komfortowych. Nagły duży skok napięcia na jedno z napięć zasilających teraz już nie występuje. Jest to zasługa podwójnego sprzężenia zwrotnego i, jak już napisano, przyczynia się do lepszej pracy układu przy wysokich częstotliwościach.

Sygnały w głównych punktach układu (© 2017 Jos Verstraten)

Działanie układu 

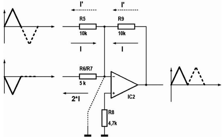
Szczegółowe działanie układu najlepiej prześledzić na poniższym rysunku.

Szczegółowe działanie układu w konfiguracji drugiego op-ampa (© 2017 Jos Verstraten)

Wystarczy przypomnieć trochę poprzedniej wiedzy:

  • Prąd płynie zawsze od + do –, z kierunku przepływu prądu przez rezystor można określić biegunowość spadku napięcia przez ten rezystor.
  • W odwracającym wzmacniaczu mieszającym odwracające wejście op-ampa znajduje się praktycznie na potencjale masy, napięcie w tym punkcie wynosi zero.
  • Rezystancja wejściowa dla wejścia odwracającego jest bardzo duża, prąd płynący do lub z op-ampa jest pomijalnie mały.
  • Rezystory pomiędzy dwoma wejściami i wejściem odwracającym oraz rezystor sprzężenia zwrotnego są w stosunku jak 1 do 0,5 do 1 (stąd rezystory R6 i R7 połączone równolegle).

Sytuacja 1: dodatnie napięcie na wejściu

(Prądy i napięcia są narysowane ciągłą linią na powyższym rysunku).

To napięcie, dzięki działaniu układu IC1, pojawia się równie duże, ale ujemne w punkcie M3. Przez rezystor R5 płynie pewien prąd I w narysowanym kierunku, czyli w stronę op-ampa. Przez rezystor R6/R7 płynie w przeciwnym kierunku dwukrotnie większy prąd. Na styku wszystkich rezystorów (wejście odwracające) wpływa prąd I, a wychodzi prąd 2 I.

Brakuje zatem prądu wpływającego I, który może być dostarczony tylko przez rezystor sprzężenia zwrotnego R9. Przez R9 płynie prąd w narysowanym kierunku, co oznacza, że na wyjściu op-ampa panuje dodatnie napięcie. Ponieważ R9 i R5 są tej samej wielkości, spadki napięć na obu rezystorach również muszą być równe. Na R5 jest podawane napięcie wejściowe, więc to samo napięcie mierzysz również na R9. Na wejściu odwracającym jest zero woltów, możesz stwierdzić, że napięcie wyjściowe jest równe napięciu wejściowemu. Dodatnie napięcie na wejściu jest zamieniane na dokładnie takie samo napięcie na wyjściu.

Sytuacja 2: ujemne napięcie na wejściu

(Prądy i napięcia są narysowane linią przerywaną na powyższym rysunku).

W punkcie M3 nie ma teraz żadnego napięcia, ponieważ dioda D1 nie przewodzi i wejście odwracające układu IC1 ma zerowe napięcie. Zatem przez rezystor R6/R7 nie płynie teraz żaden prąd. Przez R5 płynie prąd, którego „przedłużeniem” jest prąd płynący przez R9, który wytwarza spadek napięcia na tym rezystorze, dokładnie równy napięciu na dodatnim wejściu.

Ujemne napięcie na wejściu jest zamieniane na równie duże, ale dodatnie napięcie na wyjściu, co wyjaśnia działanie idealnego prostownika.

Wszystko zależy od rezystorów 

Dokładność działania układu zależy od dokładnych stosunków rezystancji.

R1 = R3 = R5 = R9 

oraz 

R6/R7 = ½ R1 

Zastosowanie rezystorów o wartości 1% jest absolutnie konieczne!

Firma:
Tematyka materiału: Dokładny prostownik
AUTOR
Źródło
Elektronika dla Wszystkich sierpień 2023
Udostępnij
Zobacz wszystkie quizy
Quiz weekendowy
Poziomy logiczne
1/10 Jakie rodziny układów logicznych są najczęściej stosowane współcześnie?
Oceń najnowsze wydanie EdW
Wypełnij ankietę i odbierz prezent
W tym numerze znajdziesz źródłową wersję artykułu publikowanego obok
Elektronika dla Wszystkich
sierpień 2023
Elektronika dla Wszystkich
Przejrzyj i kup
UK Logo
Elektronika dla Wszystkich
Zapisując się na nasz newsletter możesz otrzymać GRATIS
najnowsze e-wydanie magazynu "Elektronika dla Wszystkich"