Serwisy partnerskie:
Close icon
Serwisy partnerskie

Praktyczny kurs op-ampów 20. Detektor szczytowy

Article Image
Jeśli chcesz zmierzyć wielkość piku w sygnale napięcia zmiennego, możesz użyć detektora szczytowego. Układy takie są szeroko stosowane w miernikach VU w studiach dźwiękowych, gdzie zapewniają, że żaden instrument nie zostanie nagrany ze zniekształceniami typu overdrive.

Zasada działania detektora szczytowego

Prostowniki wygładzające z kondensatorem

Prostowniki opisane w dwóch poprzednich odcinkach przetwarzają napięcie zmienne na pulsujące napięcie stałe. Takie napięcie niekoniecznie nadaje się do dalszego użycia. W końcu często będziesz chciał zmierzyć wielkość napięcia przemiennego i wtedy potrzebujesz napięcia, które jest jak najbardziej gładkie. Możesz to osiągnąć, umieszczając kondensator na wyjściu prostownika. Kondensator ten ładuje się do wartości szczytowej przy każdym półokresie napięcia wejściowego i powoli rozładowuje się ponownie pomiędzy dwoma półokresami. Rezultatem jest wygładzony sygnał, aczkolwiek ze znacznym tętnieniem. Można dodatkowo zmniejszyć to tętnienie, wygładzając sygnał wyjściowy prostownika za pomocą obwodu RC. Wówczas na kondensatorze powstaje napięcie stałe, którego wielkość odpowiada średniej wartości napięcia przemiennego. Jak pokazuje poniższy rysunek, obwód ten dość szybko reaguje na zmiany na wejściu. Jeśli sygnał AC spadnie, napięcie stałe na wyjściu dość szybko zejdzie do zera ze względu na rozładowanie kondensatora C1 przez rezystor R1 i bardzo niską impedancję wyjściową op-ampa. Ta szybka reakcja jest również potrzebna w tym przypadku, bo oczywiście nie chcesz czekać pół godziny na wyniki pomiaru napięcia AC.

Obwód RC przekształca wyprostowane napięcie AC w mierzalne napięcie napięcie stałe DC (© 2017 Jos Verstraten)

Detektor szczytowy

Można też pomyśleć o zastosowaniach, w których chcemy jak najdłużej utrzymać napięcie na kondensatorze. Na przykład rozważ miernik VU, który nie musi wyświetlać średniej wartości sygnału, ale szczytowe wartości sygnału. W takim przypadku możesz uciec się do tzw. detektora szczytowego, którego najprostszy schemat pokazano na poniższym rysunku. Układ ten poprzez przewodzącą diodę D1 sprzęga dodatni sygnał wyjściowy z powrotem do wejścia odwracającego i wyłącza op-amp dla ujemnych napięć wyjściowych. Układ jest już nam znany z działania idealnej diody.

Podstawowy schemat detektora szczytowego (© 2017 Jos Verstraten)

Działanie obwodu

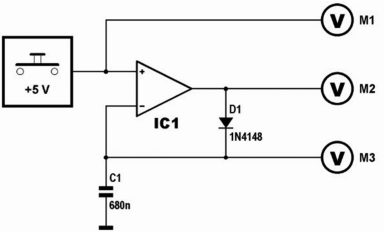
Z wykresów na poniższym rysunku można zrozumieć działanie obwodu. Jeśli brak napięcia na wejściu, innymi słowy, jeśli na wejściu będzie zero woltów, napięcie wyjściowe op-ampa nie będzie dokładnie przewidywalne. Wyjście może być na poziomie ujemnego zasilania lub może być mierzalne niewielkie napięcie dodatnie. To wszystko zależy od offsetu op-ampa. Stąd na wykresach ten obszar jest zacieniony. Tak czy inaczej, na wejściu układu, rozgałęziającym się od wejścia odwracającego jest zero watów. Przy nasyceniu wyjścia op-ampa na poziomie ujemnego napięcia zasilania, dioda D1 nie przewodzi; przy dodatnim napięciu wyjściowym, napięcie przewodzenia diody spowoduje, że wejście odwracające będzie miało taki sam potencjał jak wejście nieodwracające: zero woltów.

Na wejściu podajemy impulsowe napięcie +5 V. Przy pojawieniu się tego dodatniego impulsu wejściowego powstaje początkowo duża różnica napięć między oboma wejściami. Wyjście reaguje wzrostem w kierunku dodatniego napięcia zasilania. Dioda D1 zaczyna przewodzić, kondensator C1 jest ładowany poprzez niską impedancję wyjściową op-ampa. Napięcie wyjściowe op-ampa wzrasta więc dość szybko do wartości szczytowej impulsu wejściowego. W czasie t2 napięcie na wyjściu jest równe napięciu wejściowemu. Komparator odwraca się. Tak długo, jak długo będzie obecny impuls wejściowy, wyjście op-ampa będzie zawsze przełączać się pomiędzy dodatnim i ujemnym napięciem zasilania. Dzieje się tak dlatego, że kondensator jest rozładowywany, a ponadto każde małe tętnienie napięcia wejściowego powoduje odwrócenie różnicy napięć między dwoma wejściami.

Po opadnięciu impulsu wejściowego napięcie na wejściu odwracającym jest większe od napięcia na wejściu nieodwracającym. Wyjście nasyca się na poziomie ujemnego napięcia zasilania, dioda D1 nie przewodzi. Kondensator C1 zaczyna się teraz bardzo powoli rozładowywać poprzez własną rezystancję upływu tego elementu i wysoką impedancję wejściową op-ampa. Nawet przy stosunkowo niskiej wartości C1, potrzeba kilkudziesięciu sekund, aby napięcie spadło do zera. Tak więc z tym prostym układem można zbudować bardzo czuły miernik VU.

Napięcia w kluczowych punktach obwodu (© 2017 Jos Verstraten)

Zastosowania detektorów szczytowych

Miernik LED VU 

W elektronice muzycznej ważne jest, aby wiedzieć, jak duże są szczyty w sygnale audio. Możesz podłączyć miernik LED do wyjścia detektora szczytowego, patrz rysunek poniżej. Te elektroniczne mierniki, ze względu na ich bezwładną odpowiedź na napięcie wejściowe, są oczywiście idealne do budowy mierników VU. Na wejście układu możesz podać napięcie LF, na przykład napięcie wyjściowe instrumentu muzycznego. Detektor szczytowy będzie podążał za progresją (dodatniego) napięcia wejściowego i powoli ustępował po osiągnięciu szczytu. Krótki szczyt napięcia, który bez detektora szczytowego nie byłby nawet widoczny na odczycie, jest teraz niejako poszerzony, dzięki czemu uzyskujesz przyjemny odczyt maksymalnego sygnału wyjściowego instrumentu muzycznego i możesz dostosować swoją instalację (np. konsoletę mikserską) do niezniekształconego zapisu największego szczytu.

Działanie miernika VU na detektorze szczytowym (© 2017 Jos Verstraten)

Wada układu

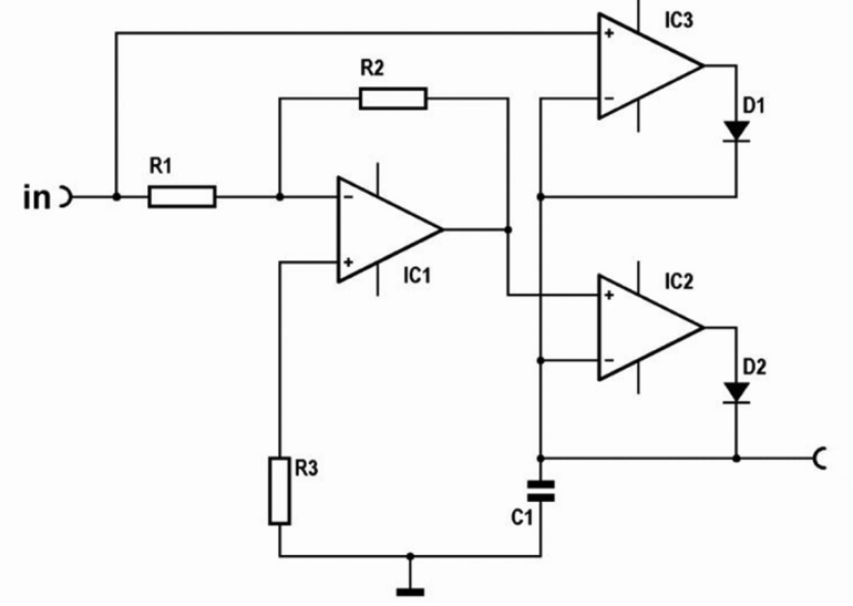
Omówiony układ ma jedną zasadniczą wadę, a jest nią to, że reaguje tylko na dodatnie piki. Stąd prawdziwe mierniki szczytowe wyposażone są w dwa detektory szczytowe, które przetwarzają zarówno dodatnie jak i ujemne szczyty napięcia. Najprostszy schemat takiego rozbudowanego układu jest przedstawiony na poniższym rysunku. Op-ampy IC2 i IC3 są dwoma detektorami szczytowymi. Potrzebny jest tylko jeden kondensator C1; detektor, który ma do obsłużenia największe napięcie wejściowe, będzie ładował ten kondensator. IC1 to nic innego jak wzmacniacz odwracający ×1. Odwraca on sygnał wejściowy. Dodatni pik pojawia się więc na wyjściu równie duży, ale o ujemnej polaryzacji. IC2 otrzymuje bezpośrednio sygnał wejściowy układu i przetwarza piki dodatnie. Ujemne szczyty są odwracane przez IC1 i sterują drugim detektorem szczytowym na IC3.

Układ, który reaguje zarówno na dodatnie jak i ujemne szczyty (© 2017 Jos Verstraten)
Firma:
Tematyka materiału: Detektor szczytowy
AUTOR
Źródło
Elektronika dla Wszystkich sierpień 2023
Udostępnij
Zobacz wszystkie quizy
Quiz weekendowy
Poziomy logiczne
1/10 Jakie rodziny układów logicznych są najczęściej stosowane współcześnie?
Oceń najnowsze wydanie EdW
Wypełnij ankietę i odbierz prezent
W tym numerze znajdziesz źródłową wersję artykułu publikowanego obok
Elektronika dla Wszystkich
sierpień 2023
Elektronika dla Wszystkich
Przejrzyj i kup
UK Logo
Elektronika dla Wszystkich
Zapisując się na nasz newsletter możesz otrzymać GRATIS
najnowsze e-wydanie magazynu "Elektronika dla Wszystkich"