Serwisy partnerskie:
Close icon
Serwisy partnerskie

Praktyczny kurs op-ampów 26. Opóźnienie

Article Image
Opóźnienia są często stosowane w elektronice cyfrowej. Alarm przeciwwłamaniowy ma przycisk aktywacji. Jeśli go naciśniesz, masz jeszcze dwadzieścia sekund na opuszczenie budynku, zanim włączy się alarm. To opóźnienie jest zapewnione przez układ opóźniający, który możesz zaprojektować na wzmacniaczu operacyjnym.

Zasada działania opóźnienia

Najprostsze opóźnienie

Istnieje kilka rodzajów układów opóźniających. Najprostszy z nich ilustruje poniższy rysunek. W tym opóźnieniu tylko zbocze narastające impulsu jest opóźnione o czas ∆t. Symbol ∆, grecka litera delta, jest powszechnie stosowany w inżynierii do oznaczenia małego odstępu czasu. W stanie spoczynku wejście i wyjście znajdują się na potencjale masy. Dodatni impuls na wejściu w chwili t1 pojawia się na wyjściu z opóźnieniem w chwili t2. Jeśli jednak w chwili t3 impuls wejściowy zaniknie, to impuls wyjściowy również ustanie.

Istnieją układy opóźniające, które pozwalają opóźnić nie tylko zbocze narastające, ale także zbocze opadające impulsu (szerokość impulsu pozostaje wtedy stała), a nawet istnieją układy pozwalające na przesunięcie w czasie krótkiego impulsu. Innymi słowy, impuls wejściowy znika zanim opóźnienie wygeneruje impuls wyjściowy.

Podążając za klasyczną metodą cyfrową, tego typu układy buduje się przy użyciu scalonych multiwibratorów monostabilnych, takich jak 74121 dla TTL lub 4047 dla CMOS. Jeśli nie masz zbyt dużych wymagań co do szybkości przełączania (tj. pracujesz w środowisku o niskiej częstotliwości), możesz zbudować takie opóźnienia równie łatwo za pomocą op-ampów.

Działanie opóźnienia: zbocze narastające impulsu jest opóźnione o czas ∆t

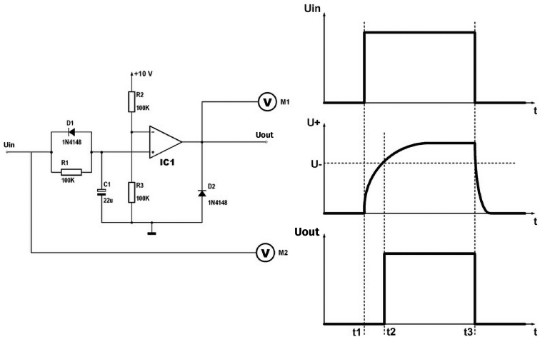
Opóźnienie z op-ampem

Schemat prezentuje przykład obwodu, który opóźnia zbocze narastające dodatniego impulsu o regulowany czas. Wykresy po prawej stronie ilustrują szczegóły działania. Op-amp jest w rzeczywistości przełączany jako komparator. Napięcie progowe jest ustawione na połowę dodatniego napięcia zasilania za pomocą dzielnika napięcia R2-R3.

Jeśli napięcie wejściowe jest zerowe, to ujemne wejście układu scalonego ma potencjał bardziej dodatni niż wejście nieodwracające. Wyjście w tej sytuacji dąży do ujemnego napięcia zasilania. Jednak dioda D2 zapewnia, że wyjście op-ampa nie może zejść poniżej poziomu –0,6 V. W elektronice cyfrowej pracuje się ze standardowymi poziomami, a tutaj zwyczajowo przyjmuje się, że „0” (L) odpowiada wartości zero woltów.

Uwaga! Nie każdy typ op-ampa pozwala na zwarcie jego wyjścia do masy za pomocą diody. W przypadku 741 jest to możliwe, można zwierać bez ograniczeń.

Opóźnienie analogowe złożone z integratora RC i komparatora

Działanie układu

Załóżmy, że na wejście w chwili t1 podajemy impuls dodatni. Przez R1 płynie prąd, który zaczyna ładować kondensator C1. Napięcie na wejściu dodatnim wzrasta. W chwili t2 napięcie na tym wejściu staje się równe napięciu progowemu na wejściu odwracającym. Wyjście op-ampa zmienia stan, staje się dodatnie. Opóźnienie czasowe ∆t jest określone przez parametry obwodu RC włączonego pomiędzy wejściem układu a nieodwracającym wejściem op-ampa.

W chwili t3 impuls wejściowy zanika. Naładowany kondensator rozładowuje się teraz przez przewodzącą diodę D1. Napięcie na +IN staje się mniejsze od progu na –IN, komparator zmienia stan – wyjście przechodzi do zera.

Generowanie impulsu wejściowego

Do eksperymentów z układem musimy wygenerować krótki, dodatni impuls. Oczywiście już wiesz jak to zrobić – potrzebujesz baterii 9 V, przycisku i rezystora 1 kΩ. Elementy łączysz jak na rysunku powyżej. Po naciśnięciu przycisku, generowany jest ładny impuls o napięciu 10 V, a po zwolnieniu przycisku, poprzez rezystor ustalany jest stan 0 V na wyjściu. 

Firma:
AUTOR
Źródło
Elektronika dla Wszystkich październik 2023
Udostępnij
Zobacz wszystkie quizy
Quiz weekendowy
Poziomy logiczne
1/10 Jakie rodziny układów logicznych są najczęściej stosowane współcześnie?
Oceń najnowsze wydanie EdW
Wypełnij ankietę i odbierz prezent
W tym numerze znajdziesz źródłową wersję artykułu publikowanego obok
Elektronika dla Wszystkich
październik 2023
Elektronika dla Wszystkich
Przejrzyj i kup
UK Logo
Elektronika dla Wszystkich
Zapisując się na nasz newsletter możesz otrzymać GRATIS
najnowsze e-wydanie magazynu "Elektronika dla Wszystkich"