Serwisy partnerskie:
Close icon
Serwisy partnerskie

Praktyczny kurs op-ampów 28. Bramki logiczne

Article Image
Bramki logiczne są podstawowymi cegiełkami techniki cyfrowej. Kto nigdy nie pracował z bramką NAND lub OR? Istnieją cztery podstawowe bramki: AND, NAND, OR i NOT. Możesz łatwo zbudować te cztery czysto cyfrowe układy również z zastosowaniem op-ampa.

Informacje ogólne

Cztery różne bramki 

Mówimy o najprostszej realizacji bramek, czyli o obwodach z dwoma wejściami. Tabela prawdy z rysunku 1 pokazuje związek między dwiema wielkościami wejściowymi a wyjściem każdej bramki. Obie wielkości wejściowe mogą być albo „L” albo „H”, a więc istnieją cztery kombinacje: „L–L”, „L–H”, „H–L” i „H–H”. Tabela prawdy pokazuje reakcję wyjścia dla każdego z tych czterech stanów.

Rysunek 1. Tablica prawdy dla czterech typów bramek

Jeden podstawowy schemat z jednym op-ampem

Wszystkie cztery bramki można zrealizować z op-ampami. I to za pomocą jednego podstawowego układu! Jeśli więc w jakimś układzie trzeba stosować zamiennie różne rodzaje bramek, to użycie op-ampów może być korzystne. Co prawda można też użyć NAND-ów lub NOR-ów do zbudowania wszystkich podstawowych bramek, ale to wymaga zwykle dużej liczby bramek. Oczywiście przy stosowaniu op-ampów obowiązuje znane ograniczenie: nie nadają się do stosowania w układach pracujących z częstotliwościami większymi niż kilka kHz. Często np. w układzie sygnalizacji włamania można znaleźć kawałek logiki zbudowanej z wielu bramek. W takim powolnym układzie można bez problemu zastosować op-ampy, jeśli jest to korzystne.

Zasada działania układu

Podstawowy schemat bramki op-ampowej składa się z dzielnika napięcia i komparatora. Na rysunku 2 pokazano dzielnik napięcia R1–R2. Do dwóch wejść A i B podłączone są dwa sygnały wejściowe. Węzeł obu rezystorów (C) trafia na wejście op-ampa przełączanego jako komparator. Drugie wejście komparatora jest podłączone do napięcia odniesienia.

Rysunek 2. Zasada działania op-ampa jako bramki cyfrowej 

Jak to wszystko działa? Napięcie, które mierzysz w punkcie C mówi Ci coś o binarnej kombinacji „H” i „L” na dwóch wejściach. Będzie oczywiste, że C jest „L”, jeśli A i B są „L”. Dzieje się tak dlatego, że poziom „L” odpowiada 0 V, a 0 V na A i B daje 0 V na styku obu rezystorów.

Jeśli któreś z wejść jest „H”, w punkcie C pojawia się napięcie +5 V. Dzieje się tak dlatego, że powstaje wtedy dzielnik napięcia między 0 V a +10 V, a ponieważ oba rezystory są tej samej wielkości, między nimi jest połowa napięcia. Jeśli na obu wejściach jest „H”, to oczywiście jest na nich +10 V. Tak więc w punkcie C jest 0 V, +5 V lub +10 V, w zależności od kombinacji logicznej na obu wejściach. Komparator pozwala zamienić tę informację na jednoznaczne „L” lub „H” na wyjściu, w zależności od pożądanego układu bramki. 

Dioda na wyjściu komparatora zapewnia, że napięcie na wyjściu nie może spaść poniżej –0,6 V.

W ten bardzo prosty sposób można zbudować cztery podstawowe bramki za pomocą jednego op-ampa.

Cztery bramki z op-ampem

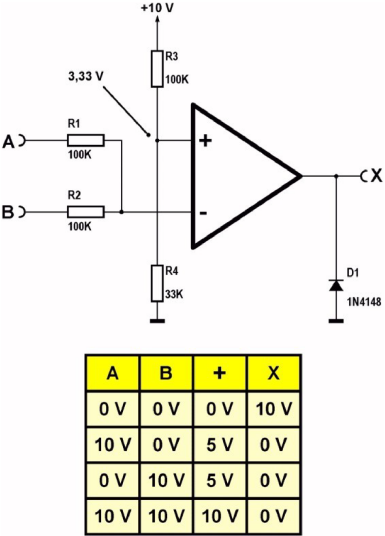
Bramka AND

Schemat bramki AND jest pokazany na rysunku 3. Dwa wejścia trafiają na wejście dodatnie op-ampa przez rezystory dzielnika napięcia, wejście ujemne jest podłączone do napięcia progowego +6,66 V przez dzielnik napięcia R3–R4. Działanie układu jest jednoznaczne. Jeśli oba wejścia są „L”, to na wejściu dodatnim jest napięcie 0 V. Napięcie na wejściu ujemnym jest większe, na wyjściu komparatora jest –0,6 V, czyli logiczne „L”. Jeśli jedno z wejść jest „H”, to na wejściu dodatnim jest ustawione napięcie +5 V, co nie zmienia sytuacji. Dopiero jeśli oba wejścia są „H”, to napięcie na wejściu dodatnim staje się większe od napięcia na wejściu ujemnym i komparator odwraca się. Na wyjściu pojawia się +10 V, czyli logiczne „H”.

Układ spełnia więc tabelę prawdy bramki AND.

Rysunek 3. Schemat układu AND z op-ampem 

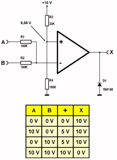
Bramka NAND 

Schemat układu NAND jest przedstawiony na rysunku 4. Jedyna różnica polega na tym, że oba wejścia są odwrócone. Wejście dodatnie komparatora znajduje się na progu +6,66 V. Dopóki oba wejścia są „H”, napięcie na wejściu ujemnym jest mniejsze od progu, wyjście jest „H”. Dopiero gdy oba wejścia staną się „H”, komparator odwraca się. Tabela prawdy odnosi się więc do funkcji NAND.

Rysunek 4. Schemat układu NAND z op-ampem

Bramka OR

Bramka OR, której schemat narysowano na rysunku 5, jest równie prosta. Oba wejścia trafiają na wejście dodatnie, ujemne jest ustawione na próg +3,33 V. Teraz wystarczy, że na którymś z wejść pojawi się „H”, aby komparator się odwrócił. Bardzo wyraźnie pokazuje to działanie funkcji OR.

Rysunek 5. Schemat układu OR z op-ampem 

Bramka NOR

Nie powinno dziwić, że jedyną różnicą między OR a NOR z rysunku 6 jest naprzemienność obu wejść. Dopiero gdy oba wejścia są na poziomie „L”, wejście ujemne ma niższe napięcie niż wejście dodatnie. Wyjście jest wtedy „H” i dąży do poziomu „L”, gdy jedno lub oba wejścia staną się „H”. Typowe zachowanie NOR!

Rysunek 6. Schemat układu NOR z op-ampem

Podsumowanie

Z czterema rezystorami i jednym op-ampem masz podstawowy układ, z którym możesz zrealizować wszystkie podstawowe funkcje bramki. Jeśli więc dodasz przełącznik 3×4-pozycyjny, przełączający wejścia i przełączający napięcie odniesienia z +3,33 V na +6,66 V, masz bardzo prosty demonstrator logiczny, z którym możesz wypróbować wszystkie funkcje bramki. Po prostu naśladuj to z bramkami TTL lub CMOS! 

Firma:
Tematyka materiału: bramki logiczne, AND, NAND, OR, NOR, Cztery bramki z op-ampem
AUTOR
Źródło
Elektronika dla Wszystkich listopad 2023
Udostępnij
Zobacz wszystkie quizy
Quiz weekendowy
Poziomy logiczne
1/10 Jakie rodziny układów logicznych są najczęściej stosowane współcześnie?
Oceń najnowsze wydanie EdW
Wypełnij ankietę i odbierz prezent
W tym numerze znajdziesz źródłową wersję artykułu publikowanego obok
Elektronika dla Wszystkich
listopad 2023
Elektronika dla Wszystkich
Przejrzyj i kup
UK Logo
Elektronika dla Wszystkich
Zapisując się na nasz newsletter możesz otrzymać GRATIS
najnowsze e-wydanie magazynu "Elektronika dla Wszystkich"