Serwisy partnerskie:
Close icon
Serwisy partnerskie

Praktyczny kurs op-ampów 15. Dyskryminator okienkowy

Article Image
Dyskryminator okienkowy pozwala na porównanie napięcia z dwoma napięciami progowymi. Jeśli napięcie jest wewnątrz progów, układ zapewnia niskie wyjście. Jeśli napięcie jest poza progami, układ zapewnia wysokie wyjście.

Czym jest dyskryminator okienkowy?

Podwójny komparator

Za pomocą układu omówionego w temacie „Op-amp jako komparator” można porównać napięcie z pewną wartością odniesienia i wygenerować sygnał alarmowy, jeśli napięcie przekroczy próg odniesienia. Często jednak potrzebny jest układ zdolny do sprawdzenia, czy sygnał pozostaje w przedziale ograniczonym dwoma poziomami. Spójrz na poniższy rysunek. Losowo zmieniające się napięcie Uin jest porównywane z dwoma poziomami odniesienia +Uref i -Uref. Jeśli napięcie staje się większe niż jeden poziom lub mniejsze niż drugi, musi zostać wygenerowany sygnał wyjściowy. Taki układ nazywany jest „dyskryminatorem okienkowym”. Istnieje kilka sposobów realizacji takiego układu. Większość z nich wykorzystuje dwa lub trzy wzmacniacze operacyjne. Istnieje jednak mało znany układ, który zadowala się tylko jednym op-ampem i ten układ zamierzamy teraz wyjaśnić.

Działanie dyskryminatora okienkowego wyjaśnione graficznie (© 2017 Jos Verstraten)

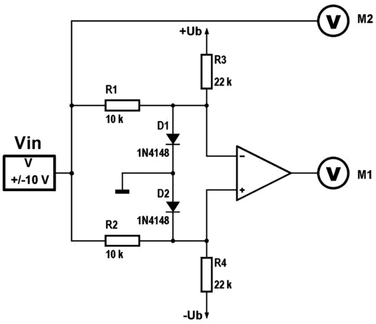
Schemat dyskryminatora okienkowego

Schemat został narysowany na poniższym rysunku. Napięcie wejściowe, które ma być porównywane, jest podawane na oba wejścia op-ampa poprzez rezystory R1 i R2. Oba wejścia op-ampa są ustawione na małe napięcia dodatnie i ujemne za pomocą diod D1 i D2 oraz rezystorów R3 i R4. Na diodach przewodzących ustalają się napięcia o wartości około 0,5 V. Na wejście ujemne op-ampa jest podane napięcie dodatnie +0,5 V, a na wejście dodatnie napięcie ujemne –0,5 V.

Graficzne wyjaśnienie działania

Zamierzamy wyjaśnić działanie układu za pomocą wykresów na poniższym rysunku.

Schemat dyskryminatora okienkowego z jednym op-ampem (© 2017 Jos Verstraten)
  • Pierwszy przykład: Ustawiasz napięcie wejściowe na zero woltów. Wyjście komparatora będzie wtedy ujemne. Dzieje się tak dlatego, że wejście odwracające op-ampa jest bardziej dodatnie niż wejście nieodwracające, a ta różnica napięć jest wzmacniana dziesiątki tysięcy razy przez op-amp.
  • Drugi przykład: Powoli zwiększasz napięcie wejściowe. Napięcie wejściowe jest podłączone do op-ampa przez dwa dzielniki napięcia. Rosnące napięcie nie wpływa na ujemne wejście. Dzieje się tak dlatego, że przewodząca dioda D1 zapewnia, że napięcie pozostaje stałe na poziomie +0,5 V. Inaczej sprawy się mają w przypadku wejścia dodatniego. Jest ono ustawione na –0,5 V. Zwiększanie napięcia wejściowego powoduje przepływ prądu przez szeregowy obwód R2 i R4, powoli zwiększając napięcie na węźle ich połączenia. Przy pewnej wartości Vin, napięcie na wejściu dodatnim staje się równe +0,5 V. Chwilę później napięcie na tym wejściu staje się większe od napięcia diody na wejściu ujemnym, op-amp odwraca się. Wyjście staje się dodatnie. Wielkość napięcia wejściowego, przy którym następuje to odwrócenie, jest określona przez stosunek R2 i R4. Wielkość napięcia zasilającego również odgrywa rolę. Wniosek: jeśli napięcie wejściowe stanie się większe niż +5,75 V, wyjście komparatora odwróci się od –Ub do +Ub.
  • Przykład trzeci: Ponieważ układ jest zbudowany symetrycznie, jest jasne, że ta sama historia dotyczy ujemnych napięć wejściowych. Teraz napięcie na wejściu dodatnim pozostaje stałe na poziomie napięcia diody –0,5 V, a napięcie na wejściu ujemnym zaczyna powoli spadać. Kiedy staje się ono równe –0,5 V układ odwraca się, ponownie wyjście staje się dodatnie.
Przebiegi napięć w kluczowych punktach układu (© 2017 Jos Verstraten)

Aplikacje

Wskaźnik przesterowania

Układ ten pozwala na zaprojektowanie, na przykład, bardzo prostego wskaźnika przesterowania dla wzmacniacza mocy. Jeśli połączysz wyjście op-ampa, poprzez tranzystor, z diodą LED i obliczysz wartości czterech rezystorów w taki sposób, że układ zadziała, gdy sygnał przez głośnik staje się większy niż potrzebny do wygenerowania pewnej maksymalnej mocy, dioda LED będzie świecić, gdy wzmacniacz jest przesterowany.

Miernik stanu baterii

Podobnie, możesz użyć tego układu do sprawdzenia napięcia na baterii. Obliczasz rezystory tak, aby dwa progi przełączania były równe 12,4 V i 14,8 V. Jeśli napięcie na baterii wyjdzie poza te progi, coś jest nie tak.

Firma:
Tematyka materiału: Dyskryminator okienkowy
AUTOR
Źródło
Elektronika dla Wszystkich lipiec 2023
Udostępnij
Zobacz wszystkie quizy
Quiz weekendowy
Poziomy logiczne
1/10 Jakie rodziny układów logicznych są najczęściej stosowane współcześnie?
Oceń najnowsze wydanie EdW
Wypełnij ankietę i odbierz prezent
W tym numerze znajdziesz źródłową wersję artykułu publikowanego obok
Elektronika dla Wszystkich
lipiec 2023
Elektronika dla Wszystkich
Przejrzyj i kup
UK Logo
Elektronika dla Wszystkich
Zapisując się na nasz newsletter możesz otrzymać GRATIS
najnowsze e-wydanie magazynu "Elektronika dla Wszystkich"