Serwisy partnerskie:
Close icon
Serwisy partnerskie

Praktyczny kurs op-ampów 30. Generator napięcia schodkowego

Article Image
Prawdopodobnie nie będziesz potrzebował napięcia schodkowego zbyt często. Ale warto wiedzieć, że w tym niespotykanym przypadku możesz polegać na op-ampie, który wygeneruje takie napięcie.

Napięcie schodkowe

Kształt napięcia schodkowego pokazano na rysunku 1. Napięcie takie charakteryzuje się tym, że jego wielkość wzrasta lub maleje o pewną, stałą wartość w regularnych odstępach czasu. Napięcie schodkowe może być zatem dodatnie lub ujemne.

Rysunek 1. Przebieg dodatniego napięcia schodkowego

Do czasu t0 napięcie wynosi 0 V. W chwili t0 napięcie nagle wzrasta o 1 V. Pozostaje tak do czasu t1. Wówczas napięcie wzrasta o kolejny 1 V i tym samym wynosi 2 V. Wyjście pozostaje stabilne do czasu t2, kiedy to napięcie wzrasta do 3 V.

Oczywiście nie może to trwać w nieskończoność, stąd po tn napięcie spada do 0 V i można rozpocząć nowy cykl.

Zastosowanie napięć schodkowych

Takie napięcia schodkowe stosuje się na przykład przy przesyłaniu kilku sygnałów jednym przewodem oraz przy pomiarach różnych charakterystyk tranzystora. Mając generator napięć schodkowych, możesz przyrostowo zwiększać prąd bazy.

Jeśli przy każdym schodku zapiszesz na ekranie oscyloskopu zależność między napięciem emiter – kolektor a prądem kolektora, otrzymasz zestaw charakterystyk tranzystora. Hobbyści spotykają się z tego typu sygnałem na przykład w muzycznych dzwonkach do drzwi, gdzie napięcie schodkowe napędza generator o zmiennej częstotliwości, a każdy schodek odpowiada jednej nucie muzycznej.

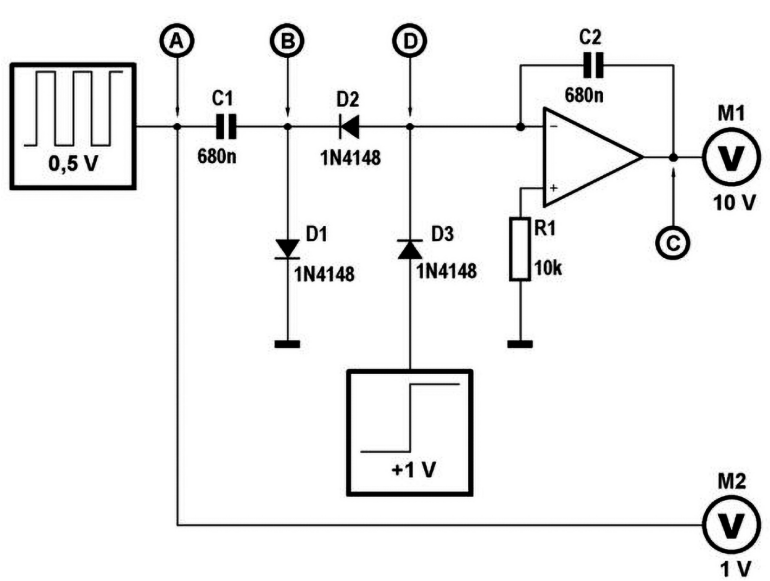
Schemat generatora napięcia schodkowego

Schemat, który umożliwia wygenerowanie napięcia schodkowego, jest pokazany na rysunku 2. Rozpoznasz na nim podstawowy układ integratora. Kondensator C2 jest włączony pomiędzy wejściem odwracającym a wyjściem op-ampa. Na wejście podajesz przebieg fali prostokątnej o amplitudzie około 0,5 V.

Rysunek 2. Schemat eksperymentalnego generatora napięcia schodkowego

Po włączeniu napięcia zasilania napięcie na wyjściu op-ampa będzie miało wartość zero woltów. Z każdym ujemnym skokiem napięcia wejściowego zobaczysz na mierniku, że wyjście staje się o około 1 V bardziej dodatnie i pozostaje przy tej wartości aż do następnego ujemnego skoku na wejściu. Możesz regulować wielkość stopni na wyjściu, zmieniając amplitudę przebiegu prostokątnego na wejściu. Im mniejsze jest to napięcie, tym bardziej zbliżone są do siebie poszczególne stopnie przebiegu schodkowego na wyjściu.

Działanie układu

Wykresy z rysunku 3 wyjaśniają kilka rzeczy. Fala prostokątna generatora funkcyjnego jest różniczkowana przez kondensator C1. To znaczy, że ten element przepuszcza tylko nagłe zmiany napięcia od +0,5 V do –0,5 V (i odwrotnie). W końcu kondensator ma pewną rezystancję przy napięciu przemiennym. Im wyższa częstotliwość sygnału, tym mniejszy opór stawia kondensator dla przejścia tego sygnału. Wahania napięcia odpowiadają sygnałowi o bardzo wysokiej częstotliwości, a kondensator umożliwi niezakłócony przepływ tych części sygnału.

Rysunek 3. Przebiegi wyjaśniające działanie układu

Inaczej jest w przypadku płaskich części fali prostokątnej. Reprezentują one bardzo niską częstotliwość, a rezystancja kondensatora jest tak duża, że sygnał ten jest całkowicie blokowany. Wniosek: fala prostokątna z generatora funkcyjnego jest zamieniana przez kondensator na krótkie dodatnie i ujemne piki, tzw. impulsy szpilkowe. Teraz jednak do gry wchodzi dioda D1. Element ten zaczyna przewodzić, jeśli anoda jest bardziej dodatnia niż katoda. Tak jest w przypadku dodatniego impulsu szpilkowego. Jest on zatem zwarty do masy przez przewodzącą diodę. W punkcie B powstaje w ten sposób przebieg napicia, który ma postać wąskich ujemnych impulsów szpilkowych z każdym ujemnym skokiem fali prostokątnej na wejściu.

Bardzo małe dodatnie impulsy, które widzisz na rysunku, są spowodowane napięciem przewodzenia 0,7 V diody D1 i są pozostałością po dodatnich zboczach fali prostokątnej przechodzących przez kondensator.

Następnie do głosu dochodzi dioda D2. Ta dioda również zaczyna przewodzić, gdy anoda staje się bardziej dodatnia od katody. Dzieje się tak w przypadku ujemnej szpilki w punkcie B. Ujemne wejście op-ampa jest wtedy połączone przez przewodzącą diodę z napięciem w punkcie B. Wygląda to wtedy tak, jakbyś przez bardzo krótki czas napędzał integrator ujemnym napięciem.

Jak dowiedziałeś się we wcześniejszym odcinku tego kursu, integrator reaguje na to liniowym ładowaniem kondensatora. Napięcie na wyjściu staje się wtedy dodatnie (ponieważ integrator inwertuje). Teraz to ładowanie jest bardzo szybkie: przecież między ujemnym wejściem a napięciem w punkcie B nie ma żadnego rzeczywistego oporu. Dioda ma oczywiście niewielki opór wewnętrzny, ale jest on pomijalny. Prąd I, który płynie z punktu B przez przewodzącą diodę D2 i kondensator C2 do wyjścia op-ampa jest bardzo duży, a zatem napięcie na kondensatorze również będzie rosło bardzo szybko. Po wzroście napięcia na C2 o około 1 V, ujemny impuls szpilki w punkcie B spada. Dioda D2 zaczyna się odwracać, prąd ładowania C2 staje się zerowy, a tym samym napięcie na wyjściu integratora pozostaje stałe.

Przy kolejnym ujemnym impulsie D2 i C2 znów bardzo krótko popłynie dość duży prąd, powodując gwałtowny wzrost napięcia wyjściowego o taką samą wartość. Osiągnięto kolejny stopień napięcia stopniowego.

Zakończenie cyklu

Oczywiście proces ten nie powtarza się w nieskończoność. Po pewnej liczbie impulsów prądowych kondensator zostaje naładowany do dodatniego napięcia zasilania i przy kolejnych impulsach ujemnych wyjście op-ampa pozostaje na poziomie +10 V. Obwód jest zakleszczony na poziomie dodatniego napięcia zasilania.

Jeśli teraz na krótko przyłożysz dodatni impuls do ujemnego wejścia op-ampa poprzez diodę D3, to biegunowość napięcia wejściowego integratora zostanie odwrócona, odwracając prąd ładowania C2. Napięcie spada teraz bardzo szybko z +10 V do około -8 V, skrajnie ujemnej granicy op-ampa.

Uwaga

W „prawdziwym” generatorze napięcia schodkowego to, co robisz ręcznie w tym eksperymencie, czyli zakończenie cyklu napięcia schodkowego, jest oczywiście wykonywane elektronicznie. Jest to dość proste: używając komparatora porównujesz wartość napięcia schodkowego do pewnego stałego napięcia. Jeśli napięcie schodkowe chciałoby stać się większe od tego poziomu odniesienia, komparator generuje napięcie wyjściowe. Napięcie to steruje układem, który chwilowo podaje dodatni impuls na ujemne wejście op-ampa. Wyjście układu staje się maksymalnie ujemne, można rozpocząć kolejny okres napięcia schodkowego. 

Firma:
Tematyka materiału: Generator napięcia schodkowego, Napięcie schodkowe
AUTOR
Źródło
Elektronika dla Wszystkich grudzień 2023
Udostępnij
Zobacz wszystkie quizy
Quiz weekendowy
Poziomy logiczne
1/10 Jakie rodziny układów logicznych są najczęściej stosowane współcześnie?
Oceń najnowsze wydanie EdW
Wypełnij ankietę i odbierz prezent
W tym numerze znajdziesz źródłową wersję artykułu publikowanego obok
Elektronika dla Wszystkich
grudzień 2023
Elektronika dla Wszystkich
Przejrzyj i kup
UK Logo
Elektronika dla Wszystkich
Zapisując się na nasz newsletter możesz otrzymać GRATIS
najnowsze e-wydanie magazynu "Elektronika dla Wszystkich"