Serwisy partnerskie:
Close icon
Serwisy partnerskie

EdW 11/2025 Junior

Article Image
Witam Cię serdecznie na kolejnym spotkaniu Juniorów EdW. Już nie mogę się doczekać, aż uruchomisz kolejny układ, który masz szansę dzisiaj zbudować. Niecierpliwość moja bierze się z tego, że będzie to układ wyjątkowo elegancki. Żałuję, że nie będę mógł zobaczyć Twego błysku w oku i radości ze zbudowanej zabawki. Pełna frajdy facjata i uśmiech od ucha do ucha na twarzach moich podopiecznych to zasadniczy powód, dla którego param się swoją aktywnością. Układ zachwyci każdego fana elektronicznych błyskotek oraz… motoryzacji.

Na drogach często spotykamy migające strzałki nakazujące zmianę pasa, a na ostrych zakrętach – dynamicznie przesuwające się światła prowadzące kierowcę we właściwą stronę. Wyglądają efektownie i skutecznie przyciągają uwagę. Czy da się zrobić coś podobnego… na biurku młodego elektronika?

Podczas kolejnych zajęć stacjonarnych Juniorzy EdW udowodnili, że tak! Każdy z uczestników zmontował zestaw AVTEDU631 – Wskaźnik kierunku LED, który tworzy cztery groty strzałek złożone z 20 diod LED. Dzięki odpowiedniemu zestawieniu układu NE555 i licznika 4017 groty strzałek zapalają się kolejno, tworząc animację przypominającą znak drogowy czy sygnały ostrzegawcze.

To atrakcyjny efekt świetlny, który można wykorzystać jako znak drogowy podczas zabawy autami na dywanie w mieszkaniu lub nawet na trasie wyścigowej przygotowanej w terenie przy użyciu kasztanów, patyków i liści, co z pewnością docenią młodsi Juniorzy. U starszych znak ostrzegawczy świetnie sprawdzi się w gablocie obok sportowego modelu auta, być może również wyciętego i posklejanego samodzielnie.

Na koniec warto dodać, że zestaw AVTEDU631 – Wskaźnik kierunku LED to także okazja, by poznać lub przypomnieć sobie zasadę działania generatora NE555 i licznika dziesiętnego typu Johnson (CD4017) oraz nauczyć się, jak sterować diodami LED w sposób sekwencyjny. Zatem wchodzimy w ten zakręt… Byle ostrożnie!

Omówienie układu

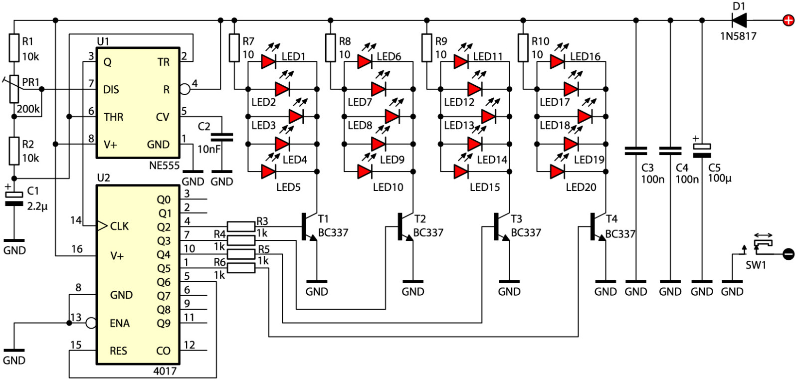
Układ Wskaźnik kierunku LED (AVTEDU631) to atrakcyjny zestaw edukacyjny, który pozwala zbudować prostą animowaną strzałkę świetlną. Jego działanie opiera się na współpracy dwóch popularnych układów scalonych: NE555 i CD4017. Pierwszy z nich, pełniący rolę generatora impulsów, wytwarza sygnał zegarowy o regulowanej częstotliwości, natomiast drugi – dziesięcioetapowy licznik typu Johnson – steruje kolejno diodami LED, tworząc efekt płynnego przesuwania się światła.

Na płytce umieszczono 20 diod LED 5 mm, rozmieszczonych w czterech grupach po pięć, tworzących kształt strzałki kierunkowej. Dzięki potencjometrowi montażowemu PR1 można płynnie regulować szybkość animacji, dopasowując efekt do własnych preferencji – od powolnego „pełzania” światła po dynamiczne „przelatywanie” przez wszystkie cztery groty strzałek.

Tranzystory BC337 pełnią funkcję wzmacniaczy prądowych, umożliwiając jednoczesne zasilanie kilku diod LED z każdego aktywnego wyjścia licznika. Zasilanie zestawu odbywa się z koszyka na trzy baterie R6/AA (łącznie ≈ 4,5 V). Dioda D1 chroni układ przed odwrotną polaryzacją, kondensatory C3, C4 i C5 filtrują napięcie zasilania, rezystory R7…R10 ograniczają prąd płynący przez diody LED (chroniąc je przed uszkodzeniem), natomiast rezystory R3…R6 ograniczają prąd wpływający do baz tranzystorów T1…T4. Elementy R1, PR1, R2 i C1 ustalają tryb pracy oraz częstotliwość sygnału generowanego przez U1, a układ U2 zlicza te impulsy i w zależności od ich liczby kolejno aktywuje wyjścia Q0…Q9.

Na koniec warto dodać, że zestaw AVTEDU631 to doskonała okazja, by w praktyce poznać zasadę działania generatora impulsów zbudowanego na układzie NE555 oraz licznika dziesiętnego typu Johnson (CD4017) – klasycznego rozwiązania stosowanego w wielu efektach świetlnych i urządzeniach edukacyjnych.

Zestaw do samodzielnego złożenia pokazano na fotografii 1a. Na fotografii 1b pokazano zmontowany układ.

Fotografia 1. Wskaźnik kierunku LED (kod AVTEDU631), a) Zestaw do samodzielnego montażu, b) Zmontowany układ

Omówienie schematu

Poniżej znajdziesz bardziej szczegółowy opis układu, włączając zasadę działania poszczególnych elementów oraz połączeń pomiędzy nimi. Jeśli teoria okaże się dla Ciebie zbyt zawiła, możesz ją śmiało pominąć i od razu przejść do części praktycznej. Tam krok po kroku opowiem, a nawet pokażę, jak wlutować kolejne elementy i uruchomić całość. Zrób to dokładnie tak, jak w opisie, a układ na pewno zadziała.

Czy warto więc zagłębiać się w część teoretyczną? Z wielu powodów – tak. Chociażby dlatego, że wiedząc, co się robi i do czego zmierza, zamiast działać ściśle wedle instrukcji, można puścić wodze fantazji i wiele czynności montażowych wykonać wedle własnego pomysłu i sprytu. Przy okazji odkryć wiele „patentów”, kruczków i sztuczek, które uczynią montaż łatwiejszym, sprawniejszym i szybszym. Ja dzielę się własnymi doświadczeniami i praktycznymi nawykami, ale to nie znaczy, że jestem Alfą czy inną Omegą. Wręcz przeciwnie – całe życie się uczę, a uczestnicy zajęć niejednokrotnie zaskakiwali mnie własnymi pomysłami. Przykładowo, kolega Dawid wpadł na pomysł lutowania rezystorów od strony wierzchniej w przypadku płytek z metalizacją otworów, co daje szereg benefitów w porównaniu z metodą klasyczną.

Wybór należy do Ciebie – z wyłożoną teorią lub bez, na końcu i tak będziesz miał własny, działający Wskaźnik kierunku LED.

Rysunek 1. Schemat ideowy układu

Schemat ideowy Wskaźnika kierunku LED przedstawiono na rysunku 1, natomiast na rysunku 2 znajduje się jego schemat montażowy. Ten drugi ułatwia nie tylko odnalezienie poszczególnych elementów na płytce drukowanej, ale także pozwala szybko sprawdzić poprawność wykonanych połączeń – szczególnie wtedy, gdy pojawia się wątpliwość, czy dwa znajdujące się blisko siebie pady lub ścieżki powinny być ze sobą połączone, czy też pozostać elektrycznie odseparowane. Zerknięcie na schemat montażowy z widokiem na układ ścieżek to szybki i niezawodny sposób, by rozwiać wszelkie wątpliwości.

Rysunek 2. Schemat montażowy układu

Włącznik zasilania

Zasilanie całego układu pochodzi z koszyka na trzy baterie R6/AA, które łącznie dają napięcie stałe o wartości około 4,5 V. Przewody z koszyka przylutowane są do płytki w miejscu oznaczonym znakami „+” i „–” w kółeczkach. Dodatni biegun (czerwony przewód) trafia bezpośrednio na diodę D1, ale powrót napięcia do koszyczka odbywa się za pośrednictwem przełącznika SW1. Jeśli prąd z układu nie może powrócić do ujemnego bieguna baterii, to też nie może wypłynąć z jej bieguna dodatniego. Powszechnie bowiem wiadomo, że aby przepływ prądu był jakkolwiek możliwy, obwód elektryczny musi zostać zamknięty. Tym samym przełącznik SW1 pełni rolę włącznika zasilania. Dzięki niemu w prosty sposób decydujemy, kiedy układ jest aktywny, a kiedy całkowicie odłączony od baterii.

Podczas ostatnich spotkań w tym właśnie miejscu obliczaliśmy, jak długo uruchomiony układ będzie działał na jednym komplecie nowych baterii.

Jeśli ciekawi Cię, jak długo od momentu włączenia podziała zmontowany przez Ciebie Wskaźnik kierunku LED, spróbuj dziś samodzielnie wykonać te obliczenia.

W ten sposób sam sprawdzisz, ile zapamiętałeś z poprzednich spotkań, a w razie potrzeby – z czystej ciekawości – sięgniesz po wcześniej przerobiony materiał.

Szkolna rutyna wtłacza nas w toksyczne przekonanie, że uczymy się głównie po to, by „wykutą” wiedzą zadowolić nauczyciela – by drogą sztucznej transakcji nabyć w ten sposób wymierne cyferki w papierowym bądź już tylko cyfrowym dzienniku tudzież indeksie.

Tymczasem nadarza się rzadka sposobność, by spostrzec, że nikomu z zewnątrz wiedza o tym, co pamiętasz, umiesz i potrafisz, nie jest – i nie powinna być – do szczęścia potrzebna.

Jeśli sam masz teraz ochotę skorzystać z wcześniej zdobytej wiedzy – witaj w prawdziwym świecie.

Aby przeczytać ten artykuł kup e-wydanie
Kup teraz
Firma:
AUTOR
Źródło
Elektronika dla Wszystkich listopad 2025
Udostępnij
Zobacz wszystkie quizy
Quiz weekendowy
Theremin
1/10 Lew Termen i Leon Theremin to ta sama osoba. Które nazwisko pojawiło się później?
UK Logo
Elektronika dla Wszystkich
Zapisując się na nasz newsletter możesz otrzymać GRATIS
najnowsze e-wydanie magazynu "Elektronika dla Wszystkich"