Serwisy partnerskie:
Close icon
Serwisy partnerskie

EdW 01/2025 Junior

Article Image
Zima w pełni. Przynajmniej kalendarzowa, bo kiedy sięgam myślami do swej młodości, tę szczególną porę roku pamiętam nieco inaczej. Dzieciństwo przepędzałem w malowniczej górskiej miejscowości uzdrowiskowej Kotliny Kłodzkiej: Polanicy-Zdroju, gdzie zamieszkiwałem wówczas wraz z całą rodziną. Każdej zimy na chodnikach piętrzyły się śnieżne zaspy, a drogi bywały zupełnie nieprzejezdne. Wiało, sypało śniegiem, a ja, wychodząc z domu i porywając się na krótki spacer do dziadka i babci, kilka chwil później cały oblepiony śniegiem, wyglądać musiałem niczym kulka popularnej słodkości z orzeszkiem w centrum, obsypana kokosowymi wiórkami.

Zdecydowanie pamiętam te wiórki. Śnieg, złowrogo skrzypiąc i chrzęszcząc donośnie pod mymi butami, zdawał się obrać za cel, by stanąć na drodze mojemu ciału i zawrócić je od celu obranej podróży. Z drugiej strony, zdawał się być sprzymierzeńcem ducha, stanowiąc centrum bardzo widowiskowego spektaklu. Baletu drobinek śniegu, gęsto usianych po całym czarnym niebie, z wolna opadających na ziemię. Spektakl ów pięknie wyglądał szczególnie po zmroku w trójkątach świateł rzucanych główkami ulicznych latarni. Po dobrych kilkunastu minutach boju z zaspami, wiatrem i smagającym twarz śniegiem docierałem do domu babci i dziadka. Miałem u nich swój własny pokój, w którym wśród wielu gadżetów i sprzętów właściwych zwłaszcza dla wielu nastoletniego, znajdował się również własnoręcznie skompletowany sprzęt audio, na który składały się cztery zestawy głośnikowe Unitry, ustawione w każdym z rogów pokoju, stereofoniczny wzmacniacz audio i komputer z olbrzymią kolekcją plików muzycznych w formacie .mp3, na każdą okazję. Na „zestaw” składały się również dwa kolorofony Unitry, model C-230B, które, w wypełniające pokój dźwięki pozwalały wpleść również grę świateł. Były to jednak spore i ciężkie zabawki, a każda z nich wymagała doprowadzenia oddzielnego zasilania przemiennego sieci 230 V oraz sygnału audio, pobranego ze wzmacniacza. Na wejście kolorofonu należało podać sygnał z wyjścia głośnikowego, dlatego kolorofonem (z tego, co pamiętam) należało wpiąć się równolegle do głośnika. Suma summarum, oznaczało to cztery dodatkowe dwuprzewodowe kable biegnące wokół pokoju, a efekt końcowy, szczerze powiedziawszy, był „taki sobie”. Nie dość, że człowiek musiał potykać się o multum wszędzie pałętających się kabli, to jeszcze wolno rozgrzewającym się i długo gasnącym żarówkom daleko było do dynamiki oferowanej przez współczesne diody LED. Szkoda, że nie miałem wtedy sposobności złożyć kilku fenomenalnych a prostych i lekkich gadżetów, których opisem poniżej się z Tobą podzielę. Lekkie, przyjemne, dynamiczne i zero pałętających się kabli!

Fotografia 1 przedstawia zmontowany gadżet o nazwie MigoLEDki o kodzie handlowym AVTEDU634. Choć nazwa tego gadżetu zdradza nieco sposób jego działania, to jednak nie oddaje kunsztu tego układu, który wynika z połączenia prostoty i efektywności jego działania.

Fotografia 1. Zmontowany zestaw MigoLEDki (AVTEDU634)

Urządzenie umieszczone w pobliżu grającego sprzętu, niezależnie od tego czy będzie to jedynie cichy smartfon odtwarzający muzykę, radio, czy głośny zestaw grający, poniższy gadżet po prostu działa i robi to świetnie. Jest zaskakująco czuły, dlatego bardzo dobrze sprawdzi się również z nieco cichszymi sprzętami. Bez problemu reaguje również na mowę. Dzięki wbudowanemu mikrofonowi nie wymaga jakiegokolwiek fizycznego łączenia ze sprzętem audio a zasilanie bateryjne pozwala umieścić układ w zupełnie dowolnym miejscu. Wizualnie doda nieco nastroju i urozmaici każdą imprezę, zarówno domową, jak i w plenerze. Jakby nie patrzeć, gadżet (a nawet większą ich liczbę) można zabrać ze sobą dosłownie wszędzie. 

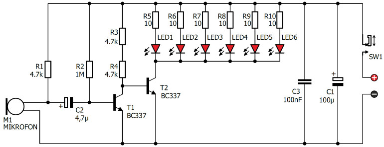
Na rysunku 1 zaprezentowano schemat ideowy układu. Układ, jak widać, nie jest skomplikowany.

Rysunek 1. Schemat ideowy układu

Zanim zabierzemy się do montażu, który nie powinien zabrać więcej niż kilka minut, spójrzmy razem na wspomniany schemat (rysunek 1) i rolę poszczególnych komponentów w układzie. 

Mikrofon elektretowy M1

Umożliwia zbieranie sygnałów akustycznych z otoczenia wokół zestawu, dzięki czemu nie trzeba go łączyć ze sprzętem audio za pomocą dodatkowego kabla sygnałowego, jak miało to miejsce w kolofonach z lat 70. i 80. XX wieku. 

Rezystor R1 (4,7 kΩ)

Rezystor R1 dostarcza prąd polaryzujący mikrofon elektretowy. W mikrofonach elektretowych jedno z wyprowadzeń potrzebuje zasilania (tu +3 V), aby umożliwić działanie wewnętrznego przedwzmacniacza. Wartość 4,7 kΩ zapewnia kompromis pomiędzy koniecznością dostarczenia odpowiedniego prądu polaryzacji a minimalizacją zakłóceń termicznych i oszczędnością energii pobieranej z baterii. Zakładając, że mikrofon elektretowy potrzebuje prądu rzędu kilkuset mikroamperów, wartość 4,7 kΩ pozwala na dostarczenie wystarczająco dużego prądu przy zastosowaniu napięcia o wartości 3 V (2 szeregowo połączone baterie AA).

Kondensator C2 (4,7 µF)

Kondensator C2 o pojemności 4,7 μF separuje składową stałą napięcia polaryzującego mikrofon od reszty układu, a jednocześnie przepuszcza sygnał w zakresie częstotliwości akustycznych bez ich znaczącego tłumienia. 

Rezystor R2 (1 MΩ)

Rezystor R2 odpowiada za polaryzację bazy tranzystora T1. Wysoka wartość 1 MΩ, zapewnia bardzo mały prąd bazy, co jest typowe dla układów z mikrofonem, gdzie sygnał jest niewielki. Rezystor ten umożliwia prawidłową pracę tranzystora w trybie wzmacniacza, zapewniając, że tranzystor będzie poprawnie sterowany przez bardzo małe zmiany sygnału pochodzące z mikrofonu.

Rezystory R3 i R4 (łącznie prawie 10 kΩ)

Rezystory R3 i R4 (zastosowano dwa oddzielne, połączone szeregowo, z uwagi na łatwość poprowadzenia ścieżek na jednostronnej płytce drukowanej) ograniczają prąd płynący przez kolektor tranzystora T1 i ustalają jego punkt pracy. Dobór tej wartości wpływa na wzmocnienie sygnału, jaki dociera do tranzystora T2. Wartość około 10 kΩ jest kompromisem między wystarczającym wzmocnieniem a uniknięciem zbyt dużego prądu kolektora, co mogłoby prowadzić do nadmiernych strat mocy oraz szybszego wyładowania baterii.

Tranzystory - dalszy ciąg opowieści

O tranzystorach opowiadałem Ci już na poprzednich spotkaniach EdW Junior. Pierwszy raz, w trakcie drugiego naszego spotkania, podczas omawiania zasady działania Zmierzchowej lampki LED – AVTEDU622 (EdW 8/2024 str. 81) następnie temat pociągnąłem również na piątym spotkaniu, gdzie omawialiśmy Wściekłego byka LED – AVTEDU629 (patrz akapit Tranzystor w roli wzmacniacza sterującego jasnością diod LED EdW 11/2024, str. 85).

Na schemacie MigoLED-ków (rysunek 1) znajdziesz dwa tranzystory podpisane jako T1 oraz T2. Jeśli po zwrocie strzałek na ich emiterach zauważyłeś już, że są to tranzystory typu NPN (strzałki emiterów skierowane na zewnątrz tranzystora) chcę Ci pogratulować, gdyż może to oznaczać, że jesteś jednym z najuważniejszych (a może i najuważniejszym) z naszego zacnego grona Juniorów. Dla formalności zostaje tylko przypomnieć, że drugie wyprowadzenie na symbolu tranzystora, zlokalizowane po tej samej stronie co emiter ale pozbawione strzałki, to kolektor, a pojedyncze wyprowadzenie zlokalizowane po przeciwnej stronie w stosunku do kolektora i emitera to baza tranzystora. Gdy tranzystor typu NPN zaczyna przewodzić, jak łatwo się domyślić po zwrocie strzałki na emiterze, prąd zaczyna wpływać do kolektora (na przykład z obwodu z diodami LED) i wypływać emiterem (na przykład do masy/ujemnego bieguna baterii). A kiedy wspomniane złącze CE (kolektor-emiter) krzemowego tranzystora NPN zaczyna przewodzić? Ano wtedy, gdy napięcie na złączu BE (baza-emiter) tranzystora (czyli napięcie pomiędzy bazą i emiterem) osiągnie wartość minimum 0,6 V…0,7 V (lub więcej). Skąd wzięła się „magiczna wartość” 0,6 V…0,7 V? Otóż magii tu nie ma za wiele. To typowa wartość napięcia przewodzenia złącza diody krzemowej (napięcie przewodzenia złącza to minimalne napięcie przyłożone do złącza, przy którym zaczyna ono przewodzić prąd elektryczny). No dobrze, a dlaczego mówimy o jakiejś diodzie krzemowej, skoro przed chwilą mówiliśmy o tranzystorach? Ano krzemowej dlatego, że użyty w projekcie tranzystor NPN, model BC337 to tranzystor krzemowy. Jeśli masz wątpliwości zajrzyj w notę katalogową producenta tego tranzystora, a w opisie tego komponentu odnajdziesz bez wątpienia frazę NPN Silicon. Słowo silicon oznacza, że tranzystor jest wykonany z krzemu (krzem to po angielsku silicon). Pozostaje pytanie dlaczego wyżej wspomniałem o „typowej wartości napięcia przewodzenia złącza diody krzemowej” podczas, gdy rozmawiamy o tranzystorach. Ano wspomniałem o diodzie, dlatego, że tranzystor zbudowany jest z dwóch odpowiednio połączonych złącz półprzewodnikowych (dioda to też złącze półprzewodnikowe) i złącze BE (baza-emiter) jest jednym z tych złączy), zatem, gdy rozmawiamy o złączu BE tranzystora to dokładnie tak samo, jak byśmy rozmawiali o złączu półprzewodnikowym diody krzemowej. No dobrze – powiesz. A dlaczego mówiąc o napięciu przewodzenia diody krzemowej nie wskazuję precyzyjnie napięcia, np. 0,65 V a podaję jego orientacyjny zakres 0,6 V…0,7 V – zapytasz. No cóż. W rzeczywistym i nieidealnym świecie na wartość tego napięcia ma wpływ wiele czynników, na które złożą się tzw. rozrzut produkcyjny (na skutek ograniczeń produkcyjnych i materiałowych każda wyprodukowana sztuka tranzystora może mieć minimalnie różne parametry), temperatura otoczenia (można założyć, że dla każdego wzrostu temperatury o 1°C, wartość napięcia przewodzenia krzemowego złącza półprzewodnikowego spada o około 2 mV), wpływ prądu kolektora (w przypadku tranzystora, napięcie przewodzenia złącza BE będzie zależało od prądu kolektora; jeśli tranzystor ma sterować stosunkowo niewielkim prądem napięcie przewodzenia BE wyniesie blisko 0,6 V, ale gdy tranzystor będzie miał sterować większym prądem, napięcie przewodzenia złącza BE może wzrosnąć do 0,7 V lub nawet bardziej).

Uff… Mam nadzieję, że udało mi się odpowiedzieć na każde możliwe pytanie, które mógłbyś zadać w powyższym temacie. Jeśli jakiegoś nie przewidziałem, pytaj śmiało, najprościej wysyłając maila na adres redakcji. Odpowiem.

Tranzystory T1 oraz T2 (BC337)

Gdy do układu podłączysz baterie i załączysz przełącznik SW1 ale na mikrofon M1 nie będą docierały żadne dźwięki, wówczas na bazę tranzystora T1 dotrze wyłącznie napięcie z dodatniego bieguna baterii za pośrednictwem rezystora R2. Napięcie to spowoduje otwarcie tranzystora T1 (złącze CE tego tranzystora zacznie przewodzić), co spowoduje, że baza tranzystora T2, na której wcześniej (za sprawą rezystorów R3 i R4 łączących bazę T2 z dodatnim biegunem baterii) panowało napięcie dodatnie względem emitera, zostanie podłączona do masy, czyli do ujemnego bieguna baterii. Można zatem powiedzieć, że potencjał bazy i emitera na tranzystorze T2 zostaną ze sobą zrównane. A ponieważ brak różnicy potencjałów to brak napięcia, tranzystor T2 będzie zatkany i prąd w obwodach diod LED nie popłynie. Ujmując rzecz prościej – gdy na mikrofon M1 nie będą docierały żadne dźwięki, diody pozostaną wygaszone.

Gdy jednak na mikrofon M1 zaczną docierać dźwięki, zmienny sygnał z mikrofonu zacznie docierać za pośrednictwem kondensatora C2 na bazę tranzystora T1. W tym czasie napięcie panujące na bazie tranzystora T1 będzie momentami niższe niż wymagane minimalnie napięcie przewodzenia jego złącza BE. W takich momentach (UBE<0,6 V…0,7 V) tranzystor T1 zostanie zatkany a tranzystor T2, na skutek pojawienia się na jego bazie dodatniego napięcia względem emitera (za sprawą obecności rezystorów R3 i R4 łączących bazę T2 z potencjałem dodatnim), o wartości UBE>0,6 V…0,7 V, w związku z czym tranzystor T2 zostanie otwarty, a jego złącze CE zacznie odprowadzać prąd z obwodów diod świecących do bieguna ujemnego baterii. Diody LED zaświecą się. Ujmując rzecz prościej – w chwilach, gdy na mikrofon M1 zaczną docierać dźwięki, diody zostaną załączone.

Rezystory R5…R10 (10 Ω) i diody LED1…LED6 (czerwone)

Na schemacie znajduje się sześć równolegle połączonych gałęzi, z których każda zawiera szeregowo połączony rezystor o wartości 10 Ω i diodę LED. Prąd w obwodzie każdej z diod LED popłynie dopiero wtedy, gdy tranzystor T2 zostanie otwarty (patrz opis dla tranzystorów T1 i T2). Kiedy tak się stanie prąd, który popłynie z bieguna dodatniego baterii, poprzez przełącznik SW1 oraz 6 wspomnianych równolegle połączonych gałęzi rezystor 10 Ω – dioda LED zostanie za pośrednictwem złącza CE tranzystora T2 odprowadzony do ujemnego bieguna baterii. Obwód zostanie zamknięty i diody LED zaświecą się. 

Do zestawu dołączono rezystory szeregowe dla diod LED o wartości 10 Ω każdy. Wartość sprawia wrażenie nieco małej. Spójrzmy więc na sprawę krytycznie i samodzielnie wyliczmy bezpieczną dla diod LED rezystancję szeregowego rezystora. 

Załóżmy, że do zestawu dołączono czerwone diody LED, które mogą poprawnie pracować przy napięciu 2,2 V i prądzie 20 mA. 

Gdyby (dla uproszczenia) założyć, że na złączu CE (kolektor-emiter) tranzystora T2 nie występuje żaden spadek napięcia, stałoby się oczywistym, że dla ciągłej pracy diod LED przy napięciu zasilania o wartości 3 V należałoby zastosować rezystory szeregowe o wartościach wyliczonych poniżej.

Aby przeczytać ten artykuł kup e-wydanie
Kup teraz
Firma:
Tematyka materiału: Elektronika dla Wszystkich Junior, elektronika dla najmłodszych
AUTOR
Źródło
Elektronika dla Wszystkich styczeń 2025
Udostępnij
Zobacz wszystkie quizy
Quiz weekendowy
Theremin
1/10 Lew Termen i Leon Theremin to ta sama osoba. Które nazwisko pojawiło się później?
UK Logo
Elektronika dla Wszystkich
Zapisując się na nasz newsletter możesz otrzymać GRATIS
najnowsze e-wydanie magazynu "Elektronika dla Wszystkich"