Serwisy partnerskie:
Close icon
Serwisy partnerskie

EdW 10/2025 Junior

Article Image
Rozpoczął się nowy rok szkolny, a wraz z nim powróciła codzienność pełna zeszytów, podręczników i szkolnego gwaru. Trzeba pilnie notować to, co mówi nauczyciel, choć – jak wie każdy uczeń – nie zawsze jest to proste. Siedząc w ostatniej ławce łatwo stracić wątek, zwłaszcza gdy głos z przodu sali dociera już mocno przytłumiony. W takich chwilach marzy się o Super Uchu, które wychwyci nawet najcichszy szept i pozwoli zapisać każdą informację bez pomyłki.

Coś właśnie takiego zbudowali Juniorzy EdW podczas kolejnych zajęć w gościnnych murach Zagrody CUDów w Trójcy (https://tinyurl.com/ZagrodaCudow). Bohaterem spotkania był zestaw Super Ucho – AVTEDU638 – prosty, a jednocześnie niezwykle praktyczny wzmacniacz mikrofonowy. Trzeba przyznać, że taki gadżet naprawdę przydałby się niejednemu uczniowi – szczególnie temu, który siedzi w ostatniej ławce i musi wytężać słuch, by nie zgubić żadnej ważnej informacji.

Trudno przewidzieć, jak nauczyciel zareagowałby na słuchawki na uszach podczas lekcji. Na szczęście układ można pożytecznie wykorzystać też w wielu innych sytuacjach. Kreatywność na tym polu pozostawiamy najmłodszym konstruktorom.

Omówienie układu

Jak wspomniano, bohaterem dzisiejszej relacji z zajęć stacjonarnych jest zestaw do samodzielnego montażu o nazwie Super Ucho i kodzie AVTEDU638. Podobne urządzenia można spotkać na rynku pod nazwą Whisper – bywają one pomocą dla osób niedosłyszących. Zazwyczaj są to jednak konstrukcje monofoniczne, jednokanałowe. Ogromną zaletą prezentowanego w tym artykule zestawu jest to, że korzysta on z dwóch mikrofonów i zapewnia dźwięk w obu kanałach audio – osobno dla lewego i prawego ucha.

Układ Super Ucho został zbudowany w oparciu o popularny wzmacniacz operacyjny NE5532 oraz dwa mikrofony elektretowe, które pełnią rolę czułych „uszu” zestawu. W torze audio znalazło się kilka rezystorów i kondensatorów, które odpowiednio kształtują wzmocnienie i pasmo przenoszenia sygnału, a także kondensatory elektrolityczne separujące składową stałą. Regulację głośności umożliwia potencjometr, zaś dioda LED sygnalizuje obecność napięcia zasilania. Całość uruchamia się wygodnym włącznikiem, a źródłem energii jest bateria 9 V podłączana do płytki za pomocą standardowego przewodu ze złączem typu „kijanka”. W odróżnieniu od wielu prostych konstrukcji monofonicznych zastosowano tu dwa niezależne kanały audio, co pozwala uzyskać efekt przestrzennego słyszenia i czyni urządzenie bardziej praktycznym w codziennym użyciu. Dodatkowo układ wyposażono w standardowe stereofoniczne gniazdo typu minijack, dzięki któremu można podłączyć własne, ulubione słuchawki.

Po podłączeniu baterii, założeniu słuchawek i ustawieniu potencjometru głośności w skrajnie lewym położeniu (minimum głośności) wystarczy włączyć zasilanie, aby po chwili cieszyć się wyraźnym nasłuchem otoczenia, którego głośność regulujemy pokrętłem według bieżących potrzeb.

Zmontowane urządzenie pokazano na fotografii.

Super Ucho (kod AVTEDU638). Zmontowany układ

Omówienie schematu

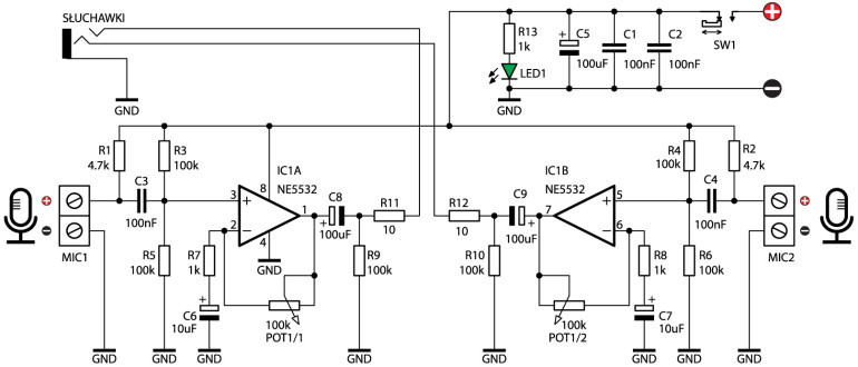
Sercem Super Ucha jest wzmacniacz operacyjny NE5532 (IC1), ceniony w zastosowaniach audio za niski poziom szumów i dobre parametry brzmieniowe. Układ zawiera dwa wzmacniacze, dlatego każdy z nich obsługuje osobny mikrofon elektretowy (MIC1 i MIC2), tworząc w ten sposób niezależne kanały lewy i prawy.

Każdy mikrofon jest zasilany i polaryzowany poprzez rezystor (R1, R2), a sygnał audio, po przejściu przez kondensator separujący (C3, C4), trafia na wejście wzmacniacza operacyjnego. Rezystory i kondensatory (między innymi R3...R8 oraz C6 i C7) ustalają wzmocnienie i pasmo przenoszenia, zapewniając czytelny odsłuch sygnałów z otoczenia. Kondensatory elektrolityczne (C8, C9) oddzielają składową stałą od toru audio, dzięki czemu na wyjściu pojawia się czysty sygnał zmienny.

Wzmocniony dźwięk trafia następnie do standardowego stereofonicznego gniazda minijack 3,5 mm, pozwalającego podłączyć dowolne słuchawki. Regulację poziomu głośności umożliwia potencjometr (POT1), a obecność zasilania sygnalizuje dioda LED1. Zasilanie dostarczane jest z baterii 9 V, której pracę stabilizują kondensatory filtrujące (C1, C2 i C5). 

Za chwilę omówię budowę tego układu w sposób bardziej szczegółowy, ale nie martw się – nie musisz od razu zostać profesorem elektroniki, żeby cieszyć się działającym Super Uchem. Jeśli teoria okaże się dla Ciebie zbyt zawiła, możesz ją po prostu przeskoczyć i od razu przejść do części praktycznej, gdzie krok po kroku opowiem, a nawet pokażę, jak wlutować kolejne elementy. Zrób to dokładnie tak, jak w opisie, a układ na pewno zadziała – bez czarów i bez doktoratu z elektroniki.

A jeśli jednak dasz się namówić na małą dawkę teorii, to kto wie – może odkryjesz w sobie radość z rozumienia, dlaczego coś działa, a nie tylko że działa. To trochę jak z ciastem: można je po prostu zjeść i cieszyć się smakiem, ale jeszcze fajniej jest wiedzieć, dlaczego rośnie w piekarniku i czemu nie należy pomylić cukru z solą.

Tak więc wybór należy do Ciebie – szybka ścieżka do lutownicy albo spokojna wycieczka w świat elektroniki. Obie drogi są dobre, a najważniejsze jest to, że na końcu i tak będziesz miał własne, działające Super Ucho.

Rysunek 1. Schemat ideowy układu

Schemat ideowy Super Ucha przedstawiono na rysunku 1, natomiast na rysunku 2 znajduje się jego schemat montażowy. Ten drugi bywa szczególnie pomocny podczas składania zestawu, ponieważ pokazuje rozmieszczenie elementów na płytce drukowanej. Dzięki niemu łatwiej odnaleźć właściwe miejsce dla każdego rezystora czy kondensatora i upewnić się, że wszystkie połączenia wykonano prawidłowo. Trzeba jednak pamiętać, że ilustracja pokazuje tylko widok z góry.

Rysunek 2. Schemat montażowy układu

Tymczasem nasza płytka jest dwustronna – ścieżki znajdują się zarówno od strony górnej, jak i dolnej. Schemat montażowy nie pozwala zajrzeć „na wylot”, dlatego przy zasłoniętych fragmentach najlepiej jest po prostu odwrócić płytkę w dłoni i sprawdzić rzeczywisty przebieg ścieżek. To szybki i niezawodny sposób, by rozwiać wszelkie wątpliwości.

Aby przeczytać ten artykuł kup e-wydanie
Kup teraz
Firma:
AUTOR
Źródło
Elektronika dla Wszystkich wrzesień 2025
Udostępnij
Zobacz wszystkie quizy
Quiz weekendowy
Theremin
1/10 Lew Termen i Leon Theremin to ta sama osoba. Które nazwisko pojawiło się później?
UK Logo
Elektronika dla Wszystkich
Zapisując się na nasz newsletter możesz otrzymać GRATIS
najnowsze e-wydanie magazynu "Elektronika dla Wszystkich"