Serwisy partnerskie:
Close icon
Serwisy partnerskie

EdW 04/2025 Junior

Article Image
Stroboskop to urządzenie emitujące szybkie i intensywne rozbłyski światła. Juniorom może kojarzyć się przede wszystkim ze szkolnymi dyskotekami, gdzie często stanowi ważny element oprawy takiego wydarzenia. Podczas tego spotkania zbudujesz niezawodny, bezpieczny w użytkowaniu, a do tego mobilny stroboskop oparty na układzie 4060 i diodach LED. Co go wyróżnia spośród podobnych urządzeń? Możliwość precyzyjnego ustawienia tempa błysków, liczby rozbłysków w serii oraz długości przerw między nimi. Gotowy na kolejną przygodę? A zatem zaczynamy!

Obok generatorów dymu, laserowych świateł, błyskające szybkimi seriami mocnego światła stroboskopy czynią prawdziwą magię na niemal każdej scenie, imprezie czy dyskotece. Prędzej czy później każdego Juniora nachodzi chęć posiadania własnego, by móc później zabierać go na szkolne imprezy lub używać w domu, zmieniając większy pokój czy salon w niemal profesjonalną salę zabaw.

Fotografia 1. Montaż stroboskopów dyskotekowych LED AVTEDU641, od lewej Krystian, Kornel, Kornel, Karol, Adam. Młodzi Entuzjaści Elektroniki, Szkoła Podstawowa nr 86, Wrocław

Jednak, gdy młody adept elektroniki zaczyna zbierać informacje o konstrukcji takiego układu często dowiaduje się od bardziej doświadczonych kolegów, nauczycieli, z książek czy Internetu, że ksenonowa lampa wyładowcza, stosowana w klasycznych stroboskopach, wymaga zasilenia wysokim napięciem i może być niebezpieczna dla początkujących elektroników. To często studzi nawet największy zapał i zniechęca do budowania takiego układu. 

Rzeczywiście, aby zainicjować błysk w rurce ksenonowej, konieczne jest bardzo wysokie napięcie rzędu kilku tysięcy woltów. W typowych stroboskopach stosuje się transformatory impulsowe lub układy z kondensatorami i tyrystorami, które generują impulsy zapłonowe.

Wysokie napięcie może porazić nawet po odłączeniu zasilania, ponieważ kondensatory w układzie mogą utrzymywać je przez długi czas. Ponadto lampa ksenonowa nagrzewa się i może pęknąć, jeśli jest uszkodzona lub niewłaściwie zamontowana.

Na szczęście istnieje bezpieczna alternatywa. Świetny stroboskop możesz zbudować wykorzystując większą liczbę jasnych diod LED, lub panele LED o większej mocy. Układ AVTEDU641 (fotografia 2), który za chwilę zbudujesz, może być tego świetnym przykładem. 

Fotografia 2. Stroboskop dyskotekowy LED, kod handlowy: AVTEDU641

Zalety stroboskopów LED-owych:

  • działają przy niskim napięciu o wartości nawet pojedynczych woltów,
  • nie wymagają układów wysokiego napięcia,
  • są łatwiejsze w budowie i sterowaniu,
  • nie stwarzają zagrożenia porażeniem prądem ani poparzeniem.

Podsumowując, stroboskop ksenonowy to zaawansowany projekt dla doświadczonych elektroników, a dla Juniorów i początkujących LED-owa wersja będzie znacznie bezpieczniejsza i łatwiejsza do wykonania.

Tym razem opis działania budowanego układu będzie dosyć obszerny i być może nieco zawiły dla młodego Czytelnika. Na szczęście nie jest on obowiązkowy. Jeśli chcesz zgłębić meandra działania tego układu, zapraszam Cię do zapoznania się z opisem, rozpoczynając lekturę tego spotkania od akapitu Omówienie układu. Nie przejmuj się jednak, gdy czegoś nie zrozumiesz. Jeśli nie jesteś gotów, albo zwyczajnie nie masz ochoty wgłębiać się w zawiłości tego opisu, i chciałbyś po prostu zmontować kolejną zabawkę, przejdź do akapitu Montaż układu. Opis teoretyczny nie jest do tego niezbędny.

Omówienie układu

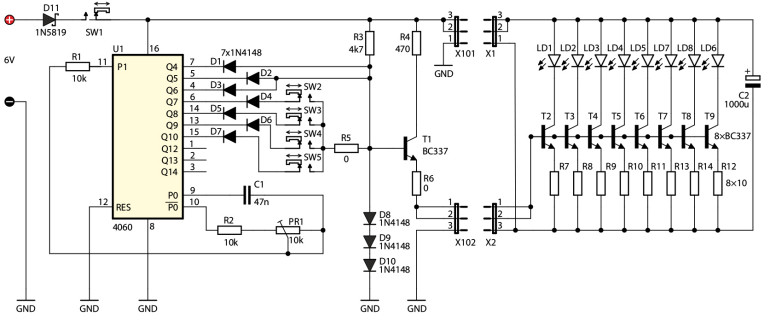
Schemat układu elektronicznego przedstawiono na rysunku 1. 

Rysunek 1. Schemat ideowy układu stroboskopu dyskotekowego LED

Schemat stroboskopu podzielony jest na dwie części, sterującą i wykonawczą. Całość zostanie również zmontowana na dwóch odrębnych płytkach. Nieco większa płytka zawiera logikę sterującą (lewa część schematu), a ta mniejsza mieści układy wykonawcze (prawa część schematu). Na koniec obie płytki zostaną trwale połączone za pomocą odpowiednio wlutowanych konektorów.

Część sterująca

Dioda D11

Prąd z baterii trafia w pierwszej kolejności na diodę D11. Zastosowano tu diodę Schottky’ego, zatem wystąpi na niej spadek napięcia około 0,3…0,4 V. Jest to nieco mniej niż w przypadku diod krzemowych (typowo około 0,6…0,7 V). Dzięki niższemu spadkowi napięcia, np. w przypadku zastosowania diody 1N5819 (dostępnej w zestawie), układ zasilany bateryjnie może działać nieco dłużej w porównaniu do wariantu z klasyczną diodą prostowniczą, taką jak 1N4007. 
Ponieważ diody przewodzą prąd tylko w jednym kierunku, główną rolą diody D11, umieszczonej szeregowo na wejściu zasilania, jest ochrona układu przed odwrotną polaryzacją napięcia. Jeśli użytkownik przypadkowo podłączy baterię odwrotnie, dioda zablokuje przepływ prądu, zapobiegając uszkodzeniu elektroniki.

Włącznik zasilania

Za diodą D11 prąd trafia na włącznik zasilania SW1. Ponieważ urządzenie zasilane jest z pakietu baterii, pełni on całkiem istotną rolę – pozwala w wygodny sposób, na czas gdy urządzenie jest nieużywane, odłączyć pakiet baterii od układu.

Gdyby SW1 nie był obecny w układzie, aby zapobiec rozładowaniu baterii, należałoby za każdym razem ręcznie wyciągać baterie z koszyczka po zakończeniu pracy stroboskopu. Baterie w koszyczku są połączone szeregowo (plus pierwszej do minusa drugiej, plus drugiej do minusa trzeciej, plus trzeciej do minusa czwartej), co oznacza, że rozłączenie obwodu wymagałoby usunięcia co najmniej jednej baterii.

Jednak wyjęcie baterii może być niewygodne, zwłaszcza jeśli ciasno siedzą w koszyczku – czasem wymaga to podważenia ich, na przykład śrubokrętem. Dlatego włącznik zasilania znacząco ułatwia obsługę urządzenia, pozwalając odłączyć pakiet baterii bez konieczności ich wyjmowania. 

Rezystory 0 Ω

W układzie znajdują się dwa rezystory 0 Ω (R5 i R6). Ich jedyną rolą jest „przeskoczenie” nad ścieżką na płytce PCB, która stoi na drodze sygnału, odpowiadającego każdemu z tych rezystorów. Można je zastąpić kawałkiem drutu (np. odciętym wyprowadzeniem innego komponentu). Ponieważ nie wprowadzają do obwodu żadnych zmian elektrycznych, zostaną one zignorowane podczas omawiania układu elektronicznego. Należy je traktować jak zworę lub ścieżkę. 

Aby przeczytać ten artykuł kup e-wydanie
Kup teraz
Firma:
AUTOR
Źródło
Elektronika dla Wszystkich kwiecień 2025
Udostępnij
Zobacz wszystkie quizy
Quiz weekendowy
Theremin
1/10 Lew Termen i Leon Theremin to ta sama osoba. Które nazwisko pojawiło się później?
UK Logo
Elektronika dla Wszystkich
Zapisując się na nasz newsletter możesz otrzymać GRATIS
najnowsze e-wydanie magazynu "Elektronika dla Wszystkich"