Serwisy partnerskie:
Close icon
Serwisy partnerskie

EdW 05/2025 Junior

Article Image
Uwielbiam spędzać z Wami czas, ponieważ już samym swoim jestestwem przypominacie mi moją własną młodość. A ja po prostu kocham wracać myślami do magicznego okresu dzieciństwa. Gdy przychodzi moment na przedstawienie młodym Czytelnikom układu elektronicznego kwiatka, wspomnienia wzbierają swą moc.

Moją rodzinną miejscowością jest Polanica-Zdrój. Tam mieszkałem, tam dorastałem. Tam spędziłem całe dzieciństwo. W tej samej miejscowości mieszkała wraz z dziadkiem moja babcia. Pasjonowała się roślinami. W każdym z pokoi miała po kilkanaście donic z przeróżnymi kwiatkami, a pokoi tych było co najmniej kilka. Miała też wielki ogród, na którym uprawiała warzywa, drzewa owocowe, krzewy, rośliny ozdobne i kwiaty. Płot wokół domu okalały róże jadalne, z których płatków babcia przyrządzała co roku różany sok. O cały ten roślinny gaj należało dbać, podlewać i nieustannie doglądać. Czerpiąc inspiracje i pasje od bliskich, w najmłodszych swych latach ciągnęło mnie więc nie tylko do lutownicy, ale i… „w kwiaty”.

Fotografia 1. Od lewej: Krystian i Kornel podczas montażu Dwukolorowego kwiatka LED (zestaw AVTEDU643)

Miałem nawet własny ogródek z mini-sadzawką. Kolekcjonowałem różnego typu rośliny, w związku z czym, jak tylko zobaczyłem u kogoś coś nowego, natychmiast pytałem o szczepkę. Często „podkradałem” nadmiarowo występujące kwiatki z ogródka babci, by posadzić je na własnej rabatce. Owszem, sporo czasu spędzałem z lutownicą w dłoni. Jednak babcia twierdziła, że „przesadzam też z... przesadzaniem”.

Idziemy w kwiaty!

Jeśli czytasz ten tekst i „czujesz pismo nosem”, to chyba dobrze Cię Twój zmysł węchu prowadzi, bo zbudujesz dziś kwiat! Ten, co prawda, może i pachniał nie będzie, ale wizualnych atutów odmówić mu nie sposób. 

Zmontowany układ pokazano na fotografii 2.

Fotografia 2. Dwukolorowy kwiatek LED, kod handlowy: AVTEDU643

Omówienie schematu

W przypadku układu dwukolorowego kwiatka LED (AVTEDU643) mamy do omówienia w zasadzie dwa tematy. Pierwszym z nich są dość nietypowe diody LED – dwukolorowe, ze wspólną katodą i zawierające aż trzy wyprowadzenia oraz układ generatora astabilnego, wykonanego z użyciem szalenie popularnej i niezwykle lubianej przez elektroników hobbystów „kostki” 555, spotykanej zazwyczaj pod nazwami NE555 lub LM555.

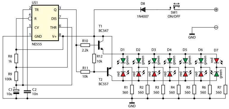
Schemat układu elektronicznego przedstawiono na rysunku 1. 

Rysunek 1. Schemat ideowy układu

Koncepcja układu

Jeśli spojrzysz na schemat z rysunku 1, na „plusie” zasilania zauważysz włącznik zasilania SW1 oraz diodę prostownicza D8. Włącznik służy oczywiście do odłączenia baterii, gdy skończymy zabawę z układem, a dioda D8 zabezpiecza układ przed podłączeniem zasilania o niewłaściwej polaryzacji. Nieco poniżej tych elementów zobaczysz dwa rządki diod LED, załączane przez tranzystory T1 i T2. Oba tranzystory sterowane są wspólnym sygnałem z wyprowadzenia numer 3 układu scalonego US1, za pośrednictwem rezystorów R10 oraz R11. Pytanie tylko: jaki sygnał pojawia się na wyjściu tego układu?

Generator astabilny

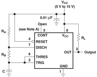
Choć schemat układu naszego kwiatka jest dosyć prosty i wszystko widać w nim jak na dłoni, to – nie mając wiedzy na temat budowy i działania obwodów zamkniętych w ośmionóżkowej obudowie użytego układu scalonego – o sygnale na jego wyjściu można by, co najwyżej, snuć przypuszczenia. Sama nazwa układu nie powie nam zazwyczaj zbyt wiele. Na szczęście w takich sytuacjach z pomocą przychodzi dokumentacja producenta, czyli nota katalogowa. Można śmiało założyć, że gdzieś wewnątrz niej znajdziesz podobny schemat i wzór na wyznaczenie charakterystyki sygnału na wyjściu. By się o tym przekonać, możesz teraz otworzyć notę katalogową, na przykład tę od Texas Instruments:  https://www.ti.com/lit/ds/symlink/ne555.pdf, a następnie spojrzeć na opublikowany w niej rysunek 6–5 (strona 12). Przedruk dostępny jest na rysunku 2.

Rysunek 2. Przedruk rysunku 6-5 z noty katalogowej TI – konfiguracja układu dla pracy astabilnej

Już sama nazwa sekcji noty katalogowej, w której odnaleźliśmy aplikację układu NE555, dokładnie pokrywająca się z aplikacją zastosowaną na schemacie kwiatka LED, zdradza, jaką rolę odgrywa w układzie kwiatka element NE555. Otóż nie ulega już najmniejszej wątpliwości, że odgrywa on tutaj rolę generatora astabilnego.

W nocie katalogowej, zaraz pod rysunkiem 6–5, można odnaleźć kilka bardzo przydatnych wzorów, z pomocą których z łatwością „odszyfrujesz” parametry generowanego sygnału, które zastosował w układzie kwiatka LED jego konstruktor.

Podpowiem, że zrobił to, odpowiednio dobierając elementy dyskretne, okalające scalak. 

NE555 generuje w zastosowanej konfiguracji sygnał prostokątny, w którym pojawiają się naprzemiennie napięcie bliskie napięciu zasilania oraz napięcie bliskie potencjałowi masy. 

Aby przeczytać ten artykuł kup e-wydanie
Kup teraz
Firma:
AUTOR
Źródło
Elektronika dla Wszystkich kwiecień 2025
Udostępnij
Zobacz wszystkie quizy
Quiz weekendowy
Theremin
1/10 Lew Termen i Leon Theremin to ta sama osoba. Które nazwisko pojawiło się później?
UK Logo
Elektronika dla Wszystkich
Zapisując się na nasz newsletter możesz otrzymać GRATIS
najnowsze e-wydanie magazynu "Elektronika dla Wszystkich"