Serwisy partnerskie:
Close icon
Serwisy partnerskie

EdW 09/2025 Junior

Article Image
Z uwagi na trwające wakacje stacjonarne zajęcia Młodych Entuzjastów Elektroniki postanowiliśmy zorganizować w nieco odmiennej scenerii i w innym składzie. Odbywały się one wprawdzie nie w plenerze, bo spotkaliśmy się w budynku z kamienia i cegły, ale za to w przepięknej, pełnej niezwykłego klimatu sali, w której na co dzień mają miejsce równie ciekawe wydarzenia. Odwiedziliśmy naszych przyjaciół z Zagrody CUDów w miejscowości Trójca pod Zgorzelcem. To właśnie stąd zdamy relację z montażu kilku kolejnych gadżetów.

Oczywiście zajęcia z elektroniki były tylko jedną z naszych wakacyjnych atrakcji. Resztę czasu spędziliśmy na łonie przyrody, w otoczeniu zaprzyjaźnionych agroturystyk. Nie zabrakło spacerów z alpakami, przejażdżek konnych, długich wypraw z psami oraz wspólnego przygotowywania i wypiekania pizzy. Odwiedziliśmy także most staromiejski Zgorzelec–Görlitz, łączący Polskę i Niemcy. Był to fantastycznie spędzony czas, który będziemy jeszcze długo i miło wspominać.

Mając w pamięci list jednego z młodych Czytelników, trzeba jednak dodać, że choć wakacje to dla większości z nas czas beztroski i frajdy, nie każdemu udało się przebrnąć przez ubiegły rok szkolny bez szwanku. Ci wybrańcy zespołów pedagogicznych musieli popracować nieco w wakacje, indukując wiedzę trybem przyspieszonym w mózgowe zwoje. Choć lat mam na karku niemało, klimaty szkolne wciąż pamiętam i mogę się zgodzić, że dzierganie zadań – w zależności od przedmiotu czy działu – potrafiło zaskoczyć i zapędzić w kozi róg nawet najlepszych. Czasem człowiek nie wiedział, jak do takiego czy innego zadania podejść, jak zacząć i zamiast „jak po maśle” szło „jak po grudzie”, a podejść do nauczyciela, nie wiedzieć czemu, nie zawsze miał śmiałość.

Fotografia 1. Od lewej: Oliwia, Natalia, Sebastian i Marcel podczas montażu zestawu Minipianino (AVTEDU635). Zajęcia Juniorów EdW odbyły się tym razem gościnnie w Zagrodzie CUDów 
w miejscowości Trójca pod Zgorzelcem

Dlatego, poczynając od bieżącego miesiąca (wrzesień jest na to idealny!), postanowiłem – opowiadając o wybranych juniorskich tematach – ubierać je w treść znaną ze szkolnych zadań. Baw się nimi, korzystaj, a jeśli Ci w czymś pomogą, będzie mi z tego powodu niezmiernie miło.

Wracając do bieżącego spotkania – pierwszym układem, którego budowę opiszemy, będzie samodzielnie zmontowane przez Oliwkę z Zagrody CUDów Minipianino.

Omówienie układu

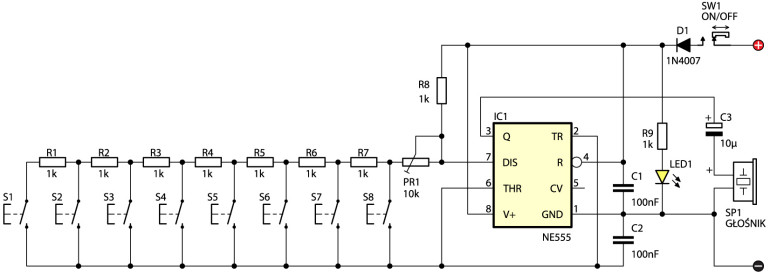
Bohaterem dzisiejszego spotkania jest zestaw do samodzielnego montażu o nazwie Minipianino i kodzie AVTEDU635. Jak nietrudno się domyślić, jest to bardzo prosty, a jednocześnie niezwykle wciągający instrument elektroniczny, który pozwala zagrać skalę dźwięków za pomocą ośmiu przycisków. Został on zaprojektowany z wykorzystaniem popularnych i łatwo dostępnych elementów: układu czasowego NE555, zestawu ośmiu przycisków, pasywnego buzzera piezoelektrycznego, kilku rezystorów i kondensatorów, potencjometru, diody prostowniczej oraz diody LED sygnalizującej obecność napięcia zasilania, a także włącznika i baterii podłączanej do układu za pomocą kabelka ze złączem typu kijanka.

Po podłączeniu zasilania i naciśnięciu jednego z przycisków układ generuje ton odpowiadający w przybliżeniu jednej z ośmiu nut: DO, RE, MI, FA, SOL, LA, SI, DO. Dzięki temu można zagrać proste melodie lub poeksperymentować z własnymi sekwencjami dźwięków. Oprócz walorów zabawowych jest to świetna okazja, by poznać lub przypomnieć sobie zasadę działania popularnego układu NE555 w trybie astabilnym. Zestaw przed i po zmontowaniu pokazano na fotografiach 2a i 2b.

Fotografia 2. Minipianino (kod AVTEDU635): a) zestaw do samodzielnego montażu, b) zmontowany układ

Omówienie schematu

Sercem układu jest jeden z najbardziej rozpoznawalnych i cenionych przez elektroników układów scalonych – NE555 (IC1). W tym projekcie pracuje on jako generator sygnału prostokątnego, którego częstotliwość – a więc wysokość dźwięku – zależy od rezystancji w obwodzie ładowania i rozładowania kondensatora C2.

Do wyboru częstotliwości służą przyciski S1…S8, włączone w różne punkty łańcucha utworzonego przez rezystory R1…R7 (po 1 kΩ każdy) oraz potencjometr PR1. Naciśnięcie przycisku powoduje „skrócenie” tego łańcucha – do obwodu kondensatora C2 trafia wtedy tylko część rezystorów. Zmiana całkowitej rezystancji bezpośrednio wpływa na częstotliwość pracy NE555, a więc i na wysokość generowanego tonu.

Punkty w szeregu dobrano tak, aby częstotliwości odpowiadały – w przybliżeniu – kolejnym dźwiękom gamy muzycznej. Dokładniejsze omówienie pracy generatora znajdziesz w dalszej części tego artykułu.

Mam jednak dla Ciebie dobrą wiadomość – a nawet dwie. Pierwsza: jeśli uznasz, że opis działania generatora jest zbyt skomplikowany, możesz śmiało pominąć ten fragment. Jeśli chcesz po prostu złożyć Minipianino, możesz nawet zrezygnować z całego wstępu teoretycznego i od razu przejść do sekcji opisującej montaż kolejnych komponentów na płytce. Jeśli wykonasz poprawnie wszystkie opisane tam kroki, układ na pewno zadziała. Druga: jeśli zdecydujesz się jednak na lekturę części teoretycznej, istnieje spora szansa, że zdobędziesz wiedzę, którą wykorzystasz w samodzielnie projektowanych układach elektronicznych, a także świadomie uruchomisz je – na przykład na uniwersalnych płytkach stykowych, z samodzielnie dobranych komponentów. Brzmi kusząco? Owszem. Ale zdecydowanie nie jest to obowiązkowe!

Schemat ideowy Minipianina przedstawiono na rysunku 1, natomiast na rysunku 2 znajduje się jego schemat montażowy. Ułatwia on nie tylko odnalezienie poszczególnych elementów na płytce drukowanej, ale także pozwala szybko sprawdzić poprawność wykonanych połączeń – szczególnie wtedy, gdy pojawia się wątpliwość, czy dwa znajdujące się blisko siebie pady lub ścieżki powinny być ze sobą połączone, czy też pozostać elektrycznie odseparowane.

Rysunek 1. Schemat ideowy układu
Rysunek 2. Schemat montażowy układu

Włącznik zasilania

Prąd z dodatniego bieguna baterii podawany jest za pomocą przylutowanego do płytki przewodu w kolorze czerwonym. Przewód ten przylutowany jest do padu lutowniczego na płytce, łączącego się – za pomocą miedzianej ścieżki – z jednym ze skrajnych wyprowadzeń włącznika oznaczonego na schemacie i płytce za pomocą desygnatora SW1. Włącznik ten umożliwia włączenie lub odłączenie zasilania całego układu, dzięki czemu możemy decydować, kiedy układ pobiera prąd z baterii – a ta ma przecież ograniczoną pojemność i zapewnia tylko określony czas pracy. W prostych, budżetowych zestawach konstruktorzy często rezygnują z montażu włącznika, aby obniżyć koszty produkcji. Wtedy użytkownik musi po zakończonej zabawie samodzielnie przerwać obwód, np. wyjmując jedną z baterii z koszyczka. Choć daje to podobny efekt elektryczny (brak zamkniętej ścieżki przepływu prądu), to jednak szybkie przesunięcie dźwigni włącznika jest znacznie wygodniejsze i mniej naraża elementy na mechaniczne zużycie.

Aby przeczytać ten artykuł kup e-wydanie
Kup teraz
Firma:
AUTOR
Źródło
Elektronika dla Wszystkich sierpień 2025
Udostępnij
Zobacz wszystkie quizy
Quiz weekendowy
Theremin
1/10 Lew Termen i Leon Theremin to ta sama osoba. Które nazwisko pojawiło się później?
UK Logo
Elektronika dla Wszystkich
Zapisując się na nasz newsletter możesz otrzymać GRATIS
najnowsze e-wydanie magazynu "Elektronika dla Wszystkich"