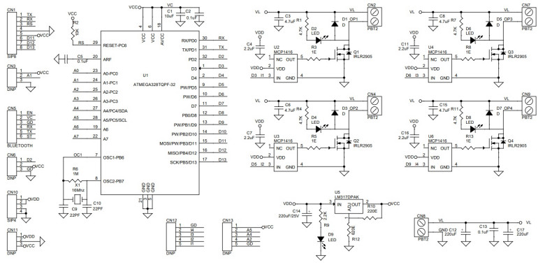
Projekt został zaprojektowany do pracy z obciążeniami DC i zawiera diody freewheeling na wszystkich 4 tranzystorach MOSFET do obsługi obciążeń indukcyjnych, takich jak silniki DC i solenoidy. Urządzenie wymaga podwójnego zasilania, z zasilaniem logicznym 12…15 V i zasilaniem obciążenia 12…48 V. Może jednak również działać z pojedynczym zasilaniem 12…15V poprzez połączenie pinów VDD i VL.
- Zasilanie logiczne 12…15 V
- Zasilanie obciążenia 12…48 V
- Projekt może pracować z pojedynczym zasilaniem, jeśli zasilanie obciążenia wynosi 12…15 V (poprzez powiązanie pinów VDD i VL)
- Obciążenie każdego kanału 3 A
Zastosowania
- 4-kanałowy włącznik/wyłącznik, np. lamp, wentylatorów i innych urządzeń
- 4-kanałowy ściemniacz do regulacji poziomów jasności
- Sterowanie włączaniem/wyłączaniem silnika DC
- Sterowanie prędkością silnika DC
- 4-kanałowy sterownik elektromagnetyczny
Cechy
- Mikrokontroler ATMEGA328 kompatybilny z Arduino
- 4×MOSFETS do przełączania i ściemniania
- 4×stero...
 
			 
			 
			 
                                                     
 
 
 
                                         
                                         
 
 
 
 
 
 
 
 
 
 
 
 
 
 
     
         
     
                                 
     
 
 
 
 
 
                         
                         
                         
                         
                         
                         
                         
                         
                        