Serwisy partnerskie:
Close icon
Serwisy partnerskie

Analizatory NWT - pomiary

Article Image
W drugiej części artykułu o analizatorach NWT omówiony zostanie sposób wykonywania pomiarów. Na początek ważne przypomnienia: Aby pomiary miały jakikolwiek sens, analizator musi być skalibrowany. Zakres częstotliwości, w jakim skalibrowano analizator, musi być co najmniej równy zakresowi częstotliwości, w którym dokonujemy pomiarów.

Podczas pomiarów wobuloskopowych impedancja wejścia i wyjścia badanego urządzenia musi być równa 50Ω.

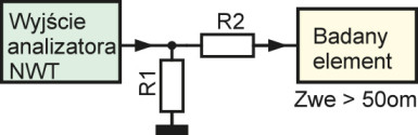
Dopasowanie. Układy radiowe bardzo często projektuje się w taki sposób, by impedancja wejściowa i wyjściowa układu (bloku wielkiej częstotliwości) była równa 50Ω, co bardzo ułatwia pomiary i łączenie ze sobą różnych modułów. Każdy badany obwód podczas pomiarów powinien być obciążony impedancją znamionową. Brak prawidłowego obciążenia zaburza charakterystykę amplitudowo-częstotliwościową badanego układu. Czasami można zauważyć sytuację, w której filtr niezawierający elementów wzmacniających powoduje „wzmocnienie” sygnału. Sygnał wyjściowy „wychodzi” ponad poziom odniesienia (0 dB) wyznaczony podczas kalibracji urządzenia. Dobrym rozwiązaniem jest włączanie stałego tłumika (np. około 10dB) zarówno przed detektorem, jak i na wyjściu wzmacniacza pomiarowego. Poprawia to dopasowanie wejścia i wyjścia wobuloskopu do 50Ω. Utrzymanie impedancji wejściowej i wyjściowej analizatora równej 50Ω w całym zakresie częstotliwości jest naprawdę trudnym zadaniem bez dodatkowych tłumików. W przypadku znacznego niedopasowania załączenie tłumików powoduje zmianę kształtu mierzonego przebiegu, a sam sygnał przesunie się w dół o inną wartość niż wartość tłumienia tłumików. Zastosowanie tłumików powoduje obniżenie dynamiki układu pomiarowego, zmniejszenie różnicy między największym i najmniejszym sygnałem mierzonym przez detektor. Od góry dynamikę analizatora ogranicza liniowość wzmacniacza analizatora oraz maksymalny poziom sygnału, jaki można podać na detektor bez jego nasycenia. Od dołu dynamikę układu ogranicza czułość zastosowanego detektora oraz skuteczność ekranowania. Tłumiki zmniejszają dynamikę analizatora o wartość tłumienia załączonych tłumików. Dobrze wykonany analizator NWT bez załączonych tłumików może osiągnąć dynamikę ponad 80dB. W przypadku gdy impedancja badanego układu różni się od 50Ω, problem dopasowania rozwiązuje się, stosując układy dopasowujące. Podstawowy układ pomiarowy wykorzystujący wobuloskop pokazany jest na rysunku 1.

Rysunek 1.

Dopasowanie rezystancyjne. Funkcję elementów dopasowujących pełnią rezystory. Dopasowanie rezystancyjne jest najbardziej szerokopasmowe. W przypadku gdy musimy przejść na niższą impedancję, wystarczy włączyć z badanym elementem rezystor szeregowy, który wraz z impedancją badanego układu da 50Ω - rysunek 2. Opisana sytuacja jest jednak rzadko spotykana w praktyce.

Rysunek 2.

Znacznie częściej musimy przejść z impedancji 50Ω na wyższą - rysunek 3.

Rysunek 3.

Odpowiednie wartości rezystancji można wyliczyć np. za pomocą programu RFSim99, za pomocą opcji Tools, Design, Match wybierając odpowiedni obwód dopasowujący. Kalkulator obwodów dopasowujących wbudowany jest również w program WinNWT. Wykorzystując kalkulator w zakładce Impedance matching, opcja R, można wyliczyć elementy dopasowania rezystancyjnego. Na przykład badany filtr ma impedancję wejściową 50Ω a wyjściową 500Ω, co uniemożliwia bezpośredni wiarygodny pomiar. Wpisujemy do kalkulatora 50Ω, jako wymaganą wartość Z1, natomiast w polu Z2 wartość bardzo bliską 50Ω np. 50,0000001Ω (wynika to z warunku pokazanego na rysunku, że Z1 < Z2). W polu Z3 wpisujemy 500Ω, w polu Z4 50Ω (impedancja wejścia analizatora). Program wyliczy wartość R1 18033,98Ω i R2 0Ω, ponieważ R1 jest dużo wyższa niż 50Ω, możemy ją pominąć, a R2 traktować jako połączenie elektryczne (zwarcie 0Ω). Wyliczone wartości R1 i R2 wynikają z wpisania wartości R1 różnej od R2. Wpisanie wartości R1 i R2 równych sobie uniemożliwia prawidłowe wyliczenie tłumienia układu dopasowującego - program zgłasza błąd obliczeń. Rezystory R3 i R4 mają odpowiednio wartości 474,34Ω i 52,7Ω, w praktyce z niewielkim błędem pomiarowym autor zastosowałby odpowiednio rezystory 470Ω i 51Ω. Rezystory te muszą być zamontowane jak najbliżej wyjścia mierzonego filtru i mieć jak najkrótsze doprowadzenia.

Tłumienie dopasowania takiego układu wynosi 15,8dB (parametr (dB) Insertion Loss) - rysunek 4. W celu odczytu rzeczywistej wartości tłumienia filtru należy odjąć 15,8dB od zmierzonej wartości tłumienia lub (prościej) wykorzystać opcje Skalowanie i przesunięcie w osi -Y, wpisując wartość tłumienia wyliczonego przez kalkulator. Wadą takiego rozwiązania jest zmniejszenie dynamiki przyrządu o 15,8dB. 

Rysunek 4.

Dopasowanie (auto)tranformatorowe. Większą dynamikę układu pomiarowego i mniejsze tłumienie sygnału można uzyskać, stosując dopasowanie impedancyjne, wykorzystując transformator w.cz. czy obwód rezonansowy LC. W wypadku zastosowania (auto)transformatora powinien on zapewniać odpowiednie pasmo przenoszenia oraz odpowiednią przekładnię. Takie dopasowanie jest szerokopasmowe, a pasmo pracy obwodu dopasowującego zależy od pasma przenoszenia (auto)transformatora. (Auto)transformator powinien mieć reaktancję uzwojeń o wartości co najmniej 10-krotnie wyższej niż wartość dopasowanej rezystancji na częstotliwości pracy. Trzeba też zadbać, aby indukcyjności i pojemności pasożytnicze nie wpływały w istotny sposób na parametry układu w badanym zakresie częstotliwości pracy.

Dopasowanie z wykorzystaniem obwodów LC. Dopasowanie z wykorzystaniem obwodów LC jest dopasowaniem wąskopasmowym, pracującym w ograniczonym zakresie częstotliwości, co może być zarówno wadą, jak i zaletą układu.

Przykładowy układ dopasowania z wykorzystaniem obwodu LC pokazany jest na rysunku 5. Układ dopasowujący LC może tłumić sygnały niepożądane. Wartości elementów obwodu dopasowującego możemy wyliczyć za pomocą programu WinNWT w zakładce Impedance matching opcja L/C - rysunek 6. 

Rysunek 5.
Rysunek 6.

Sondy aktywne. Sondy aktywne nie są układami dopasowującymi, ale gdy mają dużą impedancję, po prostu ich wpływ można pominąć - tak jakby ich nie było. Sondy aktywne przeznaczone do współpracy z analizatorami NWT muszą charakteryzować się wysoką rezystancją wejściową, niską pojemnością wyjściową i impedancją wyjściową 50Ω. Sondy takie jako stopień wejściowy wykorzystują tranzystor FET lub MOSFET. Bardzo dobrze sprawdzają się podczas strojenia rzeczywistych układów, gdyż tylko w bardzo nieznacznym stopniu wpływają na mierzony układ. Można podłączać ją bezpośrednio do badanego układu, bez znaczącego wpływu na wynik pomiaru. Sondę wysokoomową kalibruje się, podłączając ją do obciążenia 50Ω. W przypadku gdy badany układ podnosi napięcie, należy odpowiednio obniżyć poziom wysterowania układu, gdyż można przesterować wejście sondy - rysunek 7. Bardzo ważne jest, by połączenia sondy aktywnej do badanego układu były jak najkrótsze.

Rysunek 7.

Pomiary z użyciem analizatorów serii NWT

Filtry. W przypadku filtrów, wyjście analizatora łączymy z wejściem filtru, a wejście analizatora z wyjściem filtru - rysunek 1, stosując w miarę potrzeby układy dopasowujące. W ten sposób mierzymy wszystkie typy filtrów (pasmowo-przepustowe, pasmowo-zaporowe, dolno- i górnoprzepustowe). Podstawowym parametrem filtru jest jego charakterystyka amplitudowo-częstotliwościowa. W przypadku filtrów projektowanych komputerowo, kształt charakterystyki amplitudowo-częstotliwościowej mierzonego filtru powinien odpowiadać wynikom symulacji komputerowej z uwzględnieniem tolerancji zastosowanych elementów. W przypadku gdy otrzymujemy zbyt małe tłumienie filtru w paśmie zaporowym, winę za to ponoszą sprzężenia pasożytnicze między elementami filtru np. stosowanie cewek z otwartym strumieniem magnetycznym - popularnych dławików w.cz. czy źle zaprojektowana płytka drukowana. Za zbyt duże tłumienie w paśmie przepustowym oraz nieodpowiednią charakterystykę amplitudowo-częstotliwościową, mimo zastosowania elementów o wymaganych wartościach, odpowiada z kolei użycie elementów o małej dobroci (dławiki, kondensatory z ceramiki X7R, X5R). Dopuszczalne są w zasadzie jedynie niewielkie różnice tłumienia filtrów, pomiędzy wynikami symulacji i pomiarów. W przypadku filtrów odtwarzanych z różnych publikacji filtr stroimy tak, aby uzyskać jak najbardziej zadowalającą charakterystykę amplitudowo-częstotliwościową oraz odpowiednią jej równomierność. W przypadku jakichkolwiek wątpliwości, czy filtr zestrojony jest prawidłowo, warto wykonać symulację komputerową układu.

Badanie bloków urządzeń radiowych. Analogicznie do filtrów można mierzyć całe bloki układowe, jak np. wzmacniacze w.cz., układy przemiany częstotliwości itp. Poziom sygnału podany na wejście badanego bloku nie może go przesterować. W przypadku, gdy układ objęty jest jakąkolwiek formą elektronicznej regulacji wzmocnienia (ARW), ALC (Automatic Level Control), pomiary należy wykonać, blokując pracę tego układu, tzn. odłączając blok regulacji wzmocnienia i wymuszając stałe wzmocnienie. W przypadku pomiarów wzmacniaczy większej mocy, maksymalny poziom sygnału na wyjściu wzmacniacza jest często wyższy niż maksymalny dopuszczalny poziom sygnału na wejściu detektora NWT. W takim przypadku należy zastosować tłumiki obniżające poziom sygnału wyjściowego wzmacniacza. W przypadku pomiarów torów przemiany częstotliwości dynamikę pomiarów ogranicza często niedostateczna izolacja między wrotami mieszacza powodująca „przeciekanie” sygnału oscylatora przemiany częstotliwości. Problem ten można rozwiązać, stosując przed wejściem analizatora filtr pasmowoprzepustowy na częstotliwości wyjściowej urządzenia. Wykorzystując analizator NWT, można również określić np. punkt kompresji jednodecybelowej, tzn. poziom sygnału wejściowego, przy którym poziom sygnału wyjściowego rzeczywistego wzmacniacza jest mniejszy o 1 dB od poziomu wyjściowego wzmacniacza idealnie liniowego. W tym wypadku najlepiej wykorzystać sondę liniową detektora.

Pomiary dopasowania i impedancji. Pomiary dopasowania i impedancji wykonuje się za pomocą sprzęgaczy kierunkowych lub mostków do pomiaru dopasowania. - rysunek 8.

Rysunek 8.

Najważniejszym parametrem sprzęgacza jest jego kierunkowość i pasmo pracy. Kierunkowość sprzęgacza mówi nam jak dobrze izolowany jest port sprzężony od fali odbitej od wyjścia. Kierunkowość sprzęgacza zmienia się w funkcji częstotliwości i wpływa na błąd pomiaru, im wyższa kierunkowość, tym mniejszy błąd pomiaru. Autor uważa kierunkowość sprzęgacza na poziomie więszym od 30dB za całkowicie wystarczającą w warunkach amatorskich. Zarówno sprzęgacze jak i mostki do pomiaru dopasowania można kupić na portalach aukcyjnych lub zbudować samodzielnie wykorzystać opisy dostępne w internecie. Przykładowy mostek do pomiaru dopasowania pokazano na rysunku 9. Wykonując ten układ, ważne jest, aby zastosować elementy SMD oraz możliwie najkrótsze doprowadzenia uzwojeń. Pomiar dopasowania (SWR) za pomocą analizatora NWT wykonujemy następująco: podłączamy sprzęgacz kierunkowy lub mostek, wybieramy Tryb SWR, liczbę próbek 9999, NWT, Kanał 1 - kalibracja, pojawi się informacja o konieczności ustawienia SWR na wartość nieskończoną, co możemy osiągnąć na dwa sposoby: zwierając wejście pomiarowe, do którego podłączamy impedancję mierzoną albo nie podłączając do niej żadnego elementu.

Rysunek 9.

Rozpoczęcie kalibracji zatwierdzamy przyciskiem OK. Jeśli kalibracja przebiegła pomyślnie, to zapisujemy jej wynik przyciskiem OK. Poprawność kalibracji można sprawdzić za pomocą oporników SMD o znanej rezystancji np. 50, 100 i 150Ω, co odpowiada wartościom SWR odpowiednio 1, 2 i 3. SWR wyliczamy ze wzoru SWR =50/Z, gdy impedancja Z jest niższa niż 50Ω, lub SWR =Z/50 gdy jest wyższa od 50Ω. Wynika stąd, np. że SWR równy 2 można uzyskać zarówno dla impedancji 25, jak i 100Ω. W przypadku prawidłowo zestrojonych układów w.cz. SWR nie powinien przekraczać wartości 1,5. Pomiar dopasowania należy wykonać po zestrojeniu układu na żądaną charakterystykę amplitudowo-częstotliwościową. Podczas pomiaru dopasowania dokonuje się na ogół tylko niewielkiej korekty strojonych torów, po czym potwierdza się jeszcze prawidłowość zestrojenia, dokonując pomiaru charakterystyki amplitudowo-częstotliwościowej. W przypadku pomiarów impedancji, w szereg z badanym torem należy włączyć opornik 50Ω. Same pomiary wykonuje się analogicznie, jak pomiary dopasowania, wykorzystując sprzęgacz kierunkowy czy mostek do pomiaru dopasowania. Więcej informacji o pomiarach SWR można znaleźć na stronie https://sites.google.com/site/sq5ebo/nwt500.

Rysunek 10.

Pomiar indukcyjności i pojemności. Aby zmierzyć indukcyjność (pojemność), jeden z badanych elementów musi mieć znaną wartość. Wartości obwodu LC wyznaczamy, mierząc częstotliwość rezonansową obwodu - rysunek 10 i wyznaczając wartość nieznanego elementu za pomocą zakładki Kalkulator - rysunek 11. Bezpośrednio przed badanym torem należy włączyć tłumiki po 10dB, schemat takich tłumików pokazano na rysunku 10. W przypadku podłączenia szeregowego cewki mierzymy częstotliwość, na której obwód ma najniższe tłumienie. W przypadku równoległego podłączenia cewki i kondensatora mierzymy częstotliwość, przy której tłumienie jest najwyższe. Zastosowane w tym miejscu tłumiki nie mają znaczenia, mierząc pojedynczy obwód rezonansowy i tak nie wykorzystamy dynamiki przyrządu.

Rysunek 11.

Pomiar mocy. Do pomiarów mocy wykorzystujemy wejście detektora analizatora. Pomiary mocy wykonujemy w zakładce PomiarMocy. Sondę kalibrujemy, wybierając zakładkę MiernikMocy, Pomiary, Kanał 1(2) - kalibracja. Podczas kalibracji program prosi o podanie poziomu sygnału podanego na wejście detektora, a następnie zmierzenie tego samego sygnału po załączeniu tłumika o znanym tłumieniu. Kalibrację potwierdzamy za pomocą przycisku OK. Za pomocą opcji Edycja ustawień Kanału 1 (2) możemy skorygować charakterystykę amplitudowo-częstotliwościową detektora. Program automatycznie skoryguje moc mierzoną, jeśli wybierzemy zakres częstotliwości z rozwijanej listy umieszczonej tuż pod wizualizacją poziomu sygnału za pomocą wskaźnika liniowego poziomu sygnału. W polu Tłumienie (dB) wpisujemy wartość tłumika zewnętrznego, jeśli go zostawiliśmy do rozszerzenia zakresu pomiarowego analizatora. Bez zewnętrznych tłumików dopuszczalny maksymalny poziom sygnału mierzonego wynosi około 17dBm (50mW).

Źródła błędów pomiarowych

Częstym problemem występującym podczas pomiarów filtrów pasmowo-przepustowych są fałszywe rezonanse (sygnały pomiarowe), wywołane częstotliwościami harmonicznymi w widmie generatora. Widoczne są one na wykresach jako piki na częstotliwościach n-krotnie mniejszych niż częstotliwość pracy filtru, np. mierząc filtr pasmowo-przepustowy 10MHz, zobaczymy sygnały o częstotliwościach 5MHz i 3,333MHz, czyli odpowiadające coraz niższym stopniom podziału częstotliwości 10MHz przez liczbę całkowitą. Im mniejszą częstotliwość ustawiono w analizatorze (wyższa harmoniczna sygnału generatora), tym poziom tych sygnałów mniejszy. Problem ten można w dużym stopniu zminimalizować, zapewniając odpowiednią liniowość wzmacniacza wyjściowego analizatora lub wykonując układ z przemianą częstotliwości. Kolejnym problemem, jaki występuje podczas pomiarów, jest niedostateczne tłumienie kabli ekranowanych lub źle zaprojektowana płytka analizatora, niezapewniająca np. dostatecznego ekranowania. Wpływ prądów płynących w ekranie przewodów pomiarowych można zmniejszyć, nakładając na nie rurki ferrytowe z materiału o dużej przenikalności magnetycznej, ściśle przylegające do przewodu ekranowanego. W przypadku przewodu wyjściowego z generatora, rurka ferrytowa powinna być umieszczona jak najbliżej złącza SMA analizatora, a w przypadku wyjścia mierzonego układu, tuż przy nim.

Wiele użytecznych informacji o wykonywaniu pomiarów za pomocą analizatora NWT można znaleźć w dokumencie dostępnym w internecie pod adresem: http://www.hamcom.dk/NWT4000/sweep software_hardware NTW4000-2 USER MANUAL_UK.pdf.

W materiałach dodatkowych na Elportalu umieszczono program RFSim99 w wersji niewymagającej instalacji, pracujący w systemach Windows 7 do 10.

Na zakończenie artykułu autor chciałby podziękować Waldkowi 3Z6AEF i Tomkowi SQ5EBO za cenne uwagi do tego tekstu.

Firma:
Tematyka materiału: Analizatory NWT, Dopasowanie rezystancyjne, RFSim99, Dopasowanie (auto)tranformatorowe, Dopasowanie z wykorzystaniem obwodów LC, Sondy aktywne, Filtry, Badanie bloków urządzeń radiowych, Pomiary dopasowania i impedancji, Pomiar indukcyjności i pojemności, Pomiar mocy
AUTOR
Źródło
Elektronika dla Wszystkich luty - marzec 2021
Udostępnij
Zobacz wszystkie quizy
Quiz weekendowy
Theremin
1/10 Lew Termen i Leon Theremin to ta sama osoba. Które nazwisko pojawiło się później?
UK Logo
Elektronika dla Wszystkich
Zapisując się na nasz newsletter możesz otrzymać GRATIS
najnowsze e-wydanie magazynu "Elektronika dla Wszystkich"