Serwisy partnerskie:
Close icon
Serwisy partnerskie

Przemysłowa przetwornica DC/DC CCG1524-05S firmy TDK-Lambda

Article Image
W ofercie firmy TME znalazły się niedawno przetwornice DC/DC serii CCG produkcji TDK Lambda.

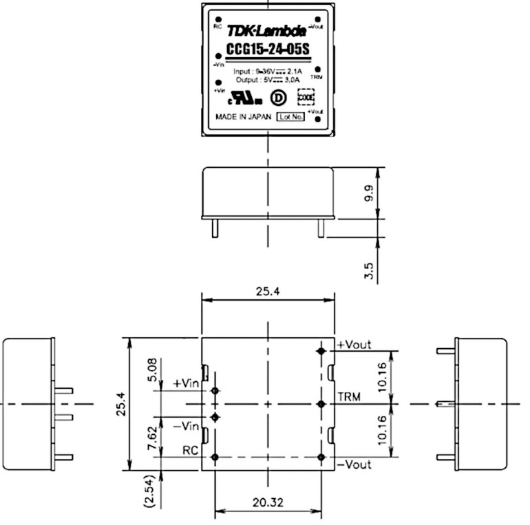
Opisywana przetwornica CCG1524-05S przetwarza stałe napięcie wejściowe z zakresu od 9 V do 36 V na napięcie stałe o wartości 5 V i natężeniu do 3 A. Ze względu na przeznaczenie do pracy w warunkach przemysłowych umieszczona jest w metalowej obudowie w formie „kostki” z kwadratem o boku jednego cala w podstawie. Dokładne wymiary modułu przedstawia Ilustracja 1.

Wymiary przetwornicy

Metalowa obudowa jest ekranem otaczającym dookólnie cały układ. Poza zaciskami napięcia wejściowego i wyjściowego, przetwornica wyposażona jest w widoczne na rysunku wejście „RC” służące do zdalnego włączania i wyłączania napięcia wyjściowego. Funkcja ta może być wykorzystana w układach sterowania, gdzie istotna jest wymagana jest kontrola kolejności w jakiej podawane jest zasilanie na kolejne bloki instalacji. Najpowszechniejszym przykładem takiej sytuacji jest potrzeba zapewnienia stabilnej pracy układów zabezpieczających przed uruchomieniem urządzeń zabezpieczanych. Dokładność wartości napięcia wyjściowego modułu po zakupie jest nie gorsza niż 2% wartości nominalnej, a dokładna regulacja pozwala ustalić napięcie wyjściowe w zakresie w zakresie od 4,5 V do 5,5 . Wartość międzyszczytowa szumów „Ripple & Noise (max) pk-pk” jest mniejsza niż 70 mV. Pozwala to pozwala na spokojne zastosowanie modułu jako źródła napięcia stabilizowanego dla układów automatyki. W karcie katalogowej znajdziemy dokładne parametry układu, w tym także te typowe dla układów przeznaczonych do zastosowań przemysłowych. Producent określa osobno odporność na wstrząsy („Shock”) na poziomie 490 m/s2 (czyli 50 g) i na długoczasowe wibracje, podaje też listę certyfikatów (IEC/EN/UL/CSA60950-1, IEC/EN/UL/CSA62368-1 oraz CE) i zapewnia pięcioletnią gwarancję. Przetwornica ta jest członkiem dość licznego typoszeregu; przegląd dostępnych członków tej rodziny znajdziemy w filmie udostępnionym przez producenta.

Wideo
Do pobrania
Download icon Karta katalogowa
Firma: TDK
Tematyka materiału: Przetwornica DC-DC w wykonaniu przemysłowym
AUTOR
Źródło
www.tme.eu
Udostępnij
Zobacz wszystkie quizy
Quiz weekendowy
Theremin
1/10 Lew Termen i Leon Theremin to ta sama osoba. Które nazwisko pojawiło się później?
UK Logo
Elektronika dla Wszystkich
Zapisując się na nasz newsletter możesz otrzymać GRATIS
najnowsze e-wydanie magazynu "Elektronika dla Wszystkich"