- pomiar temperatury w 64 punktach, ułożonych w matrycy 8×8,
- reprezentacja temperatury każdego punktu przy użyciu barw,
- zakres wyświetlanych temperatur 22…34°C,
- kolorowy wyświetlacz TFT o przekątnej 1,8”,
- częstotliwość odświeżania obrazu ok. 10 Hz,
- zasilanie napięciem 5…18 V.
Prezentowany układ jest kompletną kamerą termowizyjną: zawiera odpowiedni czujnik, wyświetlacz oraz kontroler zarządzający. Czujnik odbiera informacje o temperaturze i dokonuje konwersji na postać cyfrową. Dane są następnie reprezentowane na wyświetlaczu w postaci różnobarwnych punktów. Kamera działa w czasie rzeczywistym, opóźnienie pomiędzy pomiarem a wyświetleniem jest stałe i pomijalnie małe.
Budowa
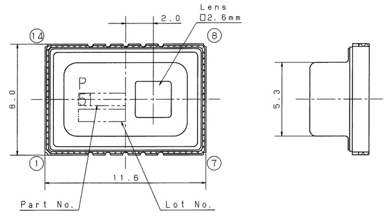
Podstawowym elementem składowym prezentowanego urządzenia jest czujnik typu AMG8833, produkowany przez firmę Panasonic. Zestawienie najważniejszych parametrów znajduje się w tabeli 1, zaś rysunek obudowy samego czujnika pokazano na rysunku 1. W niewielkiej obudowie, o wymiarach 8×11,6 mm, został zawarty kompletny system umożliwiający realizację termowizji – brakuje tylko wyświetlacza.
Pomiar temperatury odbywa się na zasadzie pirometrycznej, czyli poprzez zmierzenie natężenia promieniowania podczerwonego. Temperatura ma bezpośredni wpływ na długość emitowanej fali elektromagnetycznej oraz jej natężenie. W czujniku znajduje się światłoczuła matryca wychwytująca ten rodzaj fal. Sam czujnik również posiada pewną temperaturę, więc sam jest źródłem takiego promieniowania. Do prawidłowej pracy takiego czujnika potrzebna jest również informacja o jego własnej temperaturze, którą należy zmierzyć inną metodą. W przypadku AMG8833, odbywa się to przy użyciu termistora.