Serwisy partnerskie:
Close icon
Serwisy partnerskie

4-kanałowy termometr cyfrowy

Article Image
Elmax
Układ może być wykorzystywany wszędzie tam, gdzie trzeba na bieżąco kontrolować temperaturę w kilku punktach naraz, w dużym zakresie temperatur. Układ potrafi wykryć brak lub uszkodzenie czujnika.

Właściwości - 4-kanałowy termometr cyfrowy

  • 4 kanały pomiarowe
  • zakres pomiaru temperatur: –55°C do +125°C
  • dokładność pomiaru: ±0,5°C (od –10°C do +85°C), ±2°C (od –55°C do +125°C)
  • rozdzielczość odczytu: 0,1°C w całym zakresie
  • nie wymaga kalibracji
  • pole odczytowe: wyświetlacz LCD 2×16
  • zasilanie: 7...16 VDC / 200 mA

Opis układu - 4-kanałowy termometr cyfrowy

Układ może być wykorzystywany wszędzie tam, gdzie trzeba na bieżąco kontrolować temperaturę w kilku punktach naraz, w dużym zakresie temperatur. Dzięki zastosowaniu cyfrowego czujnika DS18B20 o rozdzielczości do 12 bitów, układ może mierzyć temperaturę w zakresie od –55 do 125°C z rozdzielczością 0,1°C. Urządzenie odczytuje temperaturę z czujników w jednym cyklu, co znacznie zwiększa szybkość pomiaru.

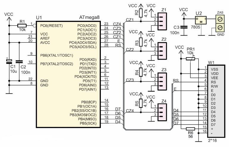
Układ potrafi wykryć brak lub uszkodzenie czujnika, o czym informuje na wyświetlaczu. Na rysunku 1 pokazano schemat ideowy układu. Układ scalony U1 to mikrokontroler ATmega8 taktowany wewnętrznym oscylatorem RC o częstotliwości 1MHz. Rezystor R1 o wartości 10kΩ podciąga wyprowadzenie Reset do Vcc, aby mikrokontroler nie został zresetowany przez zakłócenia podczas pracy.

Rys.1 Schemat ideowy - 4-kanałowy termometr cyfrowy

Napięcie wejściowe podawane jest na stabilizator napięcia U2 typu 7805. Kondensatory C1, C2 oraz C3 filtrują napięcie dla mikrokontrolera. Wyświetlacz LCD podłączono do mikrokontrolera w trybie 4-bitowym. Potencjometr PR1 reguluje kontrast wyświetlacza. Sygnał R/W jest na stałe podłączony do masy, ponieważ jest nieużywany. Do pomiaru temperatury wykorzystano cyfrowe czujniki DS18B20 o dużej rozdzielczości i dokładności pomiaru.

Montaż i uruchomienie - 4-kanałowy termometr cyfrowy

Na rysunku 2 pokazano schemat montażowy, a na fotografii widok zmontowanej płytki. Elementy należy wlutowywać w kolejności od najmniejszych po największe. Podczas montażu należy pamiętać, aby wlutować wszystkie zworki przy gniazdach czujników. Kondensator C1 trzeba wlutować „na leżąco”, gdyż jest on dosyć wysoki i musi się zmieścić pomiędzy wyświetlaczem a płytką. Pod mikrokontroler należy zastosować podstawkę DIP28.

Rys.2 Schemat montażowy - 4-kanałowy termometr cyfrowy

Urządzenie nie wymaga kalibracji ani ustawiania, po włączeniu jest gotowe do pracy. Powinno być zasilane napięciem stałym z przedziału 7...15V. Dla nieodłączonych lub uszkodzonych czujników wyświetlane są kreski. Pomiary z kolejnych czujników są wyświetlane z góry w dół od lewej do prawej strony.

Przykład zabezpieczenia czujnika
Wykaz elementów
Rezystory:
 
R1:
10kΩ
R2-R5:
4,7kΩ
R6:
56Ω
PR1:
potencjometr montażowy 5-10kΩ
Kondensatory:
 
C1:
100uF/16V
C2, C3:
100nF
Półprzewodniki:
 
U1:
Atmega8
U2:
7805
W1:
wyświetlacz LCD 2*16
Pozostałe:
 
Z:
ZWORKA - 4 szt
Z1-Z4:
goldpin kątowy 3pin
CON1:
złącze śrubowe ARK2/500
Czujniki
DS18B20 4szt
Galeria
Firma:
Tematyka materiału: ATmega8, DS18B20
AUTOR
Źródło
Elektronika dla Wszystkich styczeń 2014
Udostępnij
Zobacz wszystkie quizy
Quiz weekendowy
Theremin
1/10 Lew Termen i Leon Theremin to ta sama osoba. Które nazwisko pojawiło się później?
UK Logo
Elektronika dla Wszystkich
Zapisując się na nasz newsletter możesz otrzymać GRATIS
najnowsze e-wydanie magazynu "Elektronika dla Wszystkich"