Serwisy partnerskie:
Close icon
Serwisy partnerskie

Budowa testera wzmacniaczy operacyjnych - opis, montaż, schematy

Article Image
Elmax
W praktyce elektronika dość często zdarzają się sytuacje, że układ dobrze zaprojektowany, lub nawet zrealizowany według sprawdzonego schematu, działa w sposób nieprzewidywalny. Może to oznaczać, że któryś z elementów jest niesprawny. W przypadku elementów dyskretnych jest możliwe ich sprawdzenie z wykorzystaniem miernika uniwersalnego albo prostego testera, natomiast trudniej tego dokonać z układami scalonymi. Dlatego też sprawdzenie sprawności układów scalonych wymaga specjalizowanych testerów, które pozwalają szybko stwierdzić, czy podejrzany element do czegoś się nadaje.

Przedstawiony projekt to tester przeznaczony do sprawdzania wzmacniaczy operacyjnych oraz komparatorów, także tych z wyjściem typu otwarty kolektor. Pozwala on zweryfikować sprawność układu scalonego zawierającego jeden, dwa lub cztery wzmacniacze operacyjne w obudowach DIP8 oraz DIP14. Przedstawione właściwości umożliwiają testowanie większości układów – tych nowoczesnych, a także kilkudziesięcioletnich „dinozaurów”.

Opis układu - tester wzmacniaczy operacyjnych

Koncepcję układu testującego przedstawia schemat na rysunku 1. Wzmacniacz operacyjny (WO), zasilony napięciem symetrycznym, pracuje jako generator relaksacyjny, a jego wyjście obciążone jest źródłami prądowymi. Sprawny wzmacniacz ma dużą impedancję wejściową i prądy jego wejść są znikome, poniżej mikroampera. Zastosowanie rezystorów o wysokiej rezystancji powoduje, że nawet niewielki wzrost prądów wejściowych, związany z podłączeniem nie w pełni sprawnego WO, spowoduje powstanie spadków napięć i w konsekwencji zakłócenia w działaniu generatora, a nawet brak jego działania.

Rys.1 Schemat układu testującego - koncepcja

Wyjście sprawnego wzmacniacza operacyjnego ma wydajność prądową rzędu kilkunastu–kilkudziesięciu mA. Źródła prądowe dołączone na wyjściu generatora powodują, że prądy wpływające i wypływające mają wartość niezależną od napięcia zasilania. Uszkodzone wyjście WO zwykle nie jest w stanie zapewnić odpowiednio dużego prądu i napięcie na wyjściu maleje, przez co generator nie pracuje właściwie.

Ze względu na zasilanie symetryczne prąd z wyjścia może płynąć w dwóch kierunkach – z wyjścia przez źródło prądowe J3 lub do wyjścia przez J2. Obwód z przełącznikiem S i źródłem prądowym J1 podciąga wyjście do plusa zasilania, gdy testowany jest komparator z wyjściem typu otwarty kolektor.

Diody LED świecą wskutek przepływu prądu wyjściowego i w ten sposób sygnalizują działanie generatora. Naprzemienne świecenie diod oznacza, że testowany wzmacniacz jest sprawny, natomiast ciągłe świecenie którejś z diod oznacza, że wzmacniacz jest niesprawny.

Sam układ generatora jest popularnym rozwiązaniem, często spotykanym w literaturze. Pełni on w testerze zasadniczą funkcję, więc warto zapoznać się ze szczegółami jego działania.

Obecność rezystora Rp między wyjściem a wejściem nieodwracającym wprowadza pętlę dodatniego sprzężenia zwrotnego. Rezystor ten razem z Rd tworzą dzielnik napięcia, który zapewnia obecność histerezy.

Jest to zatem przerzutnik Schmitta, w którym sygnał wejściowy podawany jest na wejście „–”. Rezystory Rp i Rd ustalają szerokości histerezy. Na wyjściu WO mogą wystąpić dwa stany, określone przez wartości napięcia: bliskie plusowi zasilania UOH i bliskie minusowi zasilania UOL; w obu przypadkach będzie to stan nasycenia wyjścia.

Rys.2 Przebiegi na kondensatorze i pętla histerezy

Do wejścia odwracającego podłączony jest kondensator C. Obecność rezystora Rn wprowadza ujemne sprzężenie zwrotne. Gdy napięcia na wejściach wzmacniacza operacyjnego zostają zrównane, następuje przełączenie stanu na jego wyjściu i rozpoczęcie procesu przeciwnego do poprzedniego. To skutkuje cyklicznym procesem ładowania / rozładowania kondensatora C i powstaniem przebiegu na wyjściu WO bliskiego kształtem do prostokąta.

Szczegóły na rysunku 2, na którym część A przedstawia przebiegi na kondensatorze (kolor czerwony) oraz na wyjściu WO (kolor niebieski) w jednej linii czasu, natomiast część pokazuje B pętlę histerezy. Zależności napięć UI od UO przedstawiają się następująco:

Schemat urządzenia podzielony jest na dwie części: część testującą – na rysunku 3 oraz zasilacz na rysunku 4.

Rys.3 Tester wzmacniaczy operacyjnych - schemat części testującej
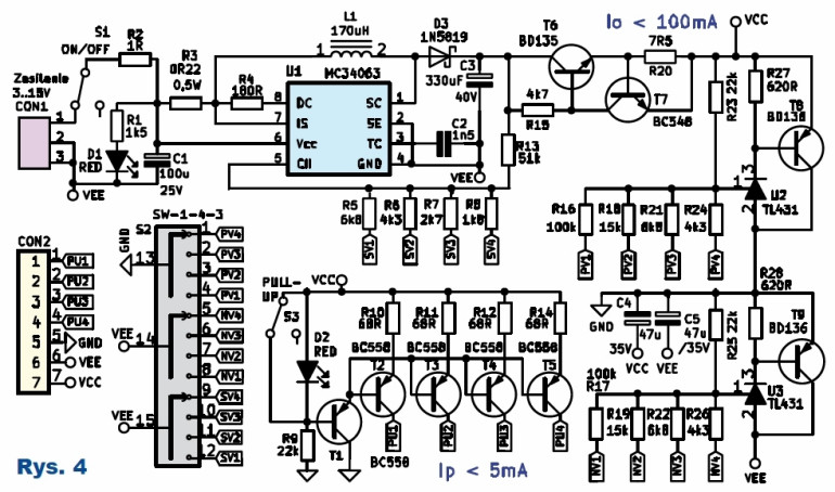
Rys.4 Tester wzmacniaczy operacyjnych - schemat zasilacza

Tester wzmacniaczy operacyjnych - część testująca 

Tester pracuje z trzema odmianami układów scalonych (OAx): pojedynczym wzmacniaczem operacyjnym OA1, podwójnym OA2 oraz poczwórnym OA4. Poszczególne wzmacniacze są na schemacie oznaczone odpowiednio: U1A, U1B, U1C, U1D składające się na poczwórny OA4, U2A – pojedynczy oraz U3A, U3B – podwójny. Analizując schemat, należy mieć na uwadze, że w danej chwili tylko jeden układ scalony jest podłączony do testera (chociaż możliwa jest jednoczesna praca układów OA1 i OA2).

Obecność na schemacie połączonych równolegle wzmacniaczy operacyjnych (pary U1A-U2A, U1C-U3B i U1B-U3A) nie jest zatem błędem, ponieważ w danej chwili tylko jeden z nich jest włożony do testera.

Do wyjścia każdego z testowanych wzmacniaczy podłączone są dwie diody LED sterowane przez źródła prądowe. Reprezentatywnym fragmentem do analizy możne być obwód ze wzmacniaczem U1D i diodami D3, D4. Prąd wypływający z wyjścia U1D przepływa przez diodę D3 oraz przez tranzystor T3, który ma w obwodzie emitera rezystor R9.

Sumaryczne napięcie odłożone na złączu BE tego tranzystora i rezystorze R9 ma wartość taką, jak źródło napięcia wzorcowego, zbudowane na elementach T9, D9, R21. Wartość ta jest ustalana przez spadek napięcia na diodzie LED D9, zasilanej przez rezystor R21. Tranzystor T9 pracuje jako wtórnik napięcia. Z jego emitera dostarczane jest napięcie odniesienia do wszystkich dolnych źródeł prądowych (T1, T3, T5, T7) zasilających diody LED. Rezystory emiterowe R7, R9, R17, R19 wyrównują zmiany napięcia na złączach BE tranzystorów, powodując równomierny rozkład prądów w połączeniach z etykietą „ISRCP”.

Analogicznie jest dla górnej części dostarczającej prąd wpływający do wyjścia U1D. Źródło napięcia odniesienia stanowi obwód z tranzystorem PNP T10 i elementami D10, R22. Połączenie wyjścia źródła napięcia wzorcowego jest oznaczone etykietami „ISRCN”.

Zastosowane rozwiązanie zapewnia niewielką zależność prądu wyjściowego testowanego WO od napięcia zasilania, znacznie lepszą od zastosowania pojedynczych rezystorów w roli ograniczników prądu.

Zasilacz testera wzmacniaczy operacyjnych

Tester ma rozbudowany zasilacz składający się z przetwornicy podwyższającej oraz umieszczonego za nią liniowego regulatora równoległego, wytwarzającego sztuczną masę o potencjale równym połowie napięcia zasilania. Obwód wejściowy zasilacza wyposażony jest w wyłącznik S1, diodę sygnalizacyjną D1 oraz rezystor bezpiecznikowy R2. Przetwornica podwyższająca jest oparta na znanym układzie MC34063 i stanowi jego typową aplikację, której szczegóły działania można znaleźć w karcie katalogowej.

Rezystory R13 wraz z R5…R8 stanowią dzielnik napięcia ustający wartość napięcia za diodą D3. Przełącznik obrotowy S2 ma trzy sekcje, w tym jedną, która łączy jeden z rezystorów R5..R8 z ujemną szyną zasilania Vee, ustalając jedną z 4 wartości napięcia wyjściowego: 9, 15, 23 lub 33V. Napięcie przetwornicy jest większe około 3V od napięcia Vcc i ma to na celu uniknięcie niepotrzebnych strat mocy na ograniczniku prądu.

Za przetwornicą znajduje się ogranicznik prądowy z tranzystorem wykonawczym T6. Jego rola to ograniczanie prądu płynącego przez stabilizator równoległy i zabezpieczenie przed nadmiernym prądem pobieranym przez testowany wzmacniacz operacyjny. Spadek napięcia z rezystora R20 podawany jest na złącze BE tranzystora T7. Kiedy jego wartość przekroczy wartość około 0,6V, tranzystor ten zacznie przewodzić, powodując zmniejszenie prądu polaryzującego bazę T6. Dla wartości R20 jak na schemacie prąd, przy którym zaczyna działać ograniczenie, jest mniejszy od 100mA.

Następnie, za ogranicznikiem znajduje się równoległy stabilizator napięcia. Jego zadaniem jest dostarczenie symetrycznego zasilania dla części testującej wzmacniacze operacyjne. Składa się z dwóch identycznych obwodów równoległego stabilizatora napięcia opartego na układzie TL431 w obudowie TO-92. Zasada działania stabilizatora równoległego polega na poborze takiego prądu ze źródła prądowego T6, że na stabilizatorze powstaje spadek napięcia o wymaganej wartości. Ciągły przepływ prądu przez stabilizator powoduje duże straty mocy, które dla zastosowanej wersji TL431 w obudowie TO-92 wynoszą 700mW.

Z tego powodu konieczne okazało się dodanie tranzystorów zewnętrznych PNP średniej mocy (T8, T9). Stabilizator U2 zasilany jest poprzez rezystor R27, natomiast rezystory R16, R18, R21, R24 stanowią dzielnik ustalający napięcie wyjściowe. To samo zadanie spełniają elementy pracujące z układem U3. Dolne rezystory dzielników podłączone są do pozostałych dwóch sekcji przełącznika S2.

Zadaniem obwodu z tranzystorami T1…T5 jest podciąganie wyjść WO do dodatniej szyny Vcc, w szczególności gdy testowany jest komparator z wyjściem OC (np. LM393). Napięcie odniesienia z obwodu D2, R9 i T1 podawane jest na bazy tranzystorów T2…T5, które pełnią funkcję źródeł prądowych. Prądy z kolektorów doprowadzane są do wyjść testowanych wzmacniaczy poprzez złącze CON2. Przełącznik S3 służy do sterowania pracą obwodu podciągającego. Zwarcie diody D2 powoduje zwarcie bazy T1 do Vcc i w konsekwencji zatkanie wszystkich tranzystorów w tym obwodzie.

Układ może być zasilany pojedynczym napięciem w szerokim zakresie wartości: od 3 do 15V. Pobór prądu kształtuje się na poziomie 0,5A przy zasilaniu 3V oraz 0,1...0,4A dla napięcia 15V.

Fot.1 Tester wzmacniaczy operacyjnych
Fot.2 Tester wzmacniaczy operacyjnych
Fot.3 Tester wzmacniaczy operacyjnych
Fot.4 Tester wzmacniaczy operacyjnych

Montaż i uruchomienie testera wzmacniaczy operacyjnych

Układ modelowy zmontowany został na dwóch płytkach na „kanapkę”, gdzie górna to rodzaj panelu z manipulatorami przełączników oraz podstawkami na testowane układy scalone. Górna płytka jest dwuwarstwowa, a dolna jednowarstwowa; ich mozaikę oraz położenie elementów przedstawiają rysunki 5 i 6. Wygląd modelu pokazują fotografie 1...4 oraz fotografia tytułowa.

Rys.5 Tester wzmacniaczy operacyjnych - górna płytka

Szczególnej uwagi podczas montażu wymagają kondensatory odsprzęgające dolną szynę zasilania, których elektroda dodatnia powinna być podłączona do masy. Tranzystory mocy dobrze jest wlutować z otworami montażowymi na wysokości około 12mm, co ułatwi przykręcenie ewentualnego radiatora. Układ przetwornicy U1 najlepiej wlutować bezpośrednio do płytki. Przełączniki oraz złącza należy zostawić na koniec. Dławik L1 można wykonać samodzielnie, nawijając na ferrytowym rdzeniu 38 zwojów drutem nawojowym o średnicy 0,6mm.

Płytki są połączone ze sobą śrubami M3x30 z nałożonymi nylonowymi tulejkami dystansowymi o długości 20mm. Na wystające końce śrub nakręcone są nylonowe tulejki gwintowane M3x8, stanowiące swego rodzaju stopki. Przed wlutowaniem przełączników i złączy, należy te elementy włożyć luźno w przeznaczone miejsca, po czym skręcić obie płytki. Górna płytka ma otwory na manipulatory przełączników, w których bez żadnego tarcia powinny się poruszać. Po odpowiednim ustawieniu przełącznika należy przylutować na początku jedno wyprowadzenie, następnie pozostałe.

Rys.6 Tester wzmacniaczy operacyjnych - dolna płytka

Podobnie należy postąpić z listwą goldpin łączącą obie płytki – dopiero po uzyskaniu dobrego spasowania można ją przylutować. Ponieważ odległość obu płytek wynosi 20mm, dobrze jest zastosować listwę z długimi pinami, aby uniknąć wydłużania za pomocą dolutowania drucików. Z mechanicznych aspektów pozostaje przymocowanie radiatora do tranzystorów mocy. Może to być cienka blaszka aluminiowa, odpowiednio ukształtowana. Tranzystory do blaszki powinny być przykręcone z użyciem izolacyjnej podkładki mikowej lub silikonowej, chyba że każdy tranzystor będzie miał własny, odizolowany galwanicznie radiator, wtedy można obejść się bez podkładek.

Rys.7 Tester wzmacniaczy operacyjnych obsługuje układy z następującą konfiguracją wyprowadzeń

Uruchomienie testera należy zacząć od zasilacza z odłączoną płytką górną. Kontroli wymaga wartość napięć Vcc oraz Vee dla wszystkich czterech pozycji przełącznika S2, oprócz tego można sprawdzić wydajność prądową zasilacza, która powinna być mniejsza od 0,1A. Po pozytywnym przejściu testu można podłączyć górną płytkę testową. Dobrze jest przygotować sobie różnego typu wzmacniacze operacyjne do przetestowania. Montaż układu w podstawce testera należy wykonać przy wyłączonym zasilaniu.

Fot.5 Adapter do testera wzmacniaczy operacyjnych

Podstawki są podpisane symbolami OA1, OA2, OA4 oznaczającymi liczebność wzmacniaczy w układzie scalonym. Diody sygnalizacyjne są pogrupowane w pary i mają oznaczenia ab, gdzie a to liczebność wzmacniaczy w testowanym układzie (1,2,4), b to numer wzmacniacza w strukturze (UxA…UxD).

Tester obsługuje układy z konfiguracją wyprowadzeń przedstawioną na rysunku 7. Istnieją również inne konfiguracje, jaką ma np. poczwórny komparator LM339. W celu umożliwienia testowania układów z inną topologią można wykonać adapter przykładowo taki jak na fotografii 5.

Wykaz elementów
Płytka testera
 
R1...R6,R11...R16
1MΩ
R7...R10,R17...R20
120Ω
R21,R22
22kΩ
C1...C4,C7,C8
100n
C5,C6
10u/25V
D1,D3,D5,D7,D9,D10
LED R
D2,D4,D6,D8
LED G
T1,T3,T5,T7,T9
BC548
T2,T4,T6,T8,T10
BC558
U1
podstawka DIP14
U2,U3
podstawka DIP8
CON1
listwa gniazdowa GOLDPIN 1x7
Płytka zasilacza
 
R1
1,5kΩ
R2
R3
0R22/0,5W
R4
180Ω
R5,R21,R22
6,8kΩ
R6,R24,R26
4,3kΩ
R7
2,7kΩ
R8
1k8
R9,R23,R25
22kΩ
R10...R12,R14
68Ω
R13
51kΩ
R15
4,7kΩ
R16,R17
100kΩ
R18,R19
15kΩ
R20
7,5Ω
R27,R28
620R
C1
100u/25V
C2
1n5
C3
330uF/40V
C4,C5
47uF/35V
D1,D2
LED RED
D3
1N5819
T1
BC558
T6
BD135
T7
BC548
T8,T9
BD136
U1
MC34063
U2,U3
TL431
CON1
gniazdo DC do druku
CON2
listwa GOLDPIN 1x7 dług. szpilek 20mm
L1
170uH 1A pionowy
S1,S3
dźwigniowy jednoobwodowy, dwupozycyjny
S2
obrotowy trzysekcyjny, czteropozycyjny
Do pobrania
Download icon Budowa testera wzmacniaczy operacyjnych - opis, montaż, schematy
Firma:
Tematyka materiału: tester, wzmacniacze operacyjne, zasilacz
AUTOR
Źródło
Elektronika dla Wszystkich sierpień 2019
Udostępnij
Zobacz wszystkie quizy
Quiz weekendowy
Theremin
1/10 Lew Termen i Leon Theremin to ta sama osoba. Które nazwisko pojawiło się później?
UK Logo
Elektronika dla Wszystkich
Zapisując się na nasz newsletter możesz otrzymać GRATIS
najnowsze e-wydanie magazynu "Elektronika dla Wszystkich"