Serwisy partnerskie:
Close icon
Serwisy partnerskie

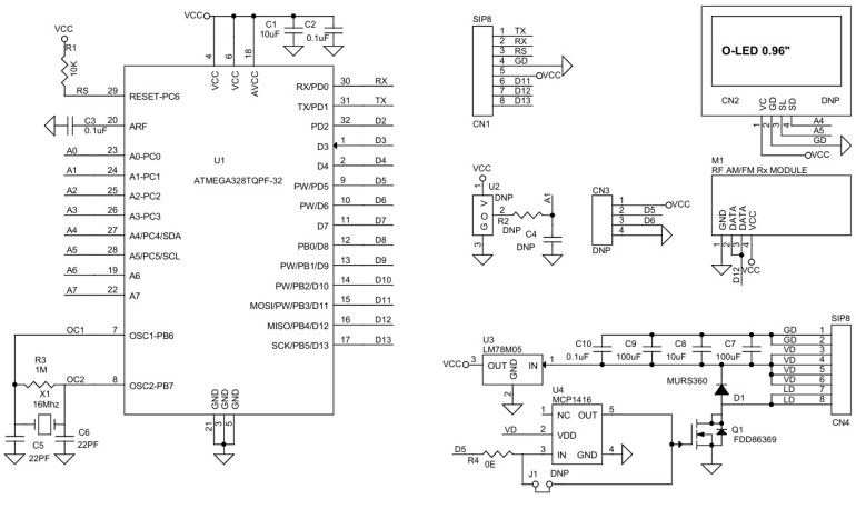
Odbiornik bezprzewodowy 434 MHz – ściemniacz LED – kompatybilny z Arduino

Article Image
Elmax
Bezprzewodowy odbiornik ściemniacza jest komponentem uzupełniającym bezprzewodowy nadajnik potencjometru, zaprojektowanym do odbioru i przetwarzania danych przesyłanych z nadajnika. Projekt ten może być wykorzystany do sterowania diodami LED, grzejnikami lub silnikami szczotkowymi prądu stałego i obsługuje obciążenia indukcyjne lub rezystancyjne. Do sterowania bramką MOSFET służy układ scalony MCP1416.

Bezprzewodowy odbiornik ściemniacza jest komponentem uzupełniającym Bezprzewodowy nadajnik ściemniacza LED 434 MHz, zaprojektowanym do odbioru i przetwarzania danych przesyłanych z nadajnika. Projekt ten może być wykorzystany do sterowania diodami LED, grzejnikami lub silnikami szczotkowymi prądu stałego i obsługuje obciążenia indukcyjne lub rezystancyjne. Do sterowania bramką MOSFET służy układ scalony MCP1416. MOSFET o niskiej rezystancji może sterować obciążeniem indukcyjnym do 3 A i obciążeniem rezystancyjnym do 4 A. Nie należy instalować D1 dla obciążenia 4 A.

Schemat elektryczny

Cechy

  • Zasilanie 12 V DC
  • 8-pinowe złącze programujące
  • Wbudowany moduł odbiornika RF 434 MHz
  • Częstotliwość PWM 980 Hz
  • Zakres cyklu pracy PWM od 0 do 100%
  • MOSFET o niskiej rezystancji dla wysokiego prądu i niskiej temperatury
  • Wymiary płytki drukowanej 52,29 × 31,12 mm

Najważniejsze dane techniczne

  • Obciążalność: do 3 A (indukcyjna)
  • Obciążenie rezystancyjne do 4 A, w tym przypadku nie należy instalo...
Aby kontynuować czytanie wykup prenumeratę
Kup teraz
Galeria
DATA SHEET
Firma:
AUTOR
Źródło
www.electronics-lab.com
Udostępnij
Zobacz wszystkie quizy
Quiz weekendowy
Theremin
1/10 Lew Termen i Leon Theremin to ta sama osoba. Które nazwisko pojawiło się później?
UK Logo
Elektronika dla Wszystkich
Zapisując się na nasz newsletter możesz otrzymać GRATIS
najnowsze e-wydanie magazynu "Elektronika dla Wszystkich"