Serwisy partnerskie:
Close icon
Serwisy partnerskie

Elektryczny respirator do użytku szpitalnego

Article Image
Elmax
Pandemia COVID 19 wywołana przez wirus SarsCov2 szybko rozprzestrzenia się po całym świecie. Wirus SarsCov2 podjął się mutacji i druga fala rozprzestrzenia się wzdłuż różnych krajów na całym świecie. Prawie 148,52 milionów ludzi na całym świecie jest zainfekowanych, a około 3,134 milionów ludzi zostało uznanych za zmarłych w wyniku zakażenia wirusem SarsCov2. Szczepionki do walki z COVID 19 pojawiły się w aptekach. Same szczepionki NIE dają 100 % ochrony na całe życie przed wirusem.

Podaje się również, że większość zarażonych wirusem oprócz temperatury ciała odczuwa również duszności, kaszle i umiera z powodu trudności w oddychaniu. Szpitale w Indiach nie mają wystarczającej ilości butli z tlenem i respiratorów do pompowania tlenu w celu wspomagania oddychania dla tych pacjentów. To doprowadziło do śmierci tak wielu pacjentów cierpiących na COVID 19. Chociaż dostępne są szczepionki przeciwko COVID 19, obecnie dostępną metodą ratowania życia nowo zarażonych pacjentów z COVID 19 jest dostarczanie do szpitali butli z tlenem i tanich respiratorów.

Mając to na uwadze, firma Myna Electrical and Electronics Consultancy opracowała jeden respirator elektryczny. Respirator ten może być używany dla pacjentów z COVID 19 i innych pacjentów mających problemy z oddychaniem. Model tego elektrycznego respiratora został przetestowany przy użyciu oprogramowania w komputerze osobistym. Wyniki symulacji modelu są pomyślne. Model został opracowany z wykorzystaniem przekształtnika energoelektronicznego prądu przemiennego na prąd stały, pracującego w trybie DC. Wejściem jest zasilanie 220 V, 50 Hz AC. Napięcie to jest obniżane do odpowiedniej wartości (24 V, 50 Hz, AC) i podawane na parę dwukierunkowych przełączników IGBT, pracujących w trybie DC. Do wyjścia przekształtnika energoelektronicznego podłączony jest filtr dolnoprzepustowy i dzielnik potencjału do regulacji przyłożonego napięcia. Wyjście tego dzielnika potencjału jest podłączone do twornika silnika PMDC (Permanent Magnet DC). Dwa tryby pracy tego PMDC są możliwe. W pierwszym trybie, DC jest dostarczany z dodatnią polaryzacją do jednego zacisku armatury i drugi ujemny zacisk jest uziemiony. Po określonym czasie, to przyłożone napięcie polaryzacji do zacisków armatury jest odwrócone tak, że silnik PMDC zaczyna się obracać w przeciwnym kierunku. W drugim trybie polaryzacja przyłożonego napięcia stałego pozostaje taka sama przez cały czas, tak że silnik PMDC pracuje tylko w jednym kierunku. Przekładnia i obracająca się tarcza połączone z wałem silnika PMDC za pomocą metalowych ogniw i popychacza zapewniają ruch wału korbowego, jak w silniku parowym, aby nacisnąć i zwolnić plastikowy pojemnik w celu dostarczenia tlenu do pacjenta. Długość tych metalowych ogniw i popychacza musi być dostosowana do wielkości stołu, na którym umieszczony jest ten respirator elektryczny, aby zapewnić pożądaną wydajność.

Respirator elektryczny

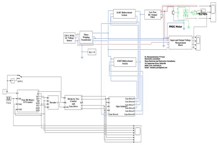
Proponowane schematy blokowe respiratora elektrycznego pokazano na rysunku 1 (A), (B) i (C), a ich ustawienie na rysunku 2. Odnosząc się do rysunku 1(A), napięcie zmienne 220 V, 50 Hz jest podawane na uzwojenie pierwotne trójzwojeniowego transformatora. Dwa napięcia wyjściowe z uzwojenia wtórnego podawane są na parę przełączników dwukierunkowych IGBT, a pozostałe dwa końce uzwojeń wtórnych połączone są razem do masy. Zaciski wyjściowe dwóch przełączników dwukierunkowych są spięte razem i podłączone do filtra dolnoprzepustowego (RF, CF), a następnie do dzielnika potencjału (RPOT). Zacisk zmienny RPOT jest połączony z zaciskiem dodatnim silnika PMDC, a zacisk ujemny jest uziemiony.

Rysunek 1. 
Rysunek 2. 

Układ napędu bramki pokazano na rysunku 1(B). Tutaj wyjście impulsu zegarowego o zmiennej częstotliwości napędza czterobitowy licznik binarny typu up. Określona wartość tego wyjścia licznika jest następnie dekodowana za pomocą bramek logicznych i wyjście impulsu kwadratowego jest podawane jako wejście zegara do licznika dzielenia przez dwa. Wyjście tego licznika dzielenia przez dwa jest podawane na jedno wejście bramki OR, a drugie wejście do bramki OR jest z przełącznika selekcyjnego SSW. Zasilanie +5 V i jego odwrócone wyjście za pomocą bramki NOT stanowią dwa wejścia do SSW. Wybór wejścia +5 V lub UDR za pomocą SSW powoduje, że wyjście Q bramki OR pozostaje zawsze WYSOKIE (+5 V) zapewniając jednokierunkowe obroty dla silnika PMDC. Jeżeli SSW zostanie przestawione w pozycję BDR, wyjście Q bramki OR przyjmuje zarówno stan wysoki jak i niski (0 V) powodując dwukierunkowy ruch silnika PMDC. Wyjście Q bramki OR jest odwracane za pomocą bramki NOT dając wyjście Q_BAR. Wyjścia Q i Q_BAR są podawane na cztery optoizolatory, które tworzą napęd bramki dla pary dwukierunkowych przełączników na rysunku 1(A).

Zasilacz pokazany jest na rysunku 1( C ). Zasilanie 220 V, 50 Hz AC jest podawane na transformator step down, który daje napięcie wyjściowe 9 V, 50 Hz AC. To wtórne napięcie wyjściowe transformatora jest następnie prostowane za pomocą pełnofalowego mostka diodowego, filtrowane i podawane na wejście układu scalonego regulatora napięcia 7805. Wyjście +5 V z regulatora IC tworzy zasilanie dla cyfrowych układów scalonych na rysunku 1 (B). Napięcie +5 V na wyjściu układu scalonego 7805 jest również podawane do czterech przetwornic prądu stałego, z których każda daje na wyjściu napięcie +15 V do zasilania optoizolatora na rysunku 1 (B).

Napęd bramki może być również opracowany przy użyciu wbudowanego mikrokontrolera. Schemat ideowy mikrokontrolera PIC12F683, schemat połączeń napędu bramki oraz schemat blokowy realizacji napędu bramki dla dwukierunkowej pary przełączników IGBT pokazano na rysunkach 3(A), 3(B) i 3(C). Na rysunku 3(A) porty GP0, GP1 i GP4 są portami wyjściowymi. Porty GP2 i GP3 są portami wejściowymi. Do portu GP2 podłączony jest zegar 10 kHz, który stanowi wejście TOCKI. Skala wstępna 1:256 dla zegara jest wybierana za pomocą rejestru OPTION. Port GP0 daje na wyjściu zegar 0,25 Hz z równym czasem włączenia i wyłączenia. Port GP1 zawsze wyprowadza sygnał logiczny wysoki (+5 V), a GP4 zawsze wyprowadza sygnał logiczny niski (0 V). Połączenie napędów bramek pokazano na rysunku 3(B). Wyjścia portów GP1 i GP4 podawane są na przełącznik SPDT oznaczony DSW1. Wyjście Q z portu GP0 oraz wyjście z przełącznika SPDT DSW1 są podane na dwuwejściową bramkę OR. Wyjście bramki OR oraz wyjście odwrócone za pomocą bramki NOT podawane są na cztery optoizolatory, które tworzą napęd bramki dla pary dwukierunkowych przełączników IGBT na rysunku 1(A). Gdy DSW1 jest wyrzucony do portu GP1, wyjście Q bramki OR jest zawsze wysokie, Q_BAR jest zawsze niskie i silnik PMDC obraca się tylko w jednym kierunku. Kiedy DSW1 jest rzucony do portu GP4, Q przyjmuje zarówno wartość wysoką i niską i Q_BAR przyjmuje wartości niską i wysoką w odstępie 2 sekund, a silnik PMDC obraca się w obu kierunkach ze względu na odwrócenie polaryzacji napięcia na zaciskach armatury. Schemat blokowy implementacji układu PIC12F683 do generowania fali kwadratowej 0,25 Hz na porcie GP0 jest pokazany na rysunku 3(C). Aby wygenerować opóźnienie załączenia i wyłączenia po 2 sekundy, wstępnie obliczona cyfra (178) jest ładowana do rejestru TMR0, GP0 jest ustawiany w stan wysoki i TMR0 jest dopuszczony do liczenia w górę. Gdy rejestr TMR0 przepełnia się, flaga przerwania TMRO jest kasowana, GP0 jest ustawiany na niski, a następnie do rejestru TMR0 wgrywana jest wyżej wymieniona, wstępnie obliczona cyfra i odliczana do momentu przepełnienia, proces opóźnienia jest powtarzany, a wyjściem portu GP0 jest impuls kwadratowy o częstotliwości 0,25 Hz.

Rysunek 3.

Model respiratora elektrycznego przedstawionego na rysunku 1 (A) do (C) jest pokazany na rysunku 4 powyżej. Na rysunku 4 wyeliminowano dzielnik potencjału RPOT, dzięki czemu przez zaciski twornika silnika PMDC podawane jest pełne napięcie znamionowe. Na rysunku 2 zamocowano przekładnię, tarczę, łączniki mechaniczne i popychacz. Mimo, że przyczynia się to do pewnego obciążenia silnika PMDC, obciążenie to jest pomijane i stosuje się zerowe obciążenie zewnętrzne. Symulacja modelu z rysunku 4 została przeprowadzona przy zerowym obciążeniu zewnętrznym zarówno dla jednokierunkowego, jak i dwukierunkowego obrotu silnika PMDC. Zostało to przedstawione w następnym rozdziale.

Rysunek 4.

Wyniki symulacji

Na rysunku 4 przełącznik DSW1 został najpierw przestawiony w położenie +5 V (logiczna 1) dla jednokierunkowego obrotu silnika PMDC, a następnie przy przyłożonym do zacisków twornika napięciu znamionowym przeprowadzono symulację, której wyniki przedstawiono na rysunku 5 (A), (B) i (C). Przy ustawieniu przełącznika DSW1 w pozycji zero woltów (logiczne 0) dla dwukierunkowej pracy silnika PMDC przeprowadzono symulację, której wyniki przedstawiono na rysunku 6 (A), (B) i (C).

Rysunek 5.
Rysunek 6.

Omówienie wyników

Przekształtnik AC na AC z konwersją DC jest moim patentem [1]. Na rysunku 5 widać, że przy znamionowym napięciu DC przyłożonym do twornika, prędkość silnika PMDC obraca się tylko w jednym kierunku i osiąga 800 obr/min. Nie jest stosowane żadne obciążenie, a prąd twornika w stanie ustalonym jest znacznie poniżej wartości znamionowej. Na rysunku 6 widać, że przy przyłożonym napięciu znamionowym silnik PMDC obraca się w obu kierunkach, osiągając odpowiednio +200 i -200 obr. W obu przypadkach należy zastosować przekładnie redukcyjne o przełożeniu 1:200 lub wyższym. Również za pomocą dzielnika potencjału RPOT można podawać napięcie na twornik silnika zaczynając od wartości minimalnej i stopniowo zwiększając aż do uzyskania żądanej prędkości i wydajności. Ramię sprzężone z wałem silnika poprzez przekładnię zębatą porusza się do przodu i do tyłu popychając i zwalniając plastikowy pojemnik z powietrzem tłocząc tlen do pacjenta. Prędkość i czas trwania pchania i uwalniania plastikowego pojemnika z powietrzem może być zmieniana poprzez zmianę częstotliwości zegara. Długość tego popychacza, częstotliwość zegara, przełożenie przekładni i napięcie przyłożone do twornika silnika mogą być ustalone tylko po mechanicznym ustawieniu na stole.

Wnioski

Przedstawiono nowatorską metodę opracowania elektrycznego respiratora z wykorzystaniem opatentowanego przeze mnie konwertera AC na AC do DC pracującego w trybie DC wraz z silnikiem PMDC oraz z wynikami symulacji. Wyniki symulacji pokazują, że przy odpowiednim napięciu DC przyłożonym do twornika silnika za pomocą dzielnika potencjału, stosując odpowiednie przełożenie przekładni prędkościowej i zmieniając częstotliwość taktowania możliwe jest osiągnięcie pożądanej wydajności zarówno w jednokierunkowym, jak i dwukierunkowym trybie obrotu silnika PMDC.

[1] Narayanaswamy P R Iyer: “A Single Phase AC to PWM Single Phase AC and DC Converter” (Alternatywny tytuł: “Swamy Converter”), Patent, Wydział Inżynierii, The University of Nottingham, Nottingham, UK, listopad 2013.

Artykuł Electric Ventilator For Hospital Use opracowano w wersji polskiej na podstawie współpracy z portalem www.electronicsforu.com.

Firma:
Tematyka materiału: SarsCov2, COVID 19, wirus, szpital, respirator, PMDC
AUTOR
Źródło
www.electronics-lab.com
Udostępnij
Zobacz wszystkie quizy
Quiz weekendowy
Theremin
1/10 Lew Termen i Leon Theremin to ta sama osoba. Które nazwisko pojawiło się później?
UK Logo
Elektronika dla Wszystkich
Zapisując się na nasz newsletter możesz otrzymać GRATIS
najnowsze e-wydanie magazynu "Elektronika dla Wszystkich"