Serwisy partnerskie:
Close icon
Serwisy partnerskie

Wskaźnik poziomu paliwa z wyświetlaczem OLED

Article Image
Elmax
Projekt ten umożliwia pomiar poziomu paliwa w zbiorniku za pomocą rezystancyjnego czujnika pływakowego, który jest mierzony i wyświetlany na wyświetlaczu OLED. Projekt jest kompatybilny z Arduino i wyposażony w mikrokontroler ATMEGA328. Czujnik rezystancyjny, podłączony do rezystora dzielnika, jest połączony z pinem analogowym A0 układu Arduino. Wyświetlacz OLED jest podłączony do pinów I²C mikrokontrolera. Ogólnie rzecz biorąc, wyświetlacz OLED z wizualizacją typu igłowego i zakresem pojemności paliwa od 0 do 100% zapewnia jasne, dokładne i łatwe do odczytania wskazanie poziomu paliwa, co czyni go niezbędnym elementem wyposażenia nowoczesnych pojazdów.

Cechy

  • Zasilanie 5 V DC
  • Wyświetlacz OLED 9,6″
  • Projekt kompatybilny z Arduino
  • Obsługuje dowolny czujnik rezystancyjny 2-przewodowy lub 3-przewodowy
  • Wbudowane złącze do programowania bootloadera i Arduino
  • Wymiary płytki drukowanej 27,62×28,73 mm

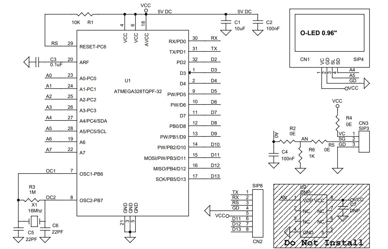
Schemat ideowy

Czujnik

Czujnik rezystancyjny służy do pomiaru poziomu paliwa, a w połączeniu z rezystorem dzielnika 1 kΩ generuje wartość analogową w zakresie od 795 do 980. Sygnał analogowy jest następnie podłączany do pinu A0 przetwornika analogowo-cyfrowego (ADC) układu Arduino. Układ Arduino ocenia sygnał wejściowy, a następnie wyświetla poziom paliwa na wyświetlaczu OLED.

Uwaga: Różne czujniki mogą generować różne wartości wyjściowe. Aby zapewnić dokładność odczytów, zaleca się przyporządkowanie prawidłowej wartości w kodzie Arduino zgodnie z wyjściem konkretnego czujnika. Ten etap kalibracji ma kluczowe znaczenie dla uzyskania wiarygodnych pomiarów poziomu paliwa.

Schemat podłączenia

Kod Arduino

Kod Arduino do testowania projektu je...

Aby kontynuować czytanie wykup prenumeratę
Kup teraz
Galeria
DATA SHEET
Wideo
Firma:
AUTOR
Źródło
www.electronics-lab.com
Udostępnij
Zobacz wszystkie quizy
Quiz weekendowy
Theremin
1/10 Lew Termen i Leon Theremin to ta sama osoba. Które nazwisko pojawiło się później?
UK Logo
Elektronika dla Wszystkich
Zapisując się na nasz newsletter możesz otrzymać GRATIS
najnowsze e-wydanie magazynu "Elektronika dla Wszystkich"