Serwisy partnerskie:
Close icon
Serwisy partnerskie

Inklinometr z 17-segmentowym wyświetlaczem słupkowym

Article Image
Elmax
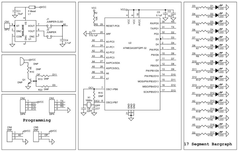
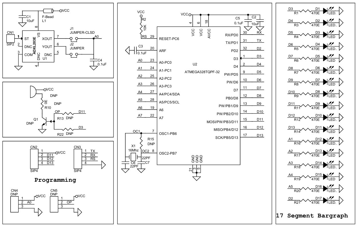
Projekt ten jest inklinometrem opartym na układzie akcelerometru ADXL203/ADXL103 i mikrokontrolerze Arduino ATMEGA328. Urządzenie mierzy nachylenie i wyświetla je na 17-segmentowym wyświetlaczu słupkowym. ADXL203 dostarcza wartość analogową, która jest odczytywana przez przetwornik analogowo-cyfrowy A0 mikrokontrolera ATMEGA328 i wyświetlana na wykresie słupkowym LED. Projekt zawiera również opcjonalny wbudowany brzęczyk i obwód sterujący, które mogą być użyte do wywołania alarmu przy określonym stopniu nachylenia.

Funkcja, o której mowa powyżej nie jest domyślnie zainstalowana na płytce, ale może zostać dodana w razie potrzeby.

Wbudowane zworki lutowane J1 i J2 służą do wyboru osi X lub Y układu ADXL, ponieważ układ ma 2 osie. Istnieje możliwość użycia układu jednoosiowego ADXL103, zamiast dwuosiowego ADXL203.

Obwód brzęczyka można podłączyć do styku D3 lub D11 mikrokontrolera za pomocą rezystora SMD 2,2 K 5% (R22 dla D3 lub R13 dla D11). Zalecany brzęczyk to typ 12 mm – 5 V, a tranzystor Q1 to BC847 SOT23-3.

Schemat ideowy

Programowanie Arduino

Płytka ma złącze 4×2 piny do programowania bootloadera i Arduino. Więcej informacji na temat programowania Arduino i instalacji bootloadera dla układu ATMEGA328 można znaleźć pod adresem: https://docs.arduino.cc/built-in-examples/arduino-isp/ArduinoToBreadboard/.

Kod Arduino jest dostępny do testowania płytki, jednak należy pamiętać, że może zawierać błędy. Zachęcamy użytkowników do eksperymentowania i modyfikowania kodu w celu dostosowania go do kon...

Aby kontynuować czytanie wykup prenumeratę
Kup teraz
Galeria
DATA SHEET
Wideo
Firma:
AUTOR
Źródło
Elektronika dla Wszystkich wrzesień 2025
Udostępnij
Zobacz wszystkie quizy
Quiz weekendowy
Theremin
1/10 Lew Termen i Leon Theremin to ta sama osoba. Które nazwisko pojawiło się później?
UK Logo
Elektronika dla Wszystkich
Zapisując się na nasz newsletter możesz otrzymać GRATIS
najnowsze e-wydanie magazynu "Elektronika dla Wszystkich"