Serwisy partnerskie:
Close icon
Serwisy partnerskie

Pojemnościowy czujnik wilgotności do konwertera wyjścia analogowego

Article Image
Elmax
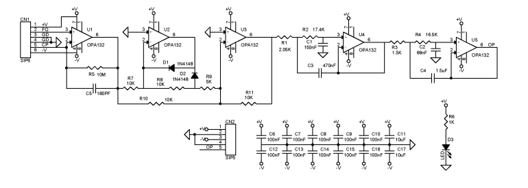
Przedstawiony tutaj projekt to płytka konwertera analogowego pojemnościowego czujnika wilgotności odpowiednia do różnych zadań związanych z pomiarem wilgotności. Obwód pochodzi z noty aplikacyjnej Texas Instruments (patrz poniżej). Większość konwencjonalnych pojemnościowych czujników zbliżeniowych wytwarza sygnał cyfrowy, ale ten obwód wytwarza napięcie wyjściowe DC, które jest funkcją wilgotności względnej otoczenia. Wejście oscylatora dla tego obwodu jest źródłem sygnału sinusoidalnego o częstotliwości 1 kHz (1 Vpp) podawanego na wejście FQ. Niska częstotliwość i przebieg sinusoidalny ograniczają problemy RFI do minimum. Ten konwerter wyjściowy czujnika może okazać się trudny do skonstruowania ze względu na małe pojemności, pasożytnicze pojemności w obwodzie czujnika i wychwytywanie szumów. Obwód wymaga zewnętrznej fali sinusoidalnej 1 kHz z sygnałem 1 Vpp i działa z podwójnym zasilaniem 15 V DC.

Obwód składa się z kompletnego wzmacniacza ładunku do wykrywania zmian pojemności czujnika pojemnościowego. Po wzmacniaczu ładunku następuje obwód wartości bezwzględnej, który służy jako prostownik pełnookresowy. Ta część obwodu przekształca zmienny sygnał AC ze wzmacniacza ładunku na napięcie DC, jednak to napięcie DC jest niefiltrowane i zawiera tętnienia częstotliwości nośnej.

Schemat pojemnościowego czujnika wilgotności do konwertera wyjścia analogowego

Kolejna część obwodu pobiera napięcie stałe i przepuszcza je przez 2-stopniowy, 4-biegunowy filtr dolnoprzepustowy w celu usunięcia tętnień. Skutkuje to napięciem stałym, które jest funkcją wzmocnienia wzmacniacza ładunku. Do zaprojektowania 4. stopnia filtru wykorzystano narzędzie Filter_Pro_v1.3.

Poprzedni obwód wzmacniacza ładunku wytwarza stabilny poziom DC dla stałego wzmocnienia wzmacniacza ładunku. Na poniższym schemacie pojemność czujnika wejściowego jest zmieniana na 3 różne wartości, 160, 180 i 200pF, co skutkuje trzema różnymi wzmocnieniami wzmacniacza ładunku i odpowiadającymi im po...

Aby kontynuować czytanie wykup prenumeratę
Kup teraz
Galeria
DATA SHEET
DATA SHEET
Wideo
Firma:
Tematyka materiału: Pojemnościowy czujnik wilgotności do konwertera wyjścia analogowego, Texas Instruments, OPA132
AUTOR
Źródło
www.electronics-lab.com
Udostępnij
Zobacz wszystkie quizy
Quiz weekendowy
Theremin
1/10 Lew Termen i Leon Theremin to ta sama osoba. Które nazwisko pojawiło się później?
UK Logo
Elektronika dla Wszystkich
Zapisując się na nasz newsletter możesz otrzymać GRATIS
najnowsze e-wydanie magazynu "Elektronika dla Wszystkich"