Serwisy partnerskie:
Close icon
Serwisy partnerskie

Praktyczny kurs op-ampów 24. Generator fali prostokątnej

Article Image
Z jednym op-ampem, trzema rezystorami i kondensatorem możesz zbudować układ, który generuje piękne przebiegi prostokątne. Dzięki niewielkiej rozbudowie możesz przekształcić ten układ w generator impulsów z regulacją ich szerokości i częstotliwości.

Schemat generatora

To może być prostsze!

Z generatora funkcyjnego omówionego w odcinku tego kursu „Generator funkcyjny” można uzyskać przebieg prostokątny. Jeśli nie potrzebujesz przebiegu trójkątnego, można zbudować prostsze układy do generowania samej fali prostokątnej. W końcu w większości przypadków potrzebujesz takich sygnałów tylko do sterowania układami cyfrowymi i wtedy nie korzystasz z przebiegu trójkątnego. Dlatego w tym artykule omawiamy najprostszą metodę generowania sygnału prostokątnego za pomocą op-ampa. Schemat jest pokazany na poniższym rysunku.

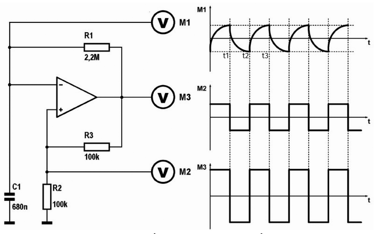
Podstawowy schemat op-ampa jako generatora przebiegu prostokątnego 

Schemat

W układzie widać podwójne sprzężenie zwrotne: rezystancyjne między wyjściem a wejściem dodatnim, obwód RC między wyjściem a wejściem ujemnym. Działanie układu ilustrują wykresy po prawej stronie.

Przyjmij, że po włączeniu napięcia zasilania napięcie wyjściowe op-ampa jest równe dodatniemu napięciu zasilania. Za pomocą dzielnika napięcia R2-R3 połowa tego napięcia wyjściowego dotrze do wejścia dodatniego. Przyjmijmy, że kondensator C1 został całkowicie rozładowany. Napięcie na wejściu ujemnym jest bardziej ujemne niż na wejściu dodatnim, napięcie wyjściowe jest równe dodatniemu napięciu zasilania.

Kondensator zaczyna się ładować poprzez rezystor R1. Rośnie więc napięcie na wejściu ujemnym i po pewnym czasie staje się ono większe od napięcia na wejściu dodatnim. Stan na wyjściu Op-ampa zmienia się, napięcie wyjściowe osiąga wartość ujemnego napięcia zasilania. Wejście dodatnie jest ustawione na połowę tego napięcia. Kondensator zaczyna się rozładowywać, ponieważ R1 jest podłączony do bardzo ujemnego napięcia. Po pewnym czasie napięcie na wejściu ujemnym staje się mniejsze od napięcia na wejściu dodatnim, stan na wyjściu Op-ampa zmienia się ponownie.

Zmieniając wartości C1 i R1, możesz zmieniać częstotliwość. W punkcie pomiarowym M3 możesz to poznać po szybkości, z jaką wskazówka miernika przesuwa się z jednego końca skali do drugiego. Na wyjściu układu pojawia się przebieg prostokątny, którego częstotliwość zależy od szybkości ładowania i rozładowywania kondensatora C1 przez rezystor R1. Wystarczy więc zmieniać wartość któregoś z tych elementów, aby sterować częstotliwością. Zazwyczaj przełącza się kondensator, aby wybrać zakres częstotliwości i używa potencjometru w miejscu R1 do sterowania częstotliwością w wybranym zakresie.

Symetryczny czy asymetryczny?

Rozbudowa obwodu o regulację szerokości impulsu

Układ pokazany na podstawowym schemacie generuje w przybliżeniu symetryczną falę prostokątną. Przedział czasowy t1-t2 jest w przybliżeniu równy przedziałowi czasowemu t2-t3. Przy niewielkich rozszerzeniach można przekształcić ten układ w generator impulsów, który może generować wąskie impulsy dodatnie lub ujemne. Uniwersalny schemat generatora impulsów z op-ampem został pokazany na schemacie poniżej. Za pomocą dwóch diod ładowanie i rozładowywanie kondensatora jest kontrolowane oddzielnie przez dwa rezystory R3 i R4. Jeśli napięcie wyjściowe op-ampa jest dodatnie, to D1 nie przewodzi, a D2 pracuje w kierunku przewodzenia. Prąd ładowania popłynie przez D2, jego wielkość jest określona przez wartość rezystora R4. Jeśli wyjście jest ujemne, D2 nie przewodzi, a D1 pracuje w kierunku przewodzenia. Kondensator C1 jest wtedy rozładowywany przez rezystor R3.

Na wykresach po prawej stronie, napięcia w różnych punktach obwodu są wykreślone dla dwóch różnych ustawień potencjometrów. W jednym przypadku układ generuje wąskie impulsy ujemne, w drugim nieco węższe impulsy dodatnie.

Rozbudowa obwodu o regulację szerokości impulsu

Ten eksperyment pokazuje, że można włączyć op-ampa do systemu cyfrowego zbudowanego z układów CMOS. Często w systemie cyfrowym potrzebny jest oscylator zegarowy, a wszystkie bramki dostępne w stosowanych cyfrowych układach scalonych są zajęte przez inne funkcje. Wtedy taniej jest zastosować tani op-amp, niż wprowadzać nowy cyfrowy układ scalony, którego tylko połowa lub jedna czwarta jest wykorzystywana.

Jedno ostrzeżenie: zwykłe tanie op-ampy, takie jak 741 i 3140, są w zasadzie układami małej częstotliwości. Nie jest możliwe za pomocą tych układów generowanie impulsów o czasach narastania rzędu kilkudziesięciu nanosekund, jak to jest możliwe w przypadku układów cyfrowych. Ta właściwość op-ampów ogranicza przydatność tych układów w systemach cyfrowych.

Firma:
Tematyka materiału: Generator fali prostokątnej
AUTOR
Źródło
Elektronika dla Wszystkich październik 2023
Udostępnij
Zobacz wszystkie quizy
Quiz weekendowy
Poziomy logiczne
1/10 Jakie rodziny układów logicznych są najczęściej stosowane współcześnie?
Oceń najnowsze wydanie EdW
Wypełnij ankietę i odbierz prezent
W tym numerze znajdziesz źródłową wersję artykułu publikowanego obok
Elektronika dla Wszystkich
październik 2023
Elektronika dla Wszystkich
Przejrzyj i kup
UK Logo
Elektronika dla Wszystkich
Zapisując się na nasz newsletter możesz otrzymać GRATIS
najnowsze e-wydanie magazynu "Elektronika dla Wszystkich"