W zależności od potrzeb konkretnego urządzenia, sieci RS-485 muszą być projektowane dla różnego zasilania magistrali, napięcia zasilania interfejsu logicznego, długości i przepustowości sieci. W rezultacie projektanci muszą wybierać, testować i kwalifikować wiele różnych transceiverów RS-485 dostępnych na rynku, aby spełnić specyficzne wymagania danej aplikacji. Ponadto projektanci systemów opracowują różne płytki drukowane (PCB) dla węzłów końcowych i środkowych w sieci, ponieważ węzły końcowe zwykle wymagają rezystora końcowego w celu poprawy jakości sygnału. Proces ten zużywa zasoby projektowe, zwiększając czas i koszt projektowania systemu oraz opóźniając jego wprowadzenie na rynek.
Opisany w dalszej części artykułu układ THVD1424 zapewnia projektantom systemów elastyczność korzystania z tego samego urządzenia w dowolnej lokalizacji węzła (węzeł końcowy i węzeł środkowy), w dowolnej sieci – dwuprzewodowej (half-duplex) lub czteroprzewodowej (full-duplex) i o dowolnej prędkości transmisji. Podejście, jakie zapewnia ten transceiver, pozwala na uproszczenie projektu urządzeń – można zaprojektować tylko jedną PCB dla różnych urządzeń i skonfigurować działanie interfejsu za pomocą oprogramowania do różnych potrzeb i aplikacji, oszczędzając w ten sposób czas i wysiłek związany z projektowaniem, przyspieszając moment wprowadzenia nowego urządzenia na rynek.
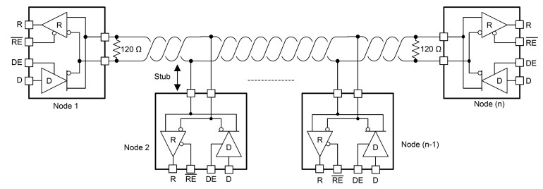
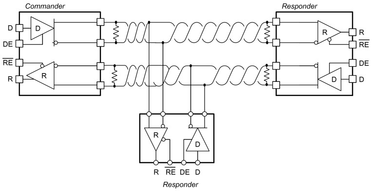
Typowe sieci RS-485 i potrzeba terminacji
Na rysunkach 1 i 2 zostały pokazane typowe sieci RS-485 odpowiednio w konfiguracji full-duplex oraz half-duplex. W tych obu topologiach drivery, odbiorniki i transceivery biorące udział w komunikacji łączą się z głównym łączem kablowym za pośrednictwem tzw. końcówek sieciowych (stub). Odgałęzienia te to odległość elektryczna między transceiverem a magistralą kablową i zasadniczo reprezentuje fragment linii magistrali bez terminacji.
Implementacja sieci w trybie full-duplex wymaga dwóch par sygnałów (czterech przewodów) oraz transceiverów działających w tym trybie z oddzielnymi liniami dostępu do magistrali dla nadajnika i odbiornika. Sieć w takim trybie umożliwia węzłom sieci jednoczesne przesyłanie danych w jednej parze i odbieranie danych w drugiej parze, dzięki czemu uzyskuje się wysoką efektywną przepustowość sieci. W sieci half-duplex używana jest z kolei tylko jedna para sygnałów, co wymaga, aby nadawanie i odbieranie danych odbywało się w różnych momentach czasu. Taka konfiguracja zmniejsza cenę okablowania sieciowego (w porównaniu z siecią z full-duplex) kosztem zmniejszonej przepustowości.
Większość transceiverów RS-485 dostępnych na rynku może działać w trybie half-duplex lub full-duplex, co oznacza, że różne urządzenia mają różnie wyprowadzone piny i obudowy. Jest to pierwszy problem dla projektantów systemów, polegający na konieczności wyboru różnych urządzeń do różnych platform projektowych, w zależności od tego, czy ma to być interfejs full-, czy half-duplex.
Sygnał elektryczny wędruje przewodami (medium fizyczne) od drivera do wszystkich odbiorników w sieci. Podczas sterowania siecią impedancja wyjściowa sterownika (TX) jest niska, podczas gdy impedancja wejściowa odbiornika (RX) jest zwykle wysoka (na poziomie kΩ). Jak pokazano na rysunku 3, za każdym razem, gdy sygnał napotyka niedopasowanie impedancji, takie jak odgałęzienia węzłów środkowych (w punktach A i B) lub piny wejściowe odbiornika (w węźle n), pewna ilość sygnału jest odbijana w przewodzie, co zakłóca sygnał i pogarsza jakość transmisji. Współczynnik odbicia (r) jest opisany równaniem 1.