Serwisy partnerskie:
Close icon
Serwisy partnerskie

Zniekształcenia i obwody zniekształcające, część 1

Article Image
Temat zniekształceń należy do podstawowych zagadnień w elektroakustyce i wielu innych dziedzinach elektroniki. Jak już sama nazwa wskazuje, zniekształcenia to coś, co zmienia kształt przebiegu. To dość szeroka definicja, obejmująca również efekt działania idealnych układów filtrujących; na przykład filtr dolnoprzepustowy „zaokrągla” ostre zbocza fali prostokątnej. Jednak termin „zniekształcenia” jest używany najczęściej w odniesieniu do wpływu nieliniowości obwodów na sygnały. Takie właśnie zjawiska wyjaśnimy szczegółowo w niniejszym artykule. Zniekształcenia we wzmacniaczach, filtrach itp. stanowią zwykle wadę. Istnieją jednak przypadki, gdy są zjawiskiem pożądanym.

Zniekształcenia wynikają oczywiście z niedoskonałości układów wzmacniających, które powinny tworzyć dokładną kopię sygnału wejściowego przy dużym poziomie mocy. Sygnał wyjściowy ma jednak w praktyce nieco inny kształt niż sygnał wejściowy.

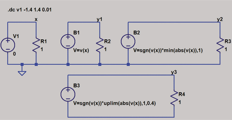
W przypadku wzmacniaczy audio ilość wytwarzanych zniekształceń jest zwykle charakteryzowana przez wynik pomiaru „całkowitych zniekształceń harmonicznych” (THD). Zniekształcenia spowodowane nieliniowością dodają do sygnału wyjściowego nowe składowe o częstotliwościach, których na wejściu nie było. Używane jest tutaj określenie „harmoniczne”, ponieważ w najprostszym przypadku fali sinusoidalnej (pojedyncza częstotliwość), zniekształcenia wprowadzają do sygnału składowe o częstotliwościach będących całkowitymi wielokrotnościami częstotliwości oryginalnej, czyli jej harmoniczne. „THD” jest zatem miarą ilości harmonicznych wprowadzanych przez zniekształcenia i służy jako wskaźnik jakości wzmacniaczy i innych układów.

Idealny, liniowy filtr, o którym wspominałem wyżej, nie dodaje do sygnału wyjściowego żadnych nowych częstotliwości, których by nie było w sygnale wejściowym, więc nie wprowadza zniekształceń harmonicznych. Zmienia on jedynie względne amplitudy częstotliwości składowych obecnych w sygnale wejściowym, i przez to powoduje zmianę kształtu fali.

Zniekształcenia muzyczne

Zniekształcenia nieliniowe są zwykle niepożądane. Aczkolwiek mają one także użyteczne zastosowania, a szczególnie znanym tego przypadkiem są efekty stosowane w elektronice muzycznej. Znaczny poziom zniekształceń nieliniowych w układach elektroakustycznych brzmi zwykle szorstko i nieprzyjemnie. Odpowiednio użyte, mogą być jednak przydatnym narzędziem twórczym. Rozpatrując to w kategoriach muzycznych – zmiana kształtu fali zmienia jej barwę. Barwa to cecha dźwięku muzycznego inna niż wysokość (częstotliwość podstawowa) czy głośność. To właśnie barwa odróżnia dźwięki różnych instrumentów grających tę samą nutę z tą samą głośnością, a możliwość zmiany barwy instrumentu zwiększa zakres ekspresji muzycznej. Jeśli wyjdziemy od dźwięku „czystego” (zbliżonego do fali sinusoidalnej), to niewielka ilość zniekształceń doda mu ciepła i ziarnistości. Większa ilość zniekształceń spowoduje, że dźwięk stanie się bardziej rozmyty, szorstki, zgrzytliwy. Jeśli zamiast czystego tonu poddamy zniekształceniu dźwięk złożony, powstały efekt zabrzmi zwykle o wiele ostrzej. Użycie zniekształceń w muzyce kojarzy się powszechnie z gitarą elektryczną i muzyką rockową. Są tam szeroko stosowane zniekształcające efekty gitarowe („fuzz” i „distortion”; przypis redaktora). Zniekształcenia można jednak stosować do dowolnego instrumentu, również do głosu ludzkiego, i w różnych gatunkach muzycznych. Przypis redaktora: silnie zniekształcony dźwięk, odpowiednio filtrowany i w kontrolowany sposób dodawany do sygnału wyjściowego, wykorzystuje urządzenie „exciter”, chętnie używane do obróbki np. głosu wokalisty czy instrumentów perkusyjnych. Użycie tego urządzenia „rozjaśnia”, „nasyca” i „ożywia” brzmienie instrumentu.

Zastosowania w efektach muzycznych

W kilku numerach czasopisma „Practical Electronics” (kwiecień/maj 2022) opublikowano projekt Digital FX autorstwa Johna Clarke’a. Projekt zawiera różnorodne efekty dźwiękowe dla muzyków. Był ukierunkowany głównie na efekty stosunkowo złożone, takie jak phasing, chorus i pitchshifting, ale znalazło się też miejsce na efekty oparte na zniekształceniach. Mniej więcej rok wcześniej John opublikował projekt podłogowego efektu przesterowania („Nutube Guitar Overdrive and Distortion Pedal”; „Practical Electronics”, marzec 2021). Zainspirowani tymi projektami przyjrzymy się podstawom powstawania zniekształceń (w tym podstawom pomiaru THD), zbadamy parę symulacji w SPICE związanych ze zniekształceniami oraz – w części 2. – rozpatrzymy kilka podstawowych układów używanych do tworzenia efektów opartych na zniekształceniach.

Aby przeczytać ten artykuł kup e-wydanie
Kup teraz
Firma:
AUTOR
Źródło
Elektronika dla Wszystkich grudzień 2025
Udostępnij
Zobacz wszystkie quizy
Quiz weekendowy
Theremin
1/10 Lew Termen i Leon Theremin to ta sama osoba. Które nazwisko pojawiło się później?
UK Logo
Elektronika dla Wszystkich
Zapisując się na nasz newsletter możesz otrzymać GRATIS
najnowsze e-wydanie magazynu "Elektronika dla Wszystkich"