Oscylatory VCO na pasmo akustyczne są często układami skomplikowanymi i wymagającymi regulacji, dlatego też producenci syntezatorów i keyboardów odeszli od nich na rzecz syntezy cyfrowej lub banków próbek PCM. Pojedynczy układ DDS potrafi zaoferować wszystkie przebiegi w zakresie częstotliwości od miliherców do megaherców, z wysoką stabilnością częstotliwości. Jednakże podejście analogowe ma swój urok wynikający z niezwykłej płynności pracy, znacznie większych możliwości tworzenia brzmień w syntezatorach modularnych, a także z... niedoskonałości układów. Dlatego też syntezatory te tak naprawdę nigdy nie zniknęły, a obecnie są bardzo poszukiwane. Spójrzmy zatem na rozbudowany oscylator VCO do syntezatora modularnego.
Oscylator „z kosmosu”
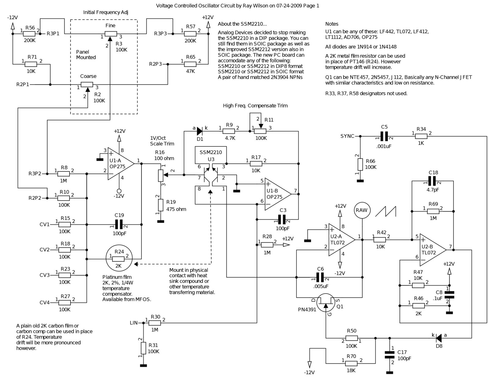
Omawiany układ oscylatora pochodzi ze strony Music From Outer Space [1] i został opracowany przez Raya Wilsona w 2009 roku. Układ ten oferuje szereg przebiegów do wyboru, a także wejście synchronizacji. Rysunek 1 pokazuje pierwszą część oscylatora: stopień wejściowy z mieszaczem czterech wejść CV, wejściem liniowym, konwerterem wykładniczym i oscylatorem generującym przebieg piłokształtny. Wzmacniacz U1A, wraz z towarzyszącymi komponentami, sumuje i redukuje napięcie sterujące do wartości 20 mV/V. Napięcie to trafia na bazę jednego z tranzystorów w układzie SSM2210, które pracują jako para różnicowa w pętli sprzężenia zwrotnego układu U1B. Ponieważ para różnicowa ma sprzężenie termiczne z rezystorem R24 (o specjalnie dobranym współczynniku termicznym), układ naturalnie kompensuje zmiany temperatury tranzystorów, zmieniając nieznacznie swoje wzmocnienie. Potencjometr R16 pozwala wyregulować skalowanie napięcia kontrolnego względem częstotliwości wyjściowej. Wzrost napięcia sterującego o 1 V powoduje dwukrotny wzrost prądu płynącego przez prawy tranzystor pary SSM2210. Elementy D1, R9 i R11 umożliwiają pobór większego prądu z dalszej części obwodu przy wyższych napięciach sterujących.
Prąd płynący do pinu 1 układu U3 powoduje, że układ U2A z kondensatorem C6 (w konfiguracji integratora) zaczyna podnosić liniowo napięcie na swoim wyjściu od 0 V do V+. Układ U2B pracuje jako komparator porównujący napięcie z wyjścia U2A z napięciem ustalonym przez dzielnik złożony z rezystorów R46 i R47. Wyjście U2B ma wartość bliską ujemnemu napięciu zasilania V– tak długo, jak sygnał na wyjściu U2A jest poniżej wartości około 2,2 V. Gdy jednak napięcie to zostanie przekroczone, na wyjściu pojawi się napięcie około 10,8 V, które przez diodę D8 ładuje kondensator C17, a zarazem poprzez R50 otwiera tranzystor Q1. Ten ostatni zwiera kondensator C6, resetując integrator. Ponieważ bramka Q1 ma bardzo wysoki opór, a prąd wsteczny D8 jest pomijalnie mały, kondensator C17 rozładowywany jest przez R70. Proces resetowania układu całkującego trwa około 1 μs, a przełączanie komparatora z napięcia ujemnego na dodatnie i z powrotem na ujemne – około 3 μs. Wejście LIN umożliwia liniową zmianę częstotliwości oscylacji układu poprzez modyfikację wartości prądu płynącego przez układ U3. Gdy na wejściu SYNC pojawia się sygnał, kondensator C5 i współtowarzyszące elementy wymuszają zresetowanie układu całkującego przy zboczu narastającym. Potencjometry R2 i R3 (umieszczone na panelu urządzenia) pozwalają na zgrubne i dokładne ustawienie częstotliwości oscylacji dla zadanego poziomu sygnału CV.