Serwisy partnerskie:
Close icon
Serwisy partnerskie

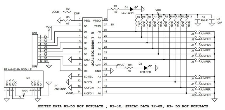
8-kanałowy zdalny odbiornik RF z protokołami Holtek i szeregowym

Article Image
Elmax
Opisywany tutaj projekt to 8-kanałowy zdalny odbiornik RF (dekoder). Ten 8-kanałowy dekoder został zbudowany przy użyciu układu LICAL-EDC-DS001 firmy LINX. Płytka składa się z układu kodera/dekodera, modułu odbiornika RF 433 MHz i 10 zworek do ustawiania adresu. Ponadto dostępne jest złącze nagłówka do wyprowadzania danych, które idealnie nadaje się do sterowania urządzeniami zewnętrznymi, na przykład przekaźnikami. Wszystkie wyjścia są kompatybilne z logiką TTL, normalnie są niskie i przechodzą w stan wysoki, gdy ważny sygnał zostanie odebrany i zdekodowany przez układ. Dioda LED zasilania D2, dioda LED D1 wskazuje prawidłowy sygnał transmisji. Wszystkie wyjścia są chwilowe (nie zatrzaskowe).

Konfiguracja systemu

Prosty system zdalnego sterowania składa się z kodera, nadajnika RF, odbiornika RF i dekodera. Koder jest podłączony do 8 przycisków, koder wykrywa zamknięcie jednego z przełączników i przekształca go w cyfrowy strumień danych. Dane te są następnie wysyłane do nadajnika RF, który przekazuje je w wolną przestrzeń. Odbiornik RF odbiera dane i wysyła je do dekodera. Dekoder analizuje dane i, jeśli są one prawidłowe, replikuje zamknięcie przełącznika na wyjściu. Wyjście to jest następnie podłączane do dowolnego obwodu, który ma być sterowany. Wszystkie wyjścia są chwilowe i logiczne TTL.

Ten dekoder i koder z serii DS jest idealny do aplikacji zdalnego sterowania. Dekoduje on sygnał odbierany przez moduły RF 433 MHz. Gdy układ DS wchodzi w tryb dekodera, sprawdza stan linii DIN. Jeśli jest on wysoki, linia P_SEL jest sprawdzana w celu ustawienia używanego protokołu i dekoder odbiera dane. Porównuje on adres w odebranym pakiecie ze swoimi lokalnymi linia...

Aby kontynuować czytanie wykup prenumeratę
Kup teraz
Galeria
DATA SHEET
Wideo
Firma:
Tematyka materiału: 8-kanałowy zdalny odbiornik RF (dekoder), LICAL-EDC-DS001
AUTOR
Źródło
www.electronics-lab.com
Udostępnij
Zobacz wszystkie quizy
Quiz weekendowy
Theremin
1/10 Lew Termen i Leon Theremin to ta sama osoba. Które nazwisko pojawiło się później?
UK Logo
Elektronika dla Wszystkich
Zapisując się na nasz newsletter możesz otrzymać GRATIS
najnowsze e-wydanie magazynu "Elektronika dla Wszystkich"