Serwisy partnerskie:
Close icon
Serwisy partnerskie

8-kanałowy pilot zdalnego sterowania ESP32

Article Image
Elmax
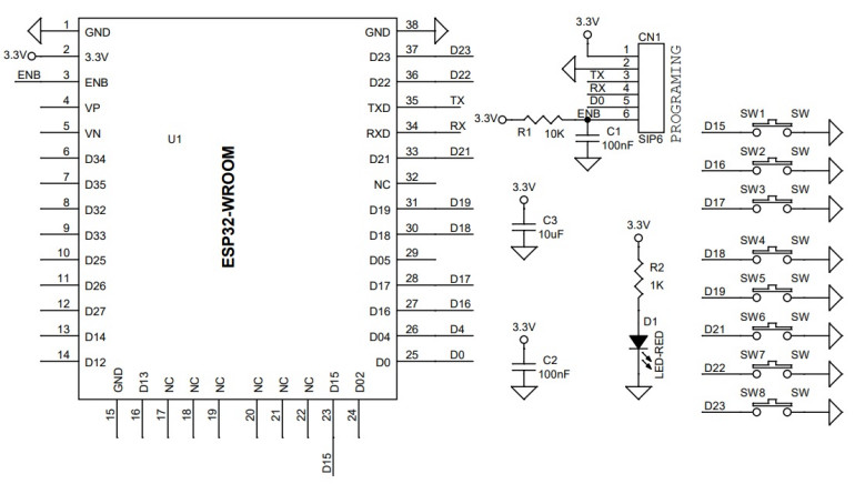
Jest to 8-kanałowy pilot w kompaktowej obudowie, odpowiedni do zdalnego włączania/wyłączania za pomocą protokołu Bluetooth lub Wi-Fi. Do płytki przylutowano moduł ESP32 i 8 przełączników dotykowych podłączonych do różnych GPIO. Obwód działa z zasilaniem 3,3 VDC, a do zasilania płytki można użyć baterii litowo-jonowej. Wbudowana dioda LED wskazuje zasilanie modułu. Na pokładzie znajduje się złącze, które pomaga użytkownikom programować moduł ESP32 za pomocą Arduino IDE. Użytkownicy muszą napisać własny kod, aby korzystać z modułu zgodnie z własnymi wymaganiami.

Więcej informacji o module ESP32 i programowaniu: randomnerdtutorials.com

Cechy

  • Zasilanie 3,3 V DC
  • Złącze programowania na pokładzie dla ESP32
  • Na pokładzie 8 przełączników dotykowych
  • Otwory montażowe 2×3 mm
  • Wymiary płytki drukowanej 80,65×33,66 mm

Połączenia i inne szczegóły

  • CN1 Wejście programowania i zasilania: Pin 1 = 3,3 V DC, Pin 2 = GND, Pin 3 = TX, Pin 4 = RX, Pin 5 = GPIO0, Pin 6 = Enable
  • SW1:GPIO15, SW2:GPIO16, SW3:GPIO17, SW4:GPIO18, SW5:GPIO19, SW6:GPIO21, SW7:GPIO22, SW8:GPIO23
  • D1: Dioda LED zasilania

Aby kontynuować czytanie wykup prenumeratę
Kup teraz
Galeria
DATA SHEET
Firma:
Tematyka materiału: 8-kanałowy pilot w kompaktowej obudowie
AUTOR
Źródło
www.electronics-lab.com
Udostępnij
Zobacz wszystkie quizy
Quiz weekendowy
Theremin
1/10 Lew Termen i Leon Theremin to ta sama osoba. Które nazwisko pojawiło się później?
UK Logo
Elektronika dla Wszystkich
Zapisując się na nasz newsletter możesz otrzymać GRATIS
najnowsze e-wydanie magazynu "Elektronika dla Wszystkich"