Serwisy partnerskie:
Close icon
Serwisy partnerskie

Automatyczny wyłącznik nadprądowy - budowa, schematy, montaż

Article Image
Elmax
Jak zbudować układ automatycznie odłączający obciążenie po wykryciu nadmiernego poboru prądu? W niniejszym artykule znajdziesz dokładny opis układu wraz ze schematami oraz instrukcją montażu i uruchomienia.

Układ monitoruje pobór prądu, gdy przekroczy on ustawiony próg, odłącza obciążenie za pomocą przekaźnika. Co istotne, pomiar prądu odbywa się po „dodatniej” stronie zasilania, natomiast masa wyjściowa jest bezpośrednio połączona z wejściem. Próg wyłączenia można regulować w zakresie 10mA – 1A, a napięcie wejściowe może wynosić od 5V nawet do 40V. Stan „bezpiecznika” jest sygnalizowany za pomocą dwóch diod LED i może być ręcznie zmieniany przy użyciu przycisków.

Automatyczny wyłącznik nadprądowy - opis układu

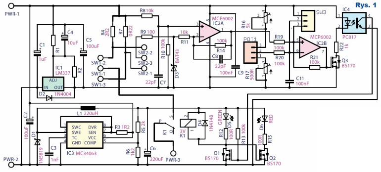
Schemat pokazany na rysunku 1 podzielony jest na dwie oddzielnie zasilane sekcje. Miejsce pomiaru prądu nie jest zagadnieniem nad którym wcześniej bym się zastanawiał, ale podczas poszukiwań w Internecie trafił do mnie szczególnie jeden argument: łatwo jest przypadkowo zewrzeć element układu, nad którym pracujemy, do masy zasilacza, co w przypadku pomiaru w obwodzie masy zupełnie pominęłoby zabezpieczenie.

Oczywiście możliwa jest również sytuacja odwrotna, jednak jest ona dużo mniej prawdopodobna. Obciążenie jest podłączone za pośrednictwem normalnie otwartego styku przekaźnika (osobiście jestem wielkim fanem „klikania” przekaźników). Ma to na celu samoczynne odłączenie zasilania w przypadku uszkodzenia układu lub zaniku napięcia wejściowego. Napięcie zasilania przekaźnika musi być dosyć niskie, na pewno niższe niż minimalne napięcie wejściowe, np. 3V. Problem rodzi się, gdy na wejściu zostanie podłączone dużo wyższe napięcie, np. 24V, co przy poborze 100mA dałoby ponad 2W mocy strat na stabilizatorze liniowym.

Rys.1 Automatyczny wyłącznik nadprądowy - schemat

Dobrze byłoby do tego celu wykorzystać dużo bardziej ekonomiczną przetwornicę DC-DC. Niestety prawie wszystkie układy przetwornic, które znam lub byłem w stanie znaleźć w internecie, mają wspólną masę między wejściem a wyjściem, więc wejścia wzmacniacza musiałyby wtedy pracować dużo powyżej napięcia zasilania. Istnieją wzmacniacze przeznaczone dokładnie do takich zastosowań, w których Common Mode Voltage sięga kilkudziesięciu woltów poza napięcie zasilania.

W poszukiwaniach konieczne jest szczęście, ponieważ wyszukiwarki sklepów zwykle nie wyróżniają szczególnie takich układów, jak również nie prezentują szczegółowo parametrów. Udało mi się znaleźć np. MAX4172 (Maxim). Alternatywą mogłoby być użycie wzmacniacza, który mógłby pracować przy pełnym zakresie napięć zasilania. Znalezienie takiego również nie jest proste, ale mógłby to być np. LTC6101 (Linear Technology). Tak czy owak byłby to wydatek rzędu 20zł, a żaden z tego typu układów nie jest dostępny w obudowie do montażu przewlekanego.

Ostatecznie zdecydowałem się na „swoisty podział w zasilaniu” – część pomiarowa, o znikomym poborze prądu, jest zasilana z liniowego stabilizatora napięcia ujemnego LM337 (IC1). Natomiast część wykonawcza z przekaźnikiem i diodami – z przetwornicy zbudowanej na bazie układu MC34063 (IC3). Sygnał włączenia/wyłączenia bezpiecznika jest przekazywany za pomocą transoptora PC817 (IC4).

Pozwala to na zastosowanie taniego wzmacniacza operacyjnego MCP6002, którego kilka sztuk pozostało mi po prototypach VU metera. Może on pracować przy bardzo niskim napięciu zasilania, w tym przypadku 2,5V. Pomiar prądu jest wykonywany na rezystorach R4 lub R7. Pierwszy, o wartości 2,2Ω 1%, jest wykorzystywany w zakresie 10mA – 100mA, natomiast drugi, 0,22Ω 1%, w zakresie 100mA – 1A.

Do przełączania między zakresami wykorzystano zwykły przełącznik dwusekcyjny. Jedna sekcja przełącza rezystor, do którego jest podłączone obciążenie (ścieżka oznaczona pogrubioną linią na schemacie), natomiast druga – wejście wzmacniacza. Jest to konieczne, aby nie mierzyć napięcia na rezystancji styków przełącznika. Może ona wynosić kilkadziesiąt mΩ, co wprowadzałaby duży błąd. Napięcie na rezystorze pomiarowym będzie wynosić 22mV – 220mV. Napięcie to jest wzmacniane ok. 10-krotnie przez wzmacniacz IC2A.

Kondensatory C7 i C8 służą filtrowaniu składowych wysokich częstotliwości, które mogą pojawić się w napięciu z zasilacza. Dioda D3 zabezpiecza wejście odwracające układu w przypadku zwarcia obciążenia (napięcie wejściowe może wtedy znaleźć się poniżej dolnej szyny zasilania). Rezystor R9 ogranicza wtedy prąd płynący przez diodę (dioda nie może być podłączona bezpośrednio do wejścia WO, ponieważ jej prąd wsteczny znacząco wpływałby na wynik pomiaru).

Układ trzech potencjometrów, R16, R17 oraz POT1, dostarcza napięcia odniesienia. R16 i R17 to potencjometry montażowe, które służą do kalibracji zakresu dla potencjometru POT1, którym z kolei dokonuje się właściwej regulacji prądu zadziałania.

Wzmacniacz IC2B pracuje w układzie przerzutnika Schmitta (z dodatnim sprzężeniem zwrotnym). Przerzutnik ten zmienia stan wyjścia na wysoki, gdy napięcie na wejściu nieodwracającym przekroczy dwukrotność napięcia odniesienia, podanego na wejście odwracające. To jest – pod warunkiem że napięcie na wyjściu jest równe ujemnemu napięciu zasilania, czyli napięciu masy.

Tak oczywiście nie jest, nawet w przypadku wzmacniacza z wyjściem rail-to-rail, jakim jest MCP6002. Napięcie to może być natomiast bardzo bliskie tego limitu pod warunkiem, że wyjście jest bardzo słabo obciążone. Tak właśnie jest w tym przypadku: jedyne obciążenie stanowi bramka tranzystora Q3 oraz rezystory R21 i R19, o wartości 100kΩ.

Po przekroczeniu nastawionej wartości prądu przerzutnik przełącza się ze stanu niskiego na wysoki. Do ponownego przełączenia w stan niski konieczne byłoby podanie na wejście napięcia ujemnego, nie jest więc możliwe samoczynne zresetowanie układu. Służy do tego przycisk, który na krótki czas zwiera wejście odwracające do napięcia zasilania. Analogicznie drugi przycisk, podłączony do wejścia nieodwracającego, pozwala na ręczne odłączenie obciążenia.

Przycisk resetu na pierwotnym schemacie według rysunku 2 zawierał dodatkowy układ składający się z kondensatora i rezystora (C10, R18). Miał on zapobiegać

uszkodzeniu obciążenia przez wciśnięcie przycisku na stałe. Pojedyncze wciśnięcie podłącza obciążenie na pewien krótki czas, lecz jeśli po jego upływie prąd nadal przekracza nastawioną wartość, jest ono odłączane. W czasie testów ta część układu była wielokrotnie przeze mnie modyfikowana, po pierwsze przez podłączenie elementów C10 i R18 bezpośrednio do wejścia wzmacniacza (podobnie jak C11), a ostatecznie po prostu usunięta, gdyż nie sprawdzała się w praktyce. Ostateczną wersję prezentuje schemat z rysunku 1.

Pozostała część układu jest już trywialna: tranzystor MOSFET Q1 steruje transoptorem odpowiadającym za translację napięć, natomiast Q2 i Q3 – diodami i przekaźnikiem.

Ciekawym dla mnie aspektem konstrukcji układów tego typu są źródła błędów pomiaru i sposoby radzenia sobie z nimi.

Błędy pomiaru, które można zlikwidować przez kalibrację:

  • Błąd wzmocnienia wzmacniacza różnicowego, wynikający z tolerancji rezystorów R8, R9 + R11, R10 oraz R14.
  • Wejściowe napięcie niezrównoważenia wzmacniaczy.
  • Odchylenie napięcia zasilania, wynikające z tolerancji rezystorów R1 i R2.

Inne czynniki, których nie da się łatwo wyeliminować w tak prostym układzie:

  • Tolerancja boczników pomiarowych, w tym przypadku 1% – możliwa jest kalibracja dla jednego z rezystorów, ale nie obydwu. Aby nie pogarszać jeszcze sytuacji, ważne jest, aby pomiar odbywał się jak najbliżej wyprowadzeń rezystorów, w tym sensie, aby nie mierzyć dodatkowo napięcia odkładającego się na ścieżkach do nich prowadzących.
  • Współczynniki temperaturowe rezystorów. Będą one miały wpływ przede wszystkim na napięcie odniesienia (R1/R2, wszystkie potencjometry), a w drugiej kolejności na napięcie na rezystorach pomiarowych.
  • Współczynnik stabilizacji napięciowej układu LM337 – napięcie odniesienia będzie się zmieniać w zależności od napięcia wejściowego.
  • Nieliniowość potencjometru POT1.
  • Nierówne wzmocnienie napięcia dodatniego i ujemnego przez wzmacniacz różnicowy, wynikające z tolerancji wykonania rezystorów.
  • Współczynnik temperaturowy wejściowego napięcia niezrównoważenia wzmacniaczy.
  • Dryf parametrów związany ze starzeniem się elementów, obejmujący m.in. wejściowe napięcie niezrównoważenia.

Patrząc na tę litanię, trudno się dziwić, że precyzyjna elektronika musi dużo kosztować :) Wiele parametrów zależy tutaj od temperatury, dlatego dobrze, aby urządzenie samo dla siebie nie było grzejnikiem – na szczęście w tym przypadku tak nie jest i przy używaniu go w temperaturze pokojowej nie powinien być to duży problem. Dodatkowo w praktyce trudno za pomocą jednego potencjometru ustawić jakikolwiek parametr z dokładnością większą niż kilka procent – ze względu na ograniczenia mechaniczno-geometryczne (1% z 270º stopni to 2,7º, co na mojej podziałce o średnicy 2,5cm manifestuje się jako odstęp około pół milimetra).

W testach, które przeprowadziłem, układ sprawował się zaskakująco dobrze. Próbowałem m.in. uszkodzić tranzystor małej mocy BC547, podłączając emiter bezpośrednio do masy, a bazę i kolektor do napięcia 5V – mimo wielokrotnych prób nie byłem w stanie doprowadzić do jego trwałego uszkodzenia. Oczywiście, trudno jest mi stwierdzić, w jakim stopniu zmieniły się właściwości tranzystora po takim potraktowaniu, natomiast nadal był on w stanie wzmacniać prąd stały. Niewielka dioda LED natomiast takiego testu nie wytrzymała i po ok. 10 cyklach dokonała żywota.

Montaż i uruchomienie automatycznego wyłącznik nadprądowego

Układ został zmontowany na jednostronnej płytce drukowanej, z wykorzystaniem montażu przewlekanego. Układ płytki przedstawiają rysunek 3 oraz fotografia 4. Przy kompletowaniu elementów należy zwrócić uwagę na napięcie znamionowe kondensatorów C1 i C2 – powinno ono wynosić co najmniej 50V, ponieważ są one podłączone bezpośrednio do napięcia wejściowego. Przełącznik i przekaźnik powinny cechować się obciążalnością zestyków „z zapasem”, ponieważ muszą one wielokrotnie wytrzymać przepływ dużego prądu podczas zwarcia (nawet jeśli tylko przez krótką chwilę).

Rys.3 Automatyczny wyłącznik nadprądowy - płytka z układem (rysunek)

Jako rezystory R4 i R7 najlepiej byłoby wykorzystać dedykowane boczniki do pomiaru prądu. Ja takowych nie miałem, zamiast tego zastosowałem rezystory o mocy 5W i tolerancji 1% przeznaczone, jak mi się wydaje, do budowy zwrotnic głośnikowych. Ich wadą jest niska stabilność temperaturowa.

Fot.4 Automatyczny wyłącznik nadprądowy - płytka z układem

Dwa elementy zostały zamontowane poza płytką – są widoczne na schemacie montażowym na rysunku 5. Pomiędzy zaciskami wyjściowymi znajduje się dioda D7, mająca rozładowywać obciążenia indukcyjne po ich odłączeniu – nie mogła ona znaleźć się na płytce, ponieważ omija ją przewód masy prowadzący od zasilania do obciążenia. Druga dioda (D8), w obwodzie masy zasilania płytki, sprawia, że w przypadku zwarcia wyjścia kondensatory C1 i C2 nie rozładują się natychmiastowo, a zamiast tego pozwalają na pracę układu do czasu odłączenia obciążenia. O konieczności jej zastosowania pomyślałem niestety dopiero po zmontowaniu PCB.

Rys.5 Schemat montażowy - automatyczny wyłącznik nadprądowy

Całość zamontowałem w niewielkiej plastikowej obudowie. Na przednim panelu znajdują się przełącznik zakresów, potencjometr nastawy prądu ze skalą, zaciski laboratoryjne do podłączenia obciążenia oraz przyciski włącz/wyłącz, podświetlane za pomocą diod sygnalizacyjnych D5 i D6. Wygląd panelu i wnętrza obudowy przedstawia fotografia tytułowa. Rysunek 6 pokazuje przykład projektu płyty czołowej.

Po zmontowaniu układu i podłączeniu do zasilania można po pierwsze skontrolować napięcia na wyjściu stabilizatora IC1 (2,5V) oraz przetwornicy (ok. 3,3V). Następnie należy przystąpić do kalibracji. Nie jest to proces zbyt prosty ze względu na fakt, że trzeba się posługiwać dwoma potencjometrami (R16 i R17), które na dodatek nie działają niezależnie. Do kalibracji konieczne jest wybranie dwóch punktów w pobliżu przeciwległych końców skali, np. przy zasilaniu 12V możemy posłużyć się rezystorami 1,5kΩ oraz 120Ω (o odpowiednich mocach znamionowych). Rzeczywistą wartość prądu płynącego przez obciążenie najlepiej zweryfikować precyzyjnym amperomierzem.

Rys.6 Przykład projektu płyty czołowej - automatyczny wyłącznik nadprądowy

Kalibracja automatycznego wyłącznika prądowego

Procedura kalibracji jest następująca: na skali ustawiamy maksymalny prąd, następnie podłączamy obciążenie 1,5kΩ za pomocą przycisku ON. Powoli obracamy potencjometr w lewo, aż do zadziałania bezpiecznika. Jeśli zadziałał za wcześnie, należy zmniejszyć rezystancję R16, jeśli za późno – zwiększyć ją, a następnie powtarzać test, aż do uzyskania poprawnego progu zadziałania. Następnie podłączamy obciążenie 120Ω i wykonujemy te same czynności, ale posługując się potencjometrem R17 i zwiększając rezystancję przy zbyt wczesnym zadziałaniu oraz zmniejszając przy zbyt późnym. Niestety całą procedurę trzeba przeprowadzić kilkakrotnie, zanim oba punkty będą dostatecznie dokładnie skalibrowane.

Wykaz elementów
R1
5
R2
120Ω
R3
1,2Ω
R4
2,2Ω
R5
2kΩ
R6
1,2kΩ
R7
0,22Ω
R8
10kΩ
R9
100Ω
R10
100kΩ
R11
10kΩ
R12
100Ω
R13
100kΩ
R14
100kΩ
R15
100Ω
R16
5kΩ
R17
500Ω
R19
100kΩ
R20
100kΩ
R21
100kΩ
R22
1kΩ
C1
1uF
C2
100uF
C3
1nF
C4
10uF
C5
100uF
C6
220uF
C7
22pF
C8
22pF
C9
100nF
C11
100nF
D1
1N5819
D2
1N4007
D3
BAT43
D4
1N4148
D5
LED zielona
D6
LED czerwona
D7
1N4007
D8
1N5819
IC1
LM337
IC2
MCP6002
IC3
MC34063
IC4
PC817
Q1
BS170
2
BS170
Q3
BS170
K1
przekaźnik 3V
L1
220uH
POT1
2kΩ
Do pobrania
Download icon Automatyczny wyłącznik nadprądowy - budowa, schematy, montaż
Firma:
Tematyka materiału: przetwornica DC-DC
AUTOR
Źródło
Elektronika dla Wszystkich luty 2020
Udostępnij
Zobacz wszystkie quizy
Quiz weekendowy
Theremin
1/10 Lew Termen i Leon Theremin to ta sama osoba. Które nazwisko pojawiło się później?
UK Logo
Elektronika dla Wszystkich
Zapisując się na nasz newsletter możesz otrzymać GRATIS
najnowsze e-wydanie magazynu "Elektronika dla Wszystkich"