Serwisy partnerskie:
Close icon
Serwisy partnerskie

Inteligentny regulator lutownicy – precyzyjny regulator grzałki

Article Image
Elmax
Ten inteligentny kontroler lutownicy to zaawansowany system, który zapewnia precyzyjną kontrolę temperatury i monitorowanie temperatury w czasie rzeczywistym. To innowacyjne rozwiązanie gwarantuje stałą temperaturę końcówki lutownicy, umożliwiając precyzyjne i niezawodne lutowanie.

Cechy

  • Zasilanie 24 V DC (zakres od 13 V do 24 V DC)
  • Obciążenie 3 A
  • Wyjście AD8495 1,3 V do 4,5 V
  • Wbudowany OLEDDUINO
  • Wbudowany przetwornik DC-DC zapewnia napięcie 12 V DC
  • Wbudowana dioda LED wyjściowa
  • Wbudowana dioda LED zasilania
  • Zaciski śrubowe do zasilania, czujnika i niskiego napięcia
  • Wymiary płytki drukowanej 61,12 × 37,3 1 mm
  • Otwory montażowe 4 × 4 mm

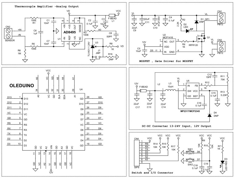
Schemat elektryczny

Zalety

Inteligentny kontroler lutownicy oferuje kilka korzyści, w tym:

  • Precyzyjna regulacja temperatury, zapewniająca spójne i niezawodne wyniki lutowania
  • Monitorowanie temperatury w czasie rzeczywistym, umożliwiające natychmiastowe regulacje i informacje zwrotne
  • Kompaktowa i przenośna konstrukcja, ułatwiająca użytkowanie w różnych warunkach
  • Wysoka moc, odpowiednia do wymagających zastosowań lutowniczych

Ogólnie rzecz biorąc, inteligentny kontroler lutownicy jest idealnym rozwiązaniem dla każdego, kto wymaga precyzyjnej kontroli temperatury i monitorowania w czasie rzeczywistym podczas lutowa...

Aby kontynuować czytanie wykup prenumeratę
Kup teraz
Galeria
Firma:
AUTOR
Źródło
www.electronics-lab.com
Udostępnij
Zobacz wszystkie quizy
Quiz weekendowy
Theremin
1/10 Lew Termen i Leon Theremin to ta sama osoba. Które nazwisko pojawiło się później?
UK Logo
Elektronika dla Wszystkich
Zapisując się na nasz newsletter możesz otrzymać GRATIS
najnowsze e-wydanie magazynu "Elektronika dla Wszystkich"