Serwisy partnerskie:
Close icon
Serwisy partnerskie

Inteligentny ściemniacz LED Bluetooth – 4-kanałowy włącznik/wyłącznik Bluetooth

Article Image
Elmax
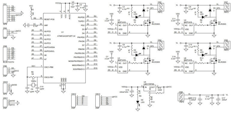
Inteligentny ściemniacz LED Bluetooth, 4-kanałowy przełącznik ON/OFF to wszechstronne urządzenie, które umożliwia użytkownikom sterowanie różnymi urządzeniami, w tym oświetleniem, wentylatorami i silnikami DC, za pomocą aplikacji Bluetooth na urządzeniu z systemem Android. Urządzenie posiada 4-kanałowy ściemniacz, który może obsługiwać obciążenia indukcyjne lub rezystancyjne z zakresem zasilania od 12 V do 48 V i wydajnością prądową do 3 A na kanał. Projekt został zaprojektowany do pracy z obciążeniami DC i zawiera diody freewheeling na wszystkich 4 tranzystorach MOSFET do obsługi obciążeń indukcyjnych, takich jak silniki DC i solenoidy. Urządzenie wymaga podwójnego zasilania, z zasilaniem logicznym 12 V…15 V i zasilaniem obciążenia od 12 V do 48 V. Może jednak również działać z pojedynczym zasilaniem 12 V…15 V poprzez połączenie pinów VDD i VL.

Zasilanie

  • Zasilanie logiczne 12 V do 15 V
  • Zasilanie 12 V do 48 V
  • Projekt może pracować z pojedynczym zasilaniem, jeśli zasilanie obciążenia wynosi od 12 V do 15 V (poprzez powiązanie pinów VDD i VL).
  • Obciążenie każdego kanału 3 A

Schemat ideowy

Zastosowania

  • 4-kanałowy włącznik/wyłącznik LED, lampy, wentylatora i innych urządzeń
  • 4-kanałowy ściemniacz do regulacji poziomów jasności
  • Sterowanie włączaniem/wyłączaniem silnika DC
  • Kontrola prędkości silnika DC
  • 4-kanałowy sterownik elektromagnesu

Cechy

  • Mikrokontroler ATMEGA328 kompatybilny z Arduino
  • 4×MOSFETY do przełączania i ściemniania
  • 4×sterownik bramki MOSFET dla wydajnego przełączania
  • Moduł Bluetooth HC-05 do łączności bezprzewodowej
  • Zaciski śrubowe do podłączania obciążeń i zasilania
  • Wskaźnik LED zasilania
  • Regulator pokładowy do zasilania mikrokontrolera (5 V DC)
  • 4×wskaźniki LED dla wyjścia kanału
  • 8-pinowe złącze nagłówkowe do programowania Arduino i bootloadera
  • Wysokiej jakości kondensator mag...
Aby kontynuować czytanie wykup prenumeratę
Kup teraz
Galeria
DATA SHEET
Firma:
Tematyka materiału: 4-kanałowy przełącznik ON/OFF, Inteligentny ściemniacz LED Bluetooth
AUTOR
Źródło
Elektronika dla Wszystkich grudzień 2024
Udostępnij
Zobacz wszystkie quizy
Quiz weekendowy
Theremin
1/10 Lew Termen i Leon Theremin to ta sama osoba. Które nazwisko pojawiło się później?
UK Logo
Elektronika dla Wszystkich
Zapisując się na nasz newsletter możesz otrzymać GRATIS
najnowsze e-wydanie magazynu "Elektronika dla Wszystkich"