- częstotliwość nominalna: 10,000 MHz,
- amplituda sygnału wyjściowego: 0 dBm ±2 dBm,
- liczba wyjść: 4,
- kształt sygnału wyjściowego: sinusoida,
- zniekształcenia harmoniczne: –60 dBm,
- współczynnik wypełnienia: 50%,
- zasilanie: 5 V DC (złącze USB-C),
- impedancja wyjść: 50 Ω.
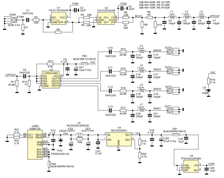
Schemat wzmacniacza dystrybucyjnego przedstawiono na rysunku 1.
Sygnał w standardzie LVC 3,3 V z OCXO (OUT5 na płytce modułu generatora) doprowadzony jest do wejścia SQIN. Należy zwrócić uwagę na możliwie krótkie połączenia wyjścia OUT5, maksymalnie 5...10 cm, oczywiście z użyciem ekranowanego kabla kompatybilnego z wtykami SMA, np.: RG316, RG402 czy RG405. Bramka U1 jest wzmacniaczem sygnału wejściowego. Opcjonalne elementy R1, R3 umożliwiają konfigurację jej jako wzmacniacza wejściowego, gdy planujemy zastosowanie modułu ze źródłem o niższym poziomie wyjściowym.
Bramka U2 buforuje sygnał wejściowy przed wprowadzeniem go na filtr dolnoprzepustowy 10 MHz. Opcjonalny tłumik R8...R10 umożliwia obniżenie poziomu wyjściowego. Znajdujący się za tłumikiem filtr eliminuje składowe o wyższych częstotliwościach, formując w ten sposób sygnał sinusoidalny z wejściowego sygnału prostokątnego. Równoległe połączenie buforów U2 zapewnia wymaganą wydajność prądową do wysterowania filtru. Po filtracji sygnał doprowadzony jest do czterokanałowego wzmacniacza wideo U3 typu LT6551. Każdy ze wzmacniaczy w strukturze układu ma ustalone wzmocnienie 2 V/V i pozwala na wysterowanie linii 50...75 Ω. Dodatkowo w każdym z kanałów wyjściowych zastosowano wtórny filtr dolnoprzepustowy. Wyjściowe sygnały sinusoidalne doprowadzone są do gniazd OUT1...OUT4. Wzmacniacz zasilany jest z gniazda USB-C napięciem 5 V. Stabilizator LDO U4 stabilizuje napięcie 4,2 V do zasilania wzmacniacza wyjściowego LT6551, LDO U5 generuje natomiast napięcie 3,3 V dla części cyfrowej. Dioda LED LD sygnalizuje obecność zasilania. Dla elementów podanych na schemacie poziom sygnału wyjściowego wynosi 0 dBm ±2 dBm na obciążeniu 50 Ω.