Serwisy partnerskie:
Close icon
Serwisy partnerskie

Aktywna antena magnetyczna

Article Image
Elmax
Antena jest jednym z najważniejszych elementów każdego urządzenia radiokomunikacyjnego i w głównej mierze decyduje o jakości odbioru. Służy ona do zamiany pola elektromagnetycznego na sygnał elektryczny. Opisana w artykule antena jest anteną odbiorczą, reagującą na składową magnetyczną pola elektromagnetycznego. Powstała z myślą użycia jej w szerokopasmowym odbiorniku SDR, może być jednak wykorzystana w dowolnym urządzeniu radiowym odbiorczym, pracującym w zakresie częstotliwości KF (od ok. 2MHz do 30MHz).

Głównymi zaletami prezentowanej anteny są niski poziom zakłóceń odbieranych i bardzo małe wymiary w stosunku do pełnowymiarowych anten reagujących na składową elektryczną pola elektromagnetycznego (np. antena dipolowa na najpopularniejsze pasmo krótkofalowe 80m ma wymiary dwa razy 19,5 metra, ponadto powinna być zawieszona przynajmniej kilka metrów nad ziemią). Opisana antena wykazuje dość silne właściwości rezonansowe, co można potraktować zarówno jako zaletę, ponieważ usuwa sygnały zakłócające spoza zakresu odbieranych częstotliwości, jak i wadę – wymaga dostrojenia do odbieranej stacji. Autor uważa, że w przypadku silnych zakłóceń sprawuje się ona lepiej nawet niż pełnowymiarowa  antena reagująca na składową elektryczną pola elektromagnetycznego i mimo mniejszej sprawności jest anteną podstawową w kąciku radioamatorskim autora. 

Wykonanie opisanego układu, mimo jego prostoty układowej, wymaga zaplecza, zarówno mechanicznego, jak i dostępu do podstawowych przyrządów pomiarowych, takich jak miernik indukcyjności pracujący w zakresie mikrohenrów i wobulator w.cz. oraz wykonania szeregu pomiarów.

Opis układu

Opisany układ składa się z dwóch części: właściwej anteny w postaci równoległego obwodu rezonansowego z kondensatorem o zmiennej pojemnosci i współpracującego z nią układu elektronicznego. Funkcję kondensatora o zmiennej pojemności pełni dioda pojemnościowa, co pozwala na łatwe przestrajanie przez zmianę napięcia wstecznego. Sercem anteny jest cewka, a o jej skuteczności decyduje sposób jej wykonania. Autor wykorzystywał podczas prób różne rodzaje cewek, zarówno z rdzeniem ferrytowym, jak i cewki powietrzne. Bardzo często w literaturze samą cewkę anteny magnetycznej nazywa się anteną, np. w odbiornikach fabrycznych na fale długie i średnie cewka taka wykonana jest w postaci pręta ferrytowego, na który nawinięte jest uzwojenie i nazywana jest „anteną ferrytową”. Antena taka wykazuje właściwości kierunkowe, co pozwala osłabić sygnały stacji niepożądanych nadających z innego kierunku niż sygnał odbierany. Z drugiej strony wymagana jest zmiana położenia anteny w celu odbierania sygnałów radiowych z różnych kierunków. 

Anteny ferrytowe powszechnie stosuje się w zakresie długo- i średniofalowym częstotliwości radiowych ze względu na ich małe wymiary w stosunku do odbieranej długości fali. Autor przeprowadził kilka prób z antenami ferrytowymi i najlepiej wypadły, szczególnie do kilkunastu MHz, pręty pochodzące z demobilowych radiostacji wojskowych typu R140-M nazywane „FAO” (skrót od ferrytowa antena odbiorcza). Jednym z elementów tej anteny są dwa pręty ferrytowe pokazane na fotografii 1. Kompletny blok FAO zawiera dwa takie pręty, z których można wykonać dwie anteny odbiorcze oraz współpracującą z nimi elektronikę. Pręty anteny FAO różnią się tylko uzwojeniem pomocniczym, które występuje na jednej z anten na jej końcu. Rola tego uzwojenia będzie wyjaśniona w dalszej części tekstu.

Fotografia 1.

Antena FAO wykonana jest z pierścieni ferrytowych nasuniętych na walec z tworzywa sztucznego. Długość takiej anteny wynosi około 40cm, a średnica około 4cm. Walec z pierścieniami ferrytowymi znajduje się w tubie z tworzywa sztucznego.

Często zdarza się, że taka antena wykazuje efekt mikrofonowania, tzn. zmiany indukcyjności na skutek wstrząsów mechanicznych. Winę za to ponoszą pokruszone, na skutek niewłaściwego obchodzenia się z anteną, pierścienie ferrytowe anteny. Na antenie znajdują się blisko siebie dwa uzwojenia, nawinięte grubym drutem srebrzonym. Należy je ze sobą połączyć odcinkiem drutu srebrzonego o średnicy około 1 mm. Zwiększa to indukcyjność cewki, a tym samym obniża jej częstotliwość rezonansową. Pręt anteny FAO autor wsadził do rury kanalizacyjnej PCV o średnicy 5cm jednostronnie kielichowanej. Kielich rury został odcięty a na samą rurę nałożono dwa krótkie odcinki rury PCV obustronnie kielichowanej.

Boki rur zostały zamknięte zaślepkami PCV, przez które wyprowadzono dwa odcinki przewodu, podłączone do bloku wzmacniacza. Rurę PCV z anteną ferrytową zamocowano na statywie od monitora komputerowego, co pozwala na łatwy jej obrót o kąt 90 stopni, jak również ustawienie jej w pionie. Antena została zamocowana do statywu monitora za pomocą typowych obejm kanalizacyjnych. Ważne jest, aby zastosowane obejmy były wykonane z tworzywa sztucznego, a nie metalu.

Obejmy metalowe tworzą bowiem zwarty zwój na pręcie ferrytowym i bardzo osłabiają skuteczność anteny. Bardzo ważne jest, by podczas pracy antena była oddalona co najmniej kilka centymetrów od elementów metalowych. Gotową antenę pokazano na fotografii 2.

Fotografia 2.

Prętowe anteny ferrytowe. Anteny tego typu mają postać pręta wykonanego z ferrytu o długości od kilku do 30cm i średnicy do 1cm. Powszechnie wykorzystywało się je w odbiornikach radiowych pracujących w zakresie fal długich i średnich. Do naszych celów najlepiej nadają się dłuższe pręty, o długości co najmniej 20cm. Pręty takie można kupić na portalach aukcyjnych. Kupując pręt ferrytowy, należy zwrócić uwagę, aby pracował on w zakresie częstotliwości KF, tzn. aby posiadał niską przenikalność magnetyczną (liczba AL rzędu kilkudziesięciu). Pręty ferrytowe o większej przenikalności, pracujące tylko w zakresie długofalowym i średniofalowym nie nadają się ze względu na zbyt duże straty pogarszające skuteczność anteny w zakresie KF. Im dłuższy i o większej średnicy pręt zastosujemy, tym większy poziom sygnału otrzymamy z takiej anteny. W celu podniesienia poziomu sygnału wyjściowego z anteny pręty ferrytowe można łączyć, układając je względem siebie równolegle, a następnie nakładając na nie koszulkę termokurczliwą, którą następnie podgrzewamy. W tym wypadku nie przeszkadza nawet lekka krzywizna prętów ferrytowych będąca efektem procesu produkcji anten (ważne jest tylko, by składane anteny wygięte były w tę samą stronę). Na prętach ferrytowych nawijamy tyle zwojów, by uzyskać indukcyjność na poziomie rzędu 30uH, co z zastosowanymi przez autora diodami pojemnościowymi pozwoli na pokrycie całego zakresu KF od 1,8 do 30 MHz. Odległość między zwojami powinna wynosić 3–4 mm, co zmniejsza pojemności między zwojami anteny a tym samym podnosi górną częstotliwość pracy anteny. Inną możliwością zwiększenia skuteczności anteny wykonanej z prętów ferrytowych jest ułożenie prętów ferrytowych na obwodzie tuby z tworzywa sztucznego a następnie zabezpieczenie jej taśmą lub rurką termokurczliwą. 

Anteny pętlowe autor wykonywał z drutu w izolacji PCV stosowanego w instalacjach elektrycznych. Im większa średnica pętli i większa liczba zwojów, tym większy sygnał uzyskamy z anteny pętlowej. Średnica cewki powinna wynosić przynajmniej 40cm, co pozwali uzyskać satysfakcjonującą skuteczność anteny. Również w wypadku takiej anteny nie należy nawijać zwojów bardzo blisko siebie, ale raczej stosować odstęp między zwojami, nawet do około 1 cm. Autor nawijał uzwojenia na przekładkach bakelitowych a sam drut mocował do powierzchni bakelitu za pomocą opasek zaciskowych. Wystające końce opasek należy obciąć. Stosując drut o większym przekroju, a tym samym większej sztywności, możemy nie stosować elementów mechanicznych stabilizujących konstrukcję (przekładek bakelitowych), a jedynie dystanse z tworzywa sztucznego. Marek SP4ELF wykorzystał jako cewkę ekran przewodu koncentrycznego – fotografia 3.

Fotografia 3.

Inny wariant wykonania cewki pokazano na fotografii 4. Autor wykonał cewkę z drutu miedzianego o przekroju 2,5mm2 stosowanego w izolacjach elektrycznych. Zastosowanie dwóch prostopadłych względem siebie uzwojeń cewek i połączenie ich szeregowo pozwala uzyskać charakterystykę anteny zbliżoną do dookólnej. Można w tym wypadku wybierać – np. kombinacją przekaźników – tylko jedną z cewek lub łączyć je szeregowo, co pozwala uzyskać pożądaną charakterystykę anteny. Oczywiście w takim wypadku należy skorygować pojemność podłączoną do anteny, by uzyskać dostrojenie do odbieranej stacji. Anteny tego typu spisywały się lepiej niż FAO, szczególnie w górnym zakresie częstotliwości KF. 

Fotografia 4.

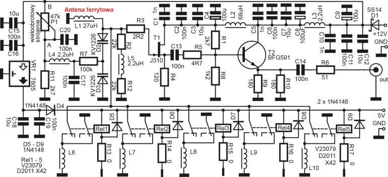
Wzmacniacz wejściowy. Schemat ideowy wzmacniacza pokazany jest na rysunku 1.

Rysunek 1.

Zmontowany układ widać na fotografiach 5 i 6.

Fotografia 5.
Fotografia 6.

Cewka anteny pracuje w rezonansie równoległym i podłączona jest do wzmacniacza o dużej impedancji wejściowej, małej pojemności wejściowej i niskiej impedancji wyjściowej. Wzmacniacz zbudowany jest na wtórniku źródłowym połączonym z wtórnikiem emiterowym. We wtórniku źródłowym wykorzystano tranzystor polowy typu J310. Punkt pracy tranzystora ustawiony jest tak, by układ dawał jak najmniej zniekształceń intermodulacyjnch, dlatego spoczynkowy prąd drenu wynosi 12–15 mA. Wartość prądu spoczynkowego tranzystora polowego ustawia się wartością opornika w źródle tranzystora FET. Kontrolę prądu płynącego przez wzmacniacz wykonuje się, mierząc spadek napięcia na oporniku w źródle tranzystora. Tranzystor warto wyposażyć w mały radiator, a sam tranzystor posmarować pastą termoprzewodzącą. Punkt pracy wtórnika emiterowego ustawia się, zmieniając wartość opornika R8. Z wtórnika emiterowego ciepło odprowadza odpowiednio zaprojektowana płytka drukowana. Wtórnik emiterowy dopasowany jest do typowej impedancji układów radiowych za pomocą rezystora szeregowego R6 o wartości 51 omów lub opcjonalnie za pomocą rezystora 10 omów (R6) i autotransformatora podwyższającego impedancję o przekładni impedancji 1 do 4 (rysunek 2).

Rysunek 2.

Na płytce drukowanej istnieje możliwość wykonania obu wariantów wyjścia wzmacniacza antenowego. Drugie z prezentowanych rozwiązań wnosi mniejsze tłumienie sygnału odbieranego. Opornik R3 zapobiega wzbudzeniom wzmacniacza w zakresie częstotliwości UKF. Układ podłączony jest do odbiornika radiowego kablem koncentrycznym o impedancji 50 omów. Częstotliwość pracy anteny zależy od częstotliwości rezonansowej obwodu wejściowego. Częstotliwość ta jest wypadkową indukcyjności cewki, pojemności montażowych i zmienianej elektronicznie pojemności diody pojemnościowej. W układzie zastosowano podwójną diodę typu KV1266 o pojemności od 510 do 620pF dla 1 V; maksymalnie 26pF dla 10V i od 16 do 25pF dla 25V napięcia wstecznego. Z danych katalogowych widać wyraźnie duży rozrzut parametrów diody pojemnościowej. Drugą cechą typową dla diod pojemnościowych jest występowanie największych zmian pojemności w funkcji napięcia polaryzującego w dolnym odcinku charakterystyki napięcie–pojemność diody. Diody te w opisanym układzie zostały połączone szeregowo, co ogranicza zakres zmian pojemności do połowy pojemności jednej diody. Takie połączenie diod pojemnościowych zapobiega wpływom na pojemność diody sygnału detektowanego na złączach diod, ponieważ sygnały te mają przeciwne polaryzacje i znoszą się. Częstotliwość rezonansowa obwodu LC określona jest wzorem

gdzie F jest częstotliwością wyrażoną w MHz, C pojemnością w pF, a L indukcyjnością w mikrohenrach. Z powyższego wzoru wynika, że zakres zmian częstotliwości rezonansowej równy jest pierwiastkowi z ilorazu pojemności maksymalnej i minimalnej diody pojemnościowej. Stosunek ten w praktyce będzie jeszcze mniejszy, ze względu na pojemności montażowe, które zmniejszają wartość tego stosunku. Z tego powodu wszelkie połączenia pomiędzy cewką antenową a wzmacniaczem powinny być wykonane za pomocą dwóch przewodów w izolacji, a nie przewodu ekranowanego. Pojemność przewodu koncentrycznego o impedancji 50 omów, np. RG58, wynosi około 100pF/m. Nawet krótki odcinek takiego przewodu powoduje znaczne zmniejszenie zakresu przestrajania anteny. Pierwiastek z ilorazu pojemności maksymalnej i minimalnej powiększony o pojemność przewodu ekranowanego (odcinek 0,5 m) wynosi około 2,3, a dla samej diody pojemnościowej wynosi około 5,3. W praktyce do pojemności diody należy dodać jeszcze pojemności montażowe oraz styków przekaźników. Wykorzystując diodę pojemnościową do przestrajania anteny, możemy pokryć tylko część z pasm KF.

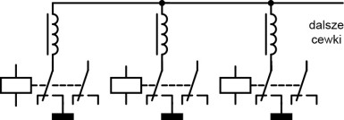
Dalsze poszerzenie zakresu pracy anteny możemy uzyskać, obniżając indukcyjność cewki antenowej. Najprościej można to uzyskać,wykorzystując tylko część zwojów cewki antenowej i dobierając odpowiedni odczep na cewce. Takie postępowanie powoduje jednak zmniejszenie napięcia w.cz. generowanego przez pole elektromagnetyczne w antenie. Rozwiązaniem tego problemu jest podłączenie równolegle do cewki antenowej drugiej cewki. W tym wypadku indukcyjność cewki obniży się, analogicznie jak rezystancja przy łączeniu równoległym rezystorów. Indukcyjność wypadkową dwóch równolegle połączonych cewek (antenowej i obniżającej indukcyjność) liczymy jak dla dwóch połączonych równolegle rezystorów, oczywiście zamieniając omy na mikrohenry. Autor w pierwszej wersji układu stosował równolegle załączanie cewek, jak pokazano na rysunku 3. 

Rysunek 3.

Rozwiązanie takie, jak się okazało w praktyce, powodowało szereg problemów. Indukcyjność niewykorzystywanej cewki wraz z pojemnościami styków przekaźników tworzyły szeregowy obwód rezonansowy, zwierający napięcia w.cz. do masy, powodując powstawanie zakresów, w których występuje obniżone napięcie w.cz. generowane w antenie. Zjawisko to było szczególnie widoczne na częstotliwościach powyżej kilkunastu MHz. W konstrukcji docelowej niewykorzystane cewki obniżające indukcyjność są zwierane do masy. Mimo, że takie połączenie przekaźników i cewek powoduje wzrost pojemności montażowych, pozwala uniknąć niepożądanych rezonansów szeregowych (pułapek). W układzie zastosowano przekaźniki typu V23079 D2011 X42. Przekaźniki te są typowymi przekaźnikami w.cz. o niskiej pojemności styków i napięciu cewki 4,2V. Napięcie zasilania cewek przekaźników obniżone jest do 5V za pomocą stabilizatora 7805 a następnie za pomocy diody krzemowej do 4,4V. Stosując taki sposób zasilania cewek przekaźników, oporniki R13–R17 powinny mieć wartość 0 omów, pełnić funkcję zwór. W przypadku, gdy przekaźniki załączane będą przez układ ULN2003 (na przykład w automatycznym sterowniku, jaki będzie opisany w jednym z najbliższych numerów) stabilizatora 7805 i diody D4 nie montujemy, a elementy R13–R17 zastępujemy opornikami o wartości 27 omów. Oporniki te obniżają napięcie zasilające cewki przekaźników. W przypadku przekaźników o innej rezystancji uzwojeń wartości rezystancji oporników R13–R17 należy obliczyć. Wybór odpowiedniej cewki odbywa się przez dołączenie niepodłączonego wyprowadzenia cewki przekaźnika do masy. Cewkę może załączać zarówno przełącznik obrotowy, jak i klucz tranzystorowy, pracujący w układzie wspólnego kolektora (drenu), czy wykorzystując układ ULN2003.

Przestrajanie anteny realizujemy, podłączając opornik wieloobrotowy na wejście przestrajające układu (punkty A–B na schemacie ideowym). Zmieniając rezystancję potencjometru wieloobrotowego, zmieniamy jednocześnie napięcie polaryzujące diody pojemnościowe, a tym samym ich pojemność. Elementy R2, L5, R12 mają za zadanie zabezpieczyć bramkę tranzystora FET w przypadku eksperymentów i w układzie, gdzie cewka antenowa jest podłączona na stałe, nie muszą być montowane.

Montaż i uruchomienie

Układ zmontowano głównie z użyciem elementów SMD o rozmiarach 0805 i 1206 (kondensatory odsprzęgające). Całość zmontowano na dwustronnej płytce drukowanej. Schematy montażowe pokazane zostały na rysunkach 4 i 5.

Rysunek 4.
Rysunek 5.

Cały układ musi być zamknięty w obudowie metalowej. Potencjometr wieloobrotowy podłączony jest do płytki drukowanej stereofonicznym przewodem ekranowanym. Przewody sygnałowe idą do potencjometru z punktów B i A na płytce drukowanej a ekran podłączony jest tylko na płytce drukowanej. Dioda KV1266 składa się z dwóch niezależnych diod złączonych korpusami (połączenie to bez szkody dla samej struktury półprzewodnikowej diody można przełamać) i może zostać zastąpiona innymi typami diod, nawet łączonymi równolegle. Na płytce drukowanej zostało przewidziane miejsce na inne diody pojemnościowe. Zastosowane w układzie przekaźniki kupiono na znanym portalu aukcyjnym. Mimo że przeznaczone są one do montażu SMD, to po wyprostowaniu nóżek bez problemu dają się wlutować do płytki drukowanej pod warunkiem zastosowania laminatu o grubości 0,8mm. W układzie nie trzeba wykorzystywać wszystkich przekaźników.

Ich liczba zależy od parametrów zastosowanych cewek, interesującego nas zakresu częstotliwości i zostanie wyznaczona podczas badań, co wyjaśniono w dalszej części tekstu. Niestety ze względu na różne indukcyjności cewek odbiorczych, jak i rozrzut parametrów diod pojemnościowych, nie ma możliwości podania konkretnych wartości cewek obniżających indukcyjność i trzeba je wyznaczyć eksperymentalnie. Stosowne obliczenia pokazane zostaną na praktycznym przykładzie.

Najpierw mierzymy indukcyjność cewki antenowej wraz z przewodami idącymi do wejścia wzmacniacza antenowego, załóżmy, że podczas pomiaru otrzymaliśmy indukcyjność 31uH. Następnie podłączamy antenę do wejścia wzmacniacza. Do wyjścia wobuloskopu podłączamy przez tłumik 10dB kilkuzwojową cewkę z drutu miedzianego o średnicy około 5cm, którą umieszczamy w pobliżu cewki badanej anteny pętlowej lub nawijamy bezpośrednio na pręcie ferrytowym w przypadku anteny prętowej lub FAO (możemy wykorzystać wspomniane wcześniej uzwojenie dodatkowe znajdujące się na końcu anteny). Wejście detektora wobuloskopu podłączamy do wyjścia wzmacniacza antenowego. Napięcia polaryzujące diodę pojemnościową ustawiamy na 1 V i uruchamiamy skanowanie wobuloskopu w zakresie od 500kHz do 5MHz. Wybrany zakres skanowania wynika z pojemności zastosowanych diod pojemnościowych i indukcyjności cewki antenowej.

Częstotliwość, przy której zmierzymy maksymalny poziom sygnału w.cz., jest jego częstotliwością rezonansową. Pomiar częstotliwości rezonansowej anteny pozwala wyznaczyć pojemności występujące w układzie dla różnych napięć polaryzujących diodę pojemnościową z uwzględnieniem pojemności montażowych. 

Z pomiarów otrzymujemy częstotliwość rezonansową dla napięcia polaryzującego diodę pojemnościową 1V, np. 1,7MHz. Za pomocą zakładki Tools, Resonant circuits programu mini Ring Core Calculator wyliczamy, dla jakiej pojemności uzyskamy częstotliwość rezonansową 1,7MHz, stosując cewkę o założonej indukcyjności 31uH. Z wyliczeń otrzymujemy pojemność 280pF. Analogiczny pomiar częstotliwości rezonansowej wykonujemy dla 11V, z pomiarów otrzymujemy częstotliwość rezonansową 4,8MHz, co odpowiada pojemności 35pF. Pierwszy zakres pracy anteny wynosi więc od 1,7 do 4,8MHz. Następnie wyznaczamy dolną częstotliwość rezonansową następnego pasma, powinna być ona o około 15 procent mniejsza niż maksymalna częstotliwość pierwszego pasma.

W naszym wypadku powinna wynieść 4,8MHz – 4,8 * 0,15, czyli ok. 4,08MHz. Taką wartość częstotliwości rezonansowej powinniśmy otrzymać dla pojemności 280pF (odpowiada to napięciu polaryzującemu diodę pojemnościową równemu 1 V).

Za pomocą kalkulatora częstotliwości rezonansowej wyliczamy, jakiej indukcyjności wymaga obwód rezonansowy o częstotliwości rezonansowej 4,08MHz i pojemności równoległej 280pF. Z obliczeń otrzymujemy indukcyjność 5,4uH. Za pomocą kalkulatora, liczącego wypadkową wartość rezystancji dla rezystorów połączonych równolegle, wyliczamy, jaka indukcyjność równoległa jest wymagana, by obniżyć indukcyjność cewki antenowej z 31uH do 5,4uH. Z obliczeń uzyskujemy indukcyjność 6,5uH. Dla indukcyjności 5,4uH i pojemności 35pF otrzymujemy częstotliwość rezonansową 11,6MHz. Częstotliwość ta odpowiada maksymalnej częstotliwości pracy anteny na drugim zakresie. Analogiczne obliczenia przeprowadzamy aż do osiągnięcia maksymalnej częstotliwości rezonansowej 30MHz. Cewki obniżające indukcyjność anteny nawijamy na rdzeniach toroidalnych typu T50-2 firmy Amidon. Materiał typu 2 (kolor czerwony lub czerwonobrązowy) pracuje poprawnie w całym zakresie częstotliwości KF. Wymaganą liczbę zwojów wyliczamy za pomocą programu mini Ring Core Calculator. Należy pamiętać, że wyliczone wartości indukcyjności mają charakter orientacyjny i zawsze należy sprawdzać je miernikiem indukcyjności, wynika to zarówno z rozrzutu parametrów rdzeni, jak i sposobu nawinięcia cewki. Cewki o wyliczonej indukcyjności wlutowujemy do układu i kontrolujemy poprawność pracy wszystkich zakresów anteny za pomocą wobuloskopu. W razie potrzeby zwoje na cewce ściskamy (zwiększamy indukcyjność) lub rozciągamy (zmniejszamy indukcyjność). Cewkę o najmniejszej indukcyjności umieszczamy najbliżej wejścia anteny ferrytowej (L7), o większych indukcyjnościach coraz dalej od jej wejścia. Przykładową charakterystykę anteny wraz z rezonansami dla różnych napięć polaryzujących pokazano na rysunku 6.

Rysunek 6.

Wyraźnie widać, że ze wzrostem częstotliwości odbieranej pasmo anteny poszerza się. W przypadku cewki powietrznej pełniącej funkcję anteny jej indukcyjność można zwiększyć, włączając szeregowo cewkę nawiniętą na rdzeniu toroidalnym typu T50-2 lub T37-2, tak by uzyskać pokrycie również dolnych pasm KF. W danej chwili załączona jest tylko jedna cewka obniżająca indukcyjność. W antenie FAO na jednym z końców anteny znajduje się wspomniana wcześniej kilkuzwojowa cewka, która pełni funkcję tzw. cewki szumowej. Umożliwia ona dostrojenie anteny bez zewnętrznego przestrajanego źródła sygnału w.cz. Do cewki tej podłączamy diodę Zenera, najlepiej z zakresu 24–30V, zasilaną przez odpowiednio dobrany opornik, jak pokazano na rysunku 7.

Rysunek 7.

Oczywiście napięcie zasilające diodę Zenera powinno być o kilka woltów wyższe niż napięcie Zenera zastosowanej diody. Elementy te montujemy jak najbliżej cewki szumowej wraz z kondesatorem odsprzęgającym o pojemności 100nF. Funkcję tę może pełnić kondesator zasilacza.  Dioda

Zenera daje szum w bardzo dużym zakresie częstotliwości oraz o w miarę równomiernej amplitudzie. Antenę w tym wypadku stroimy tak, by na odbieranej częstotliwości otrzymać szum na odbiorniku o jak największej amplitudzie. Po dostrojeniu anteny do wybranej częstotliwości rezonansowej odbieranej napięcie zasilające diodę Zenera jest odłączane.  Zamiana cewki L5 na zworę (opornik 0 omów) i zmniejszenie wartości R2 i R5 pozwala poszerzyć pasmo odbierane przez antenę kosztem pogorszenia jej selektywności.

W Elportalu wśród materiałów dodatkowych do tego numeru zamieszczone są materiały uzupełniające – dokumentacja płytki drukowanej.

Na zakończenie autor chciałby podziękować Waldkowi 3Z6AEF, Leszkowi SP3VZX, Markowi SP4ELF, Darkowi SQ4JED i Jurkowi SP9VNM za uwagi do tego tekstu.

Firma:
AUTOR
Źródło
Elektronika dla Wszystkich luty 2015
Udostępnij
Zobacz wszystkie quizy
Quiz weekendowy
Theremin
1/10 Lew Termen i Leon Theremin to ta sama osoba. Które nazwisko pojawiło się później?
UK Logo
Elektronika dla Wszystkich
Zapisując się na nasz newsletter możesz otrzymać GRATIS
najnowsze e-wydanie magazynu "Elektronika dla Wszystkich"