Serwisy partnerskie:
Close icon
Serwisy partnerskie

Splitter RS-485 (DMX) z izolacją galwaniczną - schematy, montaż, działanie

Article Image
Elmax
W EdW 2/2019 przedstawiono konstrukcję splittera DMX, pozwalającego rozdzielić sygnał na cztery magistrale. Brak izolacji galwanicznej między magistralami nie zabezpiecza przed uszkodzeniami w przypadku przebicia napięciem o dużej wartości. Przedstawiany teraz układ eliminuje to zagrożenie. Niewątpliwą zaletą tego splittera, poza zwiększeniem zasięgu, jest to, że awaria (zwarcie) jednej magistrali nie wpływa na pracę pozostałych.

Do czego to służy? - splitter RS-485 (DMX) z izolacją galwaniczną

Poza rozdzieleniem sygnału DMX na cztery magistrale, splitter zapewnia izolację galwaniczną pomiędzy sygnałem przychodzącym a sygnałami wychodzącymi ze splittera, jak i pomiędzy nimi. Dzięki temu pojawienie się napięcia do 1000V na dowolnej magistrali uszkodzi jedynie urządzenie (drivery) tylko w jej obrębie, nie powodując strat w pozostałych obwodach, które są odizolowane galwanicznie. Ponadto transmisja na pozostałych magistralach będzie odbywała się bez zakłóceń. Naprawa splittera uszkodzonego przez przepięcie będzie łatwa, a to za sprawą podstawek, w której zamontowano transoptory oraz drivery. Dodatkową funkcją splittera jest zwiększenie zasięgu magistrali DMX.

Jak działa splitter RS-485 (DMX) z izolacją galwaniczną?

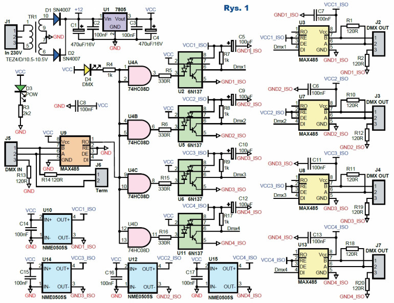
Schemat ideowy pokazany jest na rysunku 1. Układ zasilany jest z 4-watowego transformatora TR1. Napięcie z niego jest prostowane diodami D1 i D2. Po wyfi ltrowaniu w C1 trafi a na stabilizator U1 (LM7805) wyposażony w niewielki radiator. Napięcie 5V z wyjścia stabilizatora zasila układy na płytce, te nieoddzielone galwanicznie od sygnałów wyjściowych.

Rys.1 Schemat ideowy - splitter RS-485 (DMX) z izolacją galwaniczną

Sygnał DMX doprowadzony jest do złącza J5. U9 (MAX485) konwertuje sygnał z poziomów RS485/422 na TTL. Układ pracuje w roli odbiornika, dlatego sygnały sterujące kierunkiem transmisji (DE i /RE) są na stałe podłączone do masy. Zworka J6 pozwala załączyć rezystor terminujący, zapobiegający odbiciom sygnału. Zworkę tę zakładamy w sytuacji, gdy splitter jest ostatnim urządzeniem na magistrali DMX. Wyjście układu steruje diodą D4, sygnalizującą obecność sygnału DMX.

Ponadto dane są doprowadzone na wejście bramek AND układu U4 (74HC08). Układ ten steruje diodami transoptorów. Zastosowanie U4 było konieczne ze względu na to, że prąd czterech diod transoptorów przekroczyłby maksymalny dopuszczalny prąd wyjścia RO układu U4. Transoptory przekazują sygnał DMX do wejść DI driverów U3 U7 U8 U13. Zastosowano ten sam driver co na wejściu, z tym, że pracuje on w roli nadajnika, dlatego linie sterujące DE i RE połączono z zasilaniem. Rezystory 120Ω zwierające linie A i /B driverów pełnią funkcje terminatorów, zapobiegając odbiciom sygnału. Zasilanie driverów z utrzymaniem izolacji galwanicznej zapewniają przetwornice DC/DC (NME0505S).

Montaż i uruchomienie splittera RS-485 (DMX) z izolacją galwaniczną

Układ można zmontować na płytce drukowanej, której projekt pokazany jest na rysunku 2. Montaż przebiega tradycyjnie, od biernych elementów SMD, przez układ U4, do elementów przewlekanych, zaczynając od najniższych, kończąc na transformatorze. Przewlekane układy scalone i transoptory warto zamontować w podstawkach precyzyjnych (tulipanowych).

Nie polecam standardowych podstawek, w których z czasem styk staje się zawodny. Szczególną uwagę należy zwrócić na kondensatory odsprzęgające przy driverach MAX485. W prototypie, w jednym z kanałów wyjściowych przez przypadek zamontowano kondensator 22pF. W konsekwencji sygnał wyjściowy był mocno zakłócony. Na tyle, że jego odbiór nie był możliwy.

Rys.2 Projekt płytki drukowanej - splitter RS-485 (DMX) z izolacją galwaniczną

Układ nie wymaga żadnego uruchamiania. Zmontowany ze sprawnych elementów powinien od razu prawidłowo pracować. Płytka drukowana zaprojektowana jest do umieszczenia w obudowie KM-35.

W modelu pobór mocy wynosił ok. 3W.

Splitter RS-485 (DMX) z izolacją galwaniczną - płytka (TOP)
Splitter RS-485 (DMX) z izolacją galwaniczną - płytka (BOTTOM)

Ze względu na zastosowanie transformatora zasilanego napięciem sieci 230V należy zachować dużą ostrożność podczas uruchamiania urządzenia. Urządzenia nie należy użytkować bez obudowy. Na płytce zabrakło miejsca na bezpiecznik, trzeba go zamontować w oprawce przykręconej do obudowy. Prąd znamionowy bezpiecznika 63mA, napięcie pracy 250V.

Istnieje też możliwość zasilenia splittera z zewnętrznego zasilacza 7...15V o wydajności prądowej minimum 300mA.

Wykaz elementów
Rezystory, obudowa 1206:
 
R1,R2,R10,R11,R12,R13,R14,R18,R19,R20
120Ω
R3
2,2kΩ
R4,R7,R8,R9,R17
1kΩ
R5,R6,R15,R16
330Ω
C1,C4
470uF/16V
C2,C3,C6,C7,C8,C11,C13,C14,C15, C16,C17
SMD 1206
C5,C9,C10,C12
100uF/6,3V
U1
7805 z radiatorem
U2,U5,U6,U11
6N137 – montować w podstawkach tulipanowych
U3,U7,U8,U9,U13
MAX485
U4
74HC08D
U10,U12,U14,U15
NME0505S
D1,D2
SN4007
D3
Dioda LED zielona 5mm
D4
Dioda LED ółta 5mm
J1
ARK3
J2,J3,J4,J5,J7
NS25-W03P + NS25-W3 + 12 szt NS25 terminal
J6
Goldpin kątowy 1x2
TR1
Transformator sieciowy TEZ4/D/10,5–10,5V
1 szt gniazdo XRL3
 
4 szt wtyk XRL3
 
1 szt obudowa KM-35
 
Do pobrania
Download icon Splitter RS-485 (DMX) z izolacją galwaniczną - schematy, montaż, działanie
Firma:
Tematyka materiału: splitter, RS485, DMX, magistrala, izolacja galwaniczna
AUTOR
Źródło
Elektronika dla Wszystkich sierpień 2019
Udostępnij
Zobacz wszystkie quizy
Quiz weekendowy
Theremin
1/10 Lew Termen i Leon Theremin to ta sama osoba. Które nazwisko pojawiło się później?
UK Logo
Elektronika dla Wszystkich
Zapisując się na nasz newsletter możesz otrzymać GRATIS
najnowsze e-wydanie magazynu "Elektronika dla Wszystkich"