Serwisy partnerskie:
Close icon
Serwisy partnerskie

Nieco ekstremalny słuchawkowy wzmacniacz lampowy OTL, część 1

Article Image
Elmax
Prosty wzmacniacz dla łaknących decybeli melomanów, do współpracy z niskoimpedancyjnymi słuchawkami. Obszerny opis pozwoli Czytelnikowi na opracowanie własnej wersji a także wyjaśni, gdzie powstaje lampowe brzmienie.
Uwaga! W układzie występują napięcia groźne dla życia i zdrowia. Osoby niepełnoletnie mogą wykonać, uruchomić i skalibrować układ tylko pod opieką wykwalifikowanych osób dorosłych – nauczycieli.
Light icon

Po co kolejny wzmacniacz słuchawkowy na lampach? Przecież tyle już ich powstało!

Takie pytanie zada pewnie niejeden Czytelnik. Zdecydowana większość publikowanych dotychczas projektów słuchawkowych wzmacniaczy OTL (bez transformatorów wyjściowych) bazuje na lampach przeznaczonych do wzmacniania amplitudy napięcia, a nie do dostarczania dużej mocy do obciążenia. Mając niską wydajność prądową, nadają się do pracy ze słuchawkami o wysokiej impedancji. Tymczasem prawie wszystkie współczesne słuchawki mają niską impedancję, na ogół 32Ω, a zdarzają się 24Ω lub nawet 18Ω. Jeśli do tego ich skuteczność jest mała, to uzyskanie zadowalającego natężenia dźwięku z zastosowaniem takiego wzmacniacza OTL może okazać się niemożliwe. 

Prezentowana konstrukcja wzmacniacza (fotografia tytułowa) jest w stanie dostarczyć 100mW mocy do obciążenia 32Ω i jest w swej idei prosta, zawierając jedynie dwa podstawowe układy pracy triody. Prostota układu sprawia, że Czytelnik z łatwością może go samodzielnie zaadaptować do innych typów lamp, w czym pomoże szczegółowy opis obliczeń wzmacniacza, zawarty w dalszej części artykułu. Zostanie też wyjaśnione od strony konstrukcyjnej, skąd się bierze efekt zwany lampowym brzmieniem i jak można na niego wpływać.

Opis układu

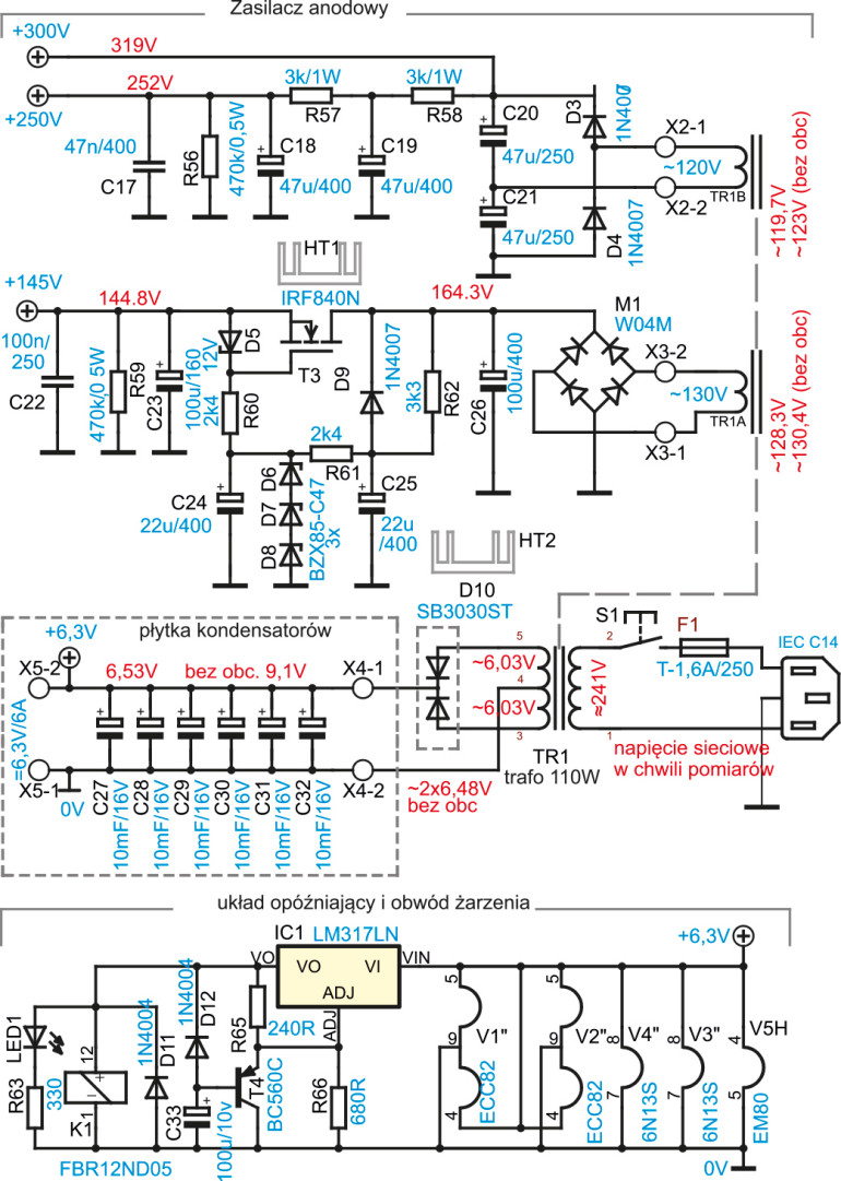
Schemat ideowy toru audio przedstawia rysunek 1 (jeden kanał), zaś na rysunku 2 jest pokazany schemat części zasilającej oraz układ opóźniający załączenie gniazda słuchawek. Rysunek 3a przedstawia główną płytkę w widoku od strony elementów, a rysunek 3b – płytkę baterii kondensatorów obwodu żarzenia.­

Rysunek 1.
Rysunek 2.
Rysunek 3.

Na schemacie umieszczono wyróżnione kolorem czerwonym wartości napięć stałych i zmiennych występujące w charakterystycznych punktach układu po rozgrzaniu lamp. Przypis bez obc. (bez obciążenia) oznacza pomiary wykonane przy lampach wyjętych z podstawek. Kolorem zielonym opisano występujące w układzie amplitudy napięć przebiegów zmiennych po podaniu sygnału 1Vp na wejście wzmacniacza. 

Schemat na rysunku 1 pokazuje jeden kanał, drugi jest identyczny, numeracja elementów w obu jest taka sama, przy czym, dla rozróżnienia, elementy kanału drugiego mają w nazwie sufiks „A”. Nie dotyczy to lamp, dla których litera A lub B jest oznaczeniem ustroju triody w bańce (wszystkie użyte triody są podwójne). Wskaźnik (tzw. magiczne oko) EM80 jest tylko w pierwszym kanale, gdyż nie ma on w tym układzie żadnego praktycznego znaczenia i pełni jedynie funkcję dekoracyjną, a autor miał tylko jedną taką lampę. 

Tor audio składa się z dwustopniowego wzmacniacza napięciowego wzmacniającego amplitudę sygnału oraz stopnia prądowego o dużej wydajności prądowej, dostarczającego sygnał o odpowiedniej mocy do słuchawek. Podstawowe parametry użytych lamp przedstawia tabela 1.

Tabela 1.

We wzmacniaczu napięciowym użyte zostały popularne podwójne triody ECC82 (12AU7), na schemacie oznaczone V1 i V2. Są to lampy dedykowane do układów audio, tu pracujące w typowym układzie wzmacniacza oporowego z automatyczną polaryzacją siatki i lokalnym ujemnym sprzężeniem zwrotnym w postaci rezystorów R5 i R13. Obciążeniem lamp są rezystory anodowe R3 i R11, spadek napięcia na rezystorach R4 i R12 ustala napięcie polaryzacji siatek triod.

Napięcie to jest podawane na siatki poprzez rezystory R2 i R10. Rezystor R1 wraz z pojemnością wejściową lampy V1 stanowi filtr dolnoprzepustowy zapobiegający możliwości wzbudzania się wzmacniacza na częstotliwościach ponadakustycznych. Identyczną funkcję pełnią rezystory R17 i R18 w stopniu prądowym.

Każdy kanał zawiera dwa stopnie napięciowe, a pomiędzy nimi znajduje się uproszczony układ regulacji barwy dźwięku w formie regulowanego filtra środkowo-zaporowego, osłabiającego tony średnie o około 8dB (elementy C2, C4, C5 i R6, R7, R9, POT-B). Stopień tłumienia reguluje się potencjometrem POT-B. W prezentowanym wzmacniaczu ostatecznie zrezygnowano z potencjometru, zastępując go na stałe rezystorami o wartościach dobranych na słuch tak, by uzyskać pożądaną barwę dźwięku. 

Lampy celowo zostały wykorzystane tak, że każda z lamp obsługuje jeden stopień w obu kanałach, tzn. trioda A lampy pracuje w kanale pierwszym, a trioda B w kanale drugim. Dzięki temu nawet w przypadku użycia dwóch egzemplarzy lamp skrajnie różniących się parametrami, nie powstanie asymetria pomiędzy kanałami. Można też eksperymentować z różnymi typami lamp, innymi w każdym stopniu. 

Pomiędzy drugim stopniem napięciowym a prądowym umieszczony jest potencjometr POT-VOL, służący do regulacji głośności. Jego umieszczenie tutaj nie jest przypadkowe. Jednym z powodów jest to, że zmniejszając głośność, zmniejszamy równocześnie poziom ewentualnych szumów i zakłóceń powstających we wzmacniaczu napięciowym, utrzymując w ten sposób stały stosunek sygnału do zakłóceń. Minusem takiego rozwiązania jest możliwość przesterowania wzmacniacza poprzez podanie na wejście sygnału o zbyt dużej amplitudzie, co w przypadku umieszczenia potencjometru na wejściu wzmacniacza jest niemożliwe. 

W stopniu końcowym zastosowano radzieckie lampy 6Н13С (w polskim brzmieniu 6N13S) na schemacie oznaczone V3 i V4. Ich odpowiednikami są 6AS7G. Są to wysokoprądowe podwójne triody o niskiej rezystancji wewnętrznej i stosunkowo wysokiej transkonduktancji przy niskim napięciu anodowym. Pierwotnie zaprojektowane do stabilizatorów napięć, mogą pracować z dużymi mocami. Ponadto efektownie wyglądają, co w przypadku konstrukcji z wyeksponowanymi lampami może mieć dla wielu osób niebagatelne znaczenie. Dodatkowym atutem wizualnym tych lamp jest częściowo odsłonięta, doskonale widoczna żarząca się katoda oraz naturalne występowanie tzw. efektu „blue glow”, czyli świecenia na niebiesko szkła bańki pod wpływem bombardowania elektronami uciekającymi spod anody, co widać na fotografii okładkowej.

We wzmacniaczu lampy 6N13S pracują w układzie wtórnika katodowego, również z automatyczną polaryzacją, przy czym dla uzyskania odpowiedniej wydajności prądowej połączono w każdym kanale po dwie triody równolegle, ze wspólnym rezystorem katodowym R20. Przy równoległym łączeniu triod, dla wyrównania różnic w prądach anodowych, producent tej lampy zaleca stosowanie indywidualnych rezystorów katodowych, co w tym układzie jest niemożliwe. Dla tego zastosowano dodatkowe rezystory anodowe R19 i R21 blokowane dla przebiegów zmiennych do masy kondensatorami C8 i C11. Skuteczność takiego rozwiązania jest niższa, więc ich obecność będzie widoczna jedynie w przypadku dużych różnic pomiędzy triodami.  

Na rezystorach katodowych R20 wydziela się znaczna ilość ciepła, dlatego zastosowano rezystory dziesięciowatowe w aluminiowej obudowie, umożliwiającej przymocowanie rezystorów do radiatora. Widoczne na schemacie punkty LP1, LP2, LP3 są punktami lutowniczymi, do których lutuje się przewody łączące rezystory R20 z resztą układu.

Na wyjściu stopnia końcowego znajduje się kondensator C9 odcinający od słuchawek stałe napięcie występujące na rezystorze katodowym R20. Ponieważ C9 jest kondensatorem elektrolitycznym mogącym gorzej przepuszczać wyższe częstotliwości, równolegle do niego dołączony jest foliowy kondensator C10 o niewielkiej pojemności 1µF. Ze względów bezpieczeństwa oba kondensatory powinny mieć nominalne napięcie pracy wyższe od napięcia zasilającego lampy V3 i V4, gdyż są to jedyne elementy oddzielające nasze słuchawki od wysokich napięć występujących w układzie.

Gniazdo słuchawkowe dołączane jest do wyjścia wzmacniacza poprzez styki przekaźnika K1, będącego elementem układu opóźnionego załączania słuchawek (rysunek 2b). Zabezpiecza on słuchawki przed ładowaniem i rozładowywaniem przez nie kondensatorów wyjściowych C9 i C10 po włączeniu lub wyłączeniu wzmacniacza. Zastosowano miniaturowy przekaźnik FBR12DN05 z cewką na 5V, ale na płytce jest też miejsce na bardziej typowy przekaźnik standardu DIL np. HFD27/005-S. Wykorzystano styki przekaźnika K1 normalnie rozwarte (NO). Cewka przekaźnika zasilana jest ze stabilizatora IC1 (LM317-LN). Tranzystor T4 i kondensator C33 powodują po włączeniu zasilania powolny narost napięcia na wyjściu, kondensator C33 ładuje się prądem płynącym przez bazę T4, tranzystor otwiera się, zwierając nóżkę ADJ stabilizatora do masy. W miarę ładowania się kondensatora tranzystor zamyka się, a napięcie wyjściowe rośnie do wartości wyznaczonej rezystorami R65 i R66 (około 5V). Przy wartości C33 = 100µF osiągnięcie napięcia 3,8V, przy którym załącza się przekaźnik, trwa niecałą minutę, co wystarcza dla rozgrzania lamp i naładowania C9. Ponieważ układ zasilany jest z napięcia żarzenia lamp, po wyłączeniu wzmacniacza napięcie to zanika natychmiastowo, a słuchawki są błyskawicznie odłączane. Równocześnie kondensator C33 jest rozładowywany przez diodę D12.

Bardzo ważny jest rezystor R22, przez który następuje ładowanie i rozładowanie kondensatorów C9. Niezależnie od istnienia przekaźnika K1 w układzie, przy braku tego rezystora i niepodłączeniu słuchawek przed włączeniem wzmacniacza, kondensator C9 w ogóle by się nie naładował. Natomiast po nagrzaniu się lamp włożenie wtyku słuchawek do gniazdka spowodowałoby jego gwałtowne ładowanie, zwłaszcza przy słuchawkach o niskiej rezystancji. Energia tego impulsu z uwagi na pojemność i napięcie, do jakiego ładuje się C9, mogłaby spowodować mechaniczne uszkodzenie przetworników słuchawek, a na pewno efekt akustyczny byłby co najmniej nieprzyjemny dla osoby mającej wtedy słuchawki na uszach.

Wskaźnik poziomu sygnału wykorzystuje lampę V5 – EM80 (ros. 6E1П). Sygnał dla wskaźnika pobierany jest z suwaka potencjometru POT_VOL. Dla pełnego wychylenia listków lampy EM80 wymagane jest ujemne napięcie na siatce sterującej w wysokości około –20V. Sygnał na potencjometrze POT-VOL nie osiąga tego poziomu, więc potrzebne jest jego niewielkie wzmocnienie. Zastosowano prosty wzmacniacz na wysokonapięciowych tranzystorach T1 i T2. Diody D2 i D2 połączone są w układ podwajacza napięcia, ale tu chodzi głównie o dostarczenie do siatki lampy V5 jedynie ujemnych połówek sygnału. Czułość wskaźnika reguluje się potencjometrem POT1. Stała czasowa C15 * R32 decyduje o szybkości reakcji wskaźnika na zmiany napięcia.

Lampa EM80 powinna być zasilana napięciem 250V, tu zasilana jest napięciem ponad 300V ze względu na znaczne zużycie posiadanego egzemplarza. Podwyższanie tego napięcia zwiększa jasność świecenia, lecz równocześnie przyspiesza zużycie luminoforu. Jeśli mamy lampę nową lub w dobrym stanie, należy obniżyć napięcie poprzez usunięcie (niezamontowanie) zwory Z1, a w zamian połączenie punktów P1 i P2 (rysunek 4). 

Rysunek 4.

Spostrzegawczy Czytelnik zapewne zauważył, że część rezystorów w układzie wzmacniacza ma przesadnie duże moce nominalne. Nie jest to przypadek. Zależnie od producenta, rezystory o mocach 0,125W i 0,25W mają maksymalne napięcia pracy w granicach 160÷200V. Napięcia w wielu miejscach układu wzmacniacza są wyższe, zwłaszcza po włączeniu wzmacniacza, gdy lampy są zimne i nie przewodzą prądu. Właśnie dlatego należy zastosować rezystory o mocach 0,5W lub 1W, mające dopuszczalne napięcie pracy 350V lub więcej.

Zasilanie. Część zasilająca wzmacniacz składa się z dwóch oddzielnych zasilaczy napięć anodowych i obwodu zasilania żarzenia lamp. Zastosowano dwa zasilacze anodowe z uwagi na to, że wzmacniacz napięciowy wymaga znacznie wyższych napięć od stopnia prądowego.

Pierwszy zasilacz dostarcza napięcia 250V dla wzmacniacza napięciowego oraz 300V do wskaźnika EM80. Wymagana wydajność prądowa jest niewielka, poniżej 15mA, toteż dla ułatwienia nawijania transformatora sieciowego, zamiast prostownika mostkowego zastosowano podwajacz napięcia na diodach D3, D4 i kondensatorach C20 i C21. Dalej jest dwustopniowy filtr RC. Stabilizacja napięcia nie jest wymagana, a tętnienia z podwajacza doskonale tłumią stosunkowo duże stałe czasowe RC w zasilaczu i filtrach odprzęgających zasilanie każdego ze stopni napięciowych (elementy R8, R15, C3, C6). 

Drugi zasilacz dostarcza napięcie 145V do lamp V3 i V4. Ze względu na większy pobór prądu, około 260mA, zdecydowano się na układ ze stabilizatorem napięcia w celu odfiltrowania tętnień. Przy wymaganym stopniu filtracji zwykły filtr RC, jak w pierwszym zasilaczu, powodowałby bardzo duże straty napięcia i energii na rezystorach. W stabilizatorze jako element aktywny pracuje tranzystor MOSFET (T3) z uwagi na jego odporność na zjawisko wtórnego przebicia, jakie występuje w tranzystorach bipolarnych przy pracy z wyższymi napięciami. Napięcie na wyjściu jest sumą napięć diod Zenera D6, D7 i D8 oraz napięcia załączenia UGS tranzystora T3. Zastosowanie aż trzech diod Zenera nie jest koniecznością, ale ułatwia dobór diod dla uzyskania pożądanej wartości napięcia. Diody D5 i D9 zabezpieczają bramkę tranzystora T3 przed zbyt wysokim napięciem UGS w stanach nieustalonych przy włączaniu i wyłączaniu wzmacniacza. 

Rezystory R56 i R59 są istotne dla bezpieczeństwa układu – rozładowują kondensatory zasilaczy po odłączeniu napięcia zasilającego.

Dla zmniejszenia przydźwięku sieciowego przenikającego z żarzenia lamp, ich żarniki są zasilane prądem stałym, a właściwie wyprostowanym i wygładzonym baterią sześciu kondensatorów 10mF. Sumaryczny prąd żarzenia lamp wynosi 6A. Przy niskich napięciach i dużych prądach znaczenia nabierają spadki napięcia i straty mocy na prostowniku. Dla zminimalizowania strat, zamiast typowego mostka prostowniczego, zastosowano układ z symetrycznym uzwojeniem transformatora i podwójną diodą D10. Dodatkowe zmniejszenie strat uzyskano, stosując diodę Schottky‘ego zamiast zwykłych diod prostowniczych. 

Transformator. To najdroższy (poza obudową) i najtrudniejszy do wykonania element wzmacniacza lampowego. Aby sobie ułatwić pracę i ograniczyć koszty, wykorzystano transformator toroidalny, służący pierwotnie do zasilania lampek halogenowych 12V. Moc transformatora to 110W. Choć sumaryczna moc pobierana przez wzmacniacz wynosi niecałe 80W, to przyjmuje się, że w dobrych wzmacniaczach audio transformator powinien być dobierany ze znacznym zapasem mocy. Należy również uwzględnić to, że w tym wzmacniaczu pobierana moc jest stała w czasie, a obciążenie transformatora w sposób ciągły maksymalną mocą powodowałoby jego silne nagrzewanie się.

Na rdzeniu, po usunięciu oryginalnego uzwojenia wtórnego 12V, w pierwszej kolejności nawinięto dwa uzwojenia dla napięć zasilacza anodowego, a następnie uzwojenia dla napięcia żarzenia. Na schemacie (rysunki 1,2) podano napięcia, jakie występują na uzwojeniach na biegu jałowym transformatora i pod obciążeniem. O ile wartości napięć dla zasilaczy anodowych nie są krytyczne, (wystarczy przyjąć, że do liczby zwojów wynikających z przekładni transformatora dodajemy 3÷5% na spadki napięć), to w przypadku napięcia żarzenia jest przeciwnie. Trzeba mu poświęcić więcej uwagi. Dopuszczalne wahania tego napięcia wynoszą 10%, czyli tyle samo co wahania napięcia w sieci energetycznej 230V. Ponieważ napięcie żarzenia jest niestabilizowane, to margines błędu jest zerowy, a liczba zwojów uzwojenia żarzenia musi zostać dobrana dokładnie. Rzeczywista wartość napięcia pod obciążeniem będzie zależeć od wielu czynników, m.in. należy pamiętać, że prostownik z kondensatorem filtrującym obciążają transformator w sposób impulsowy, a nie ciągły, prądem o amplitudzie znacznie większej niż prąd pobierany przez odbiornik. Przebiegi napięć i prądów występujące w rzeczywistym układzie obrazuje oscylogram na rysunku 5.

Rysunek 5.

Niebieski przebieg to napięcia na uzwojeniach transformatora (dodatnie połówki), zielony – na zaciskach złączki X5, skala 1V/dz., czerwony to prąd płynący przez diody D10, skala 2A/dz.

Nie chcąc wdawać się w żmudne obliczenia uwzględniające wpływ impulsowego obciążenia i spadki napięć w całym obwodzie, dobrano liczbę zwojów uzwojenia podczas uruchamiania wzmacniacza w realnych warunkach obciążenia transformatora. Dlatego korzystnie jest zastosować transformator toroidalny i nawinąć uzwojenia żarzenia jako ostatnie. Na takim transformatorze odwinięcie kilku nadmiarowych zwojów nie będzie stanowiło problemu. Podczas pomiarów należy uwzględnić aktualną wartość napięcia w sieci zasilającej tak, by przy zmianach napięcia sieciowego do skrajnych wartości zmieścić się w dopuszczalnym zakresie zmian dla napięcia żarzenia.

Montaż i uruchomienie

Konstrukcja mechaniczna. Wzmacniacz umieszczono w aluminiowej obudowie typu 1706 o wymiarach 170×60×290mm. Obudowa dostępna jest u różnych sprzedawców na znanym chińskim portalu handlowym w wielu kombinacjach, od samej obudowy bez jakichkolwiek otworów, po w pełni wyposażoną w potencjometr, gałki, wyłącznik sieciowy, bezpiecznik i komplet gniazd, a także bez lub z otworami wentylacyjnymi. Praktyka wykazała, że zdecydowanie należałoby zastosować obudowę z dużą liczbą otworów wentylacyjnych, gdyż rezystory R20, transformator i kilka innych elementów silnie podgrzewają wnętrze. 

Elektronikę wzmacniacza wykonano z elementów przewlekanych. Prawie wszystkie elementy znajdują się na jednej płytce z wyjątkiem baterii kondensatorów 10mF/16V – C27...C32 będącej na osobnej płytce oraz diody D10 i tranzystora T3, które umieszczono na tylnej ściance obudowy, będącej jednocześnie radiatorem dla tych elementów. W miejscu mocowania D10 i T3 do zewnętrznej powierzchni ścianki przylepiono klejem termoprzewodzącym dodatkowy niewielki radiator (fotografia 6). 

Fotografia 6.

Także rezystory katodowe R20 umieszczone są poza główną płytką. Ze względu na wydzielaną na nich ilość ciepła rezystory przykręcone są do płaskownika aluminiowego 4mm, a ten przylepiony jest do pokrywy obudowy (fotografia 7).

Fotografia 7.

Pokrywa jest więc radiatorem dla tych rezystorów, co powoduje jej mocne rozgrzanie po kilku godzinach pracy. Nie osiąga jednakże temperatur niebezpiecznych dla użytkownika czy innych elementów wzmacniacza.

Główna płytka z elektroniką mocowana jest do górnej pokrywy obudowy elementami w dół, za pomocą słupków dystansowych z gwintem M3 o długości 8mm (fotografia 8). Podstawki pod lampy lutowane są od strony ścieżek. Ponieważ podstawki pod lampy wymagają sporej siły do umieszczenia w nich lamp (zwłaszcza nowe), a mocowane są tylko do laminatu, zastosowano dość gruby laminat 1,8mm w celu uzyskania dużej sztywności.

Fotografia 8.

Podstawki nowalowe są niższe od octalowych, więc dla wyrównania poziomów i zlicowania ich z pokrywą obudowy przykręcono je do laminatu śrubkami M3, wykorzystując centralny otwór podstawki i podkładając pod podstawki po trzy podkładki o grubości 1,5mm, wycięte z laminatu z usuniętą warstwą miedzi. Podstawek octalowych nie da się przykręcić, więc dla zwiększenia wytrzymałości połączenia mechanicznego zastosowano sztucznie powiększone pola lutownicze, przy czym dodatkowo można zagiąć końcówki nóżek po drugiej stronie laminatu.

Kolejność lutowania elementów nie jest istotna, choć najwygodniej zacząć od podstawek pod lampy, co ułatwia ewentualną korektę położenia względem otworów w obudowie. W płytkę należy wlutować kilka zworek z drutu, oznaczone są na rysunku 3 literą Z.

Przewody łączące obwód żarzenia, dla uniknięcia niepotrzebnych spadków napięć, powinny mieć duży przekrój – nie mniej niż 1,5mm2. Gniazda wejściowe łączymy ze złączkami WE1, WE2 na płytce za pomocą przewodów ekranowanych, prowadząc je możliwie daleko od transformatora. Gniazdo słuchawkowe łączymy ze złączkami Wy1, Wy2, a potencjometr siły głosu ze złączkami POT-VOL.

Na płytce nie ma ścieżek stanowiących obwód zasilania żarników lamp, są tylko punkty lutownicze przy podstawkach lamp, a na fotografii 9 widoczne są mostki z drutu w izolacji, którymi wykonano te połączenia. Rysunek 10a pochodzący z noty katalogowej lampy 6AS7G firmy Tung-sol przedstawia preferowany układ łączenia żarników lamp, zapewniający takie samo napięcie na każdej lampie, niezależnie od wielkości spadków napięć na przewodach łączących. Rysunek 10b przedstawia zastosowany układ połączeń, dobrany doświadczalnie pod kątem minimalizacji przenikania tętnień, a uwzględniający powyższe zalecenie.

Fotografia 9.
Rysunek 10.

Metalową obudowę wzmacniacza łączymy z masą obwodu audio w jednym punkcie. Zazwyczaj najlepsze miejsce to gniazda wejściowe. Z tego powodu należy odizolować gniazdo słuchawkowe od obudowy, jeśli stosujemy takie, które mocowane jest metalową tulejką będącą jednocześnie stykiem masy dla wtyku słuchawek. W przeciwnym razie stworzymy pętlę masy.

Prawidłowo zmontowany układ nie wymaga specjalnych czynności uruchomieniowych i działa od razu. Po pełnym rozgrzaniu lamp, co trwa kilka minut, należy zweryfikować napięcia w charakterystycznych punktach układu, szczególnie napięcie żarzenia.

Wykonując pomiary, pamiętaj, że w układzie występują niebezpieczne wysokie napięcia.

Poza ewentualną korektą tego napięcia należy połączyć ze sobą w jednym punkcie obwody żarzenia i wzmacniacza. Przy żarzeniu prądem stałym najczęściej wykonuje się połączenie mas obwodów w miejscu dobranym tak, by zminimalizować zakłócenia z obwodu żarzenia. W tej konstrukcji najlepszym miejscem okazało się najbardziej oczywiste, czyli punkt centralny masy – wykonano mostek z krótkiego odcinka drutu łączący „minusową” nóżkę kondensatora C26 i nóżkę 7 podstawki lampy V4 (rysunek 4).

Potencjometr POT1 ustawiamy tak, by uzyskać pełne wychylenie listków lampy EM80 przy maksymalnej mocy wyjściowej, z jaką będziemy słuchać muzyki.

Testy wzmacniacza

Odsłuch opisywanego wzmacniacza wypadł dobrze! Gra inaczej niż wyjście słuchawkowe typowego amplitunera. Słucha się przyjemnie. I tyle! Nie będę tu przynudzał pseudoaudiofilskimi zwrotami o „zszywaniu średnicy z górą” czy basach „energetyzujących słuchacza”. Nie to czasopismo...

Zmierzone pasmo przenoszonych częstotliwości przekracza 100kHz. Oscylogram A przedstawia napięcie na wyjściu wzmacniacza (przebieg czerwony) przy obciążeniu 32Ω i podaniu na wejście sygnału trójkątnego o amplitudzie 1Vp (niebieski), skala 1V/dz. Wzmacniacz uzyskuje założoną amplitudę 2,5Vp, widać tylko nieznaczną asymetrię połówek sygnału.

Oscylogram A

Oscylogram B pokazuje maksymalny sygnał, jaki da się uzyskać bez silnego zniekształcania dolnych połówek, skala 2V/dz. Widać już dużą asymetrię i silną nieliniowość, przy czym pomiary wykazały, że źródłem tych zniekształceń są lampy V3 i V4. Szczegółowe informacje, dlaczego tak jest, staną się jasne po lekturze drugiej części artykułu (w następnym numerze). Podane tam też będą wskazówki, jak zoptymalizować układ lub wręcz przeciwnie – jak go jeszcze troszkę „zepsuć”, zależnie od efektów, jakie chcemy uzyskać.

Oscylogram B pokazuje spory potencjał wzmacniacza w zakresie zwiększania mocy wyjściowej. Równolegle połączone triody 6N13S nie są mocno obciążone. Można zwiększyć prąd spoczynkowy triod, podnosząc napięcie zasilające Ub, lecz tylko na tyle, by nie przekroczyć dopuszczalnej mocy traconej na anodach. W jednej z wcześniejszych wersji tego wzmacniacza pozwoliło to uzyskać moc wyjściową rzędu 400mW, co powinno umożliwić zasilenie nawet najbardziej opornych słuchawek. Skutkiem ubocznym jest konieczność zwiększenia mocy transformatora w zasilaczu do około 140W. I teraz, zważywszy że wzmacniacz dostarcza do słuchawek poniżej 1W mocy, widać, dlaczego tytuł artykułu brzmi „Nieco ekstremalny...”.

Oscylogram B

W materiałach dodatkowych w Elportalu znajdują się rysunki płytek w formacie PDF z warstwami, co umożliwia wydrukowanie dowolnych elementów rysunków, np. same ścieżki do wykonania płytki metodą „żelazkową”. Jest także kompletny schemat.

W dalszej części artykułu przedstawione zostaną dodatkowe bardzo cenne informacje, pozwalające według potrzeb i upodobań samodzielnie zaprojektować podobne wzmacniacze, także z wykorzystaniem innych lamp.

Wykaz elementów
R19,R19A,R21,R21A
100Ω/1W
R65
240Ω
R63
330Ω
R20,R20A
330Ω/10W
R66
680Ω
R4,R4A,R12,R12A
1kΩ
R22,R22A
1kΩ/1W
R31
2,4kΩ
R60,R61
2,4kΩ
R57,R58
3kΩ/1W
R62
3,3kΩ
R1,R1A
3,9kΩ
R15,R15A
4,7kΩ
R5,R5A,R13,R13A
5,1kΩ
R8,R8A,R17,R17A,R18,R18A
10kΩ
R3,R3A,R11,R11A
47kΩ/1W
R7,R7A
64kΩ
R27,R29,R30
100kΩ
R6, R6A, R9, R9A
220kΩ
R2,R2A,R10,R10A,R16,R16A,R23,R33
470kΩ
R56,R59
470kΩ/0,5W
R32
1MΩ
R25,R26
2MΩ
R28
3,3MΩ
POT1
500kΩ, typ RM65 lub CA6-V
POT_B
2×200k-B
POT_VOL
2×500k-A (logarytmiczny)
C4,C4A
100pF/1000V
C5,C5A
10nF/400V
C17
47nF/400V
C15
100nF/100V
C22
100nF/250V
C2,C2A,C7,C7A
220nF/400V
C1,C1A
220nF/250V
C10,C10A
1μF/200V foliowy
C12,C13,C14
1μF/350V elektrolityczny
C24,C25
22μF/400V elektrolityczny
C3,C3A,C6,C6A
33μF/400V
C20,C21
47μF/250V elektrolityczny
C18,C19,
47μF/400V elektrolityczny
C8,C8A,C11,C11A,C23
100μF/160V elektrolityczny
C26
100μF/400V elektrolityczny
C33
100μF/10V elektrolityczny
C9,C9A
470μF/200V elektrolityczny
C27,C28,C29,C30,C31,C32
10mF/16V
D1,D2
1N4148
D3,D4,D9
1N4007
D5
BZX85-C12V
D6,D7,D8
BZX85-C47V
D10
10A/20V)
D11,D12
1N4004, 1N4007
M1
W04M lub dowolny mostek prostowniczy 400V/1A
LED1
dowolna dioda LED
IC1
LM317LN (TO-92)
T1,T2
200V)
T3
IRF840N, IRF740N
T4
BC560C (PNP, BC556C÷BC560C)
V1,V2
ECC82
V3,V4
6N13S
V5
EM80
WE1,WE2,WY1,WY2,POT_VOL1,POT_VOL2, BARWA_1,BARWA_2
Listwa goldpin 2,54mm
K1
przekaźnik FBR12ND05 lub HFD27/005-S
X2, X3, X4, X5
Listwa zaciskowa ARK500-2
Podstawki ceramiczne 9pin NOVAL PCB1 Ø18mm
Podstawki ceramiczne 9pin NOVAL PCB1 Ø18mm
Podstawki ceramiczne 8pin OCTAL PCB9 Ø26,5mm
Podstawki ceramiczne 8pin OCTAL PCB9 Ø26,5mm
Firma:
Tematyka materiału: AVT3290, Słuchawkowy wzmacniacz lampowy OTL, ECC82, 6N13S, EM80
AUTOR
Źródło
Elektronika dla Wszystkich styczeń 2021
Udostępnij
Zobacz wszystkie quizy
Quiz weekendowy
Theremin
1/10 Lew Termen i Leon Theremin to ta sama osoba. Które nazwisko pojawiło się później?
UK Logo
Elektronika dla Wszystkich
Zapisując się na nasz newsletter możesz otrzymać GRATIS
najnowsze e-wydanie magazynu "Elektronika dla Wszystkich"