Serwisy partnerskie:
Close icon
Serwisy partnerskie

Knight Rider Light - 16 diod LED dużej mocy (kompatybilny z Arduino)

Article Image
Elmax
Lampka LED „Knight Rider” i jeden z najlepszych projektów Arduino dla początkujących. Steruje ona 16 diodami LED dużej mocy, włączając je sekwencyjnie jedna po drugiej – projekt kompatybilny z Arduino o otwartym kodzie źródłowym.

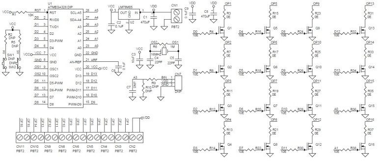
Zawiera on 16 wysokoprądowych tranzystorów MOSFET, mikrokontroler Atmega328, regulator 5 V itp. Bramka tranzystorów MOSFET IRLR7843 jest podłączona do pinów I/O układu Atmega328. Zaciski śrubowe służą do podłączenia diod LED i zasilania. Dodatkowe 2 przełączniki dotykowe i jedno złącze dla wejścia analogowego są przewidziane do dalszych eksperymentów. Zasilanie robocze od 12 V do 15 V DC, każde wyjście może sterować stałym obciążeniem prądowym 1 A (1 W do 12 W LED) bez chłodzenia i obciążeniem do 2 A z wymuszonym chłodzeniem powietrzem.

Schemat

Cechy

  • Zasilanie robocze od 12 do 15 V DC
  • Obciążenie: Każdy kanał do 1A przy temperaturze pokojowej, 2A z wentylatorem
  • LED od 1 W do 12×W (12-24 W przy odpowiednim chłodzeniu z wentylatorem)
  • Wymiary PCB: 154,14 × 53,97 mm

Schemat

Komponenty i działanie

  • R1 >> dla pinu Reset,
  • R3, R15, R23, R31, R7, R17, R25, R33, R11, R19, R27, R35, R13, R21, R29, R37 >> Opcjonalne rezystory szeregowe do ograniczania prądu
  • R4, R16, R24, R3...
Aby kontynuować czytanie wykup prenumeratę
Kup teraz
Galeria
DATA SHEET
Wideo
Firma:
Źródło
www.electronics-lab.com
Udostępnij
Zobacz wszystkie quizy
Quiz weekendowy
Theremin
1/10 Lew Termen i Leon Theremin to ta sama osoba. Które nazwisko pojawiło się później?
UK Logo
Elektronika dla Wszystkich
Zapisując się na nasz newsletter możesz otrzymać GRATIS
najnowsze e-wydanie magazynu "Elektronika dla Wszystkich"