Przykład, całkiem zresztą „świeży”: urządzenie było zasilane napięciem 5 V, pochodzącym z zewnętrznego zasilacza stabilizowanego. Liniowego, bo w tej konkretnej aplikacji bardzo zależało mi na możliwie niskim poziomie emitowanych zakłóceń elektromagnetycznych. Traf chciał, że potrzebowałem wzmacniacza napięciowego do wzmocnienia sygnału z czujnika. Aby jednak ten wzmacniacz mógł poprawnie pracować z sygnałem wyjściowym o wartości do 5 V, trzeba go było zasilić napięciem o przynajmniej 3 V wyższym, czyli około 8 V. Wzmacniacze rail-to-rail słabo spisują się przy napięciu wyjściowym bliskim potencjałowi dodatniej szyny zasilania, wolałem więc dać pewien margines dla poprawnej (liniowej) pracy jego stopnia wyjściowego. A do dyspozycji było tylko 5 V. Cytując klasyka: nie mamy pańskiego płaszcza i co nam pan zrobi?
Można użyć przetwornicy impulsowej typu boost i nie zastanawiać się nad tym więcej. Tyle że ten układ miał być „elektromagnetycznie cichy”. Owszem, można dobrać dobry dławik, można popracować nad częstotliwością kluczowania, można również wsadzić to wszystko w ekran z porządnej stali – ale tutaj uznałem, że nie ma takiej potrzeby. Powiem więcej, moje potrzeby całkowicie zaspokoił zwykły powielacz napięcia – całkiem użyteczny układ, znany m.in. ze sprzętu RTV pochodzącego z byłej NRD.
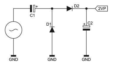
Na rysunku 1 zamieściłem schemat podwajacza napięcia w jego klasycznej wersji. Dwie diody półprzewodnikowe, dwa kondensatory i źródło napięcia przemiennego. W teoretycznym uproszczeniu na wyjściu powinniśmy uzyskać napięcie stałe o wartości równej podwojonej wartości szczytowej napięcia wejściowego. Uwzględniając nieco praktyki, trzeba jednak odjąć sumę spadków napięcia na diodach oraz opór wewnętrzny takiego zasilacza. Zaletą układu jest to, że masy napięć wyjściowego i wejściowego są wspólne, czego nie można powiedzieć o np. mostku Graetza.
W tym urządzeniu nie miałem jednak do dyspozycji sinusoidalnego napięcia przemiennego, toteż musiałem zrealizować całość nieco inaczej. Mikrokontroler, który i tak znalazł się w tym urządzeniu, z łatwością może wygenerować unipolarny przebieg prostokątny o amplitudzie 5 V, wypełnieniu 50% i niemal dowolnej częstotliwości. Jednak do pracy podwajacza potrzebny jest sygnał bipolarny, czyli o polaryzacji dodatniej i ujemnej względem masy. Nie ma tutaj takiego przebiegu, ale można klasyczny podwajacz odpowiednio oszukać. Gdyby tego nie zrobić, ów „kanoniczny” układ w ogóle by nie zadziałał.