Źródła prądowe da się zrealizować na wiele sposobów, różniących się przede wszystkim dokładnością ustalania natężenia prądu oraz możliwością jego regulacji. Nie będę się rozpisywał o wszystkich potencjalnych wariantach (począwszy od tranzystora bipolarnego pracującego jako mnożnik prądu bazy), gdyż takich układów w praktyce się nie spotyka. Natomiast bardzo często mamy styczność ze źródłem prądowym, które w literaturze określa się mianem precyzyjnego – i które może za takie uchodzić, jeżeli akurat zadziała.
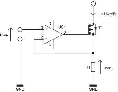
Mowa o układzie z rysunku 1 bądź jakiejś jego zmodyfikowanej odmianie. W teorii układ ten bardzo dobrze zachowuje się w roli źródła prądowego. Wzmacniacz operacyjny US1 tak steruje bramką tranzystora T1, aby spadek napięcia na rezystorze R1 był równy napięciu wejściowemu Uwe. Układ „wciąga” drenem T1 prąd o natężeniu równym Uwe/R1, czego na bieżąco pilnuje wzmacniacz operacyjny. Taki sam układ, tylko z tranzystorem MOSFET z kanałem typu P, bylibyśmy w stanie zbudować dla prądu wypływającego od strony dodatniej szyny zasilania.
Dlaczego w roli elementu wykonawczego znalazł się tranzystor unipolarny? Odpowiedź nie jest trudna: chodzi o praktycznie zerowy prąd bramki, gwarantujący równość prądu źródła (przez które przepływa prąd wywołujący spadek na R1) oraz prądu drenu (którego faktycznie używamy w innych częściach układu). Jedyne, co stoi na przeszkodzie w uzyskaniu faktycznie idealnego wyniku, to offset napięciowy wzmacniacza operacyjnego i tolerancja wykonania rezystora R1. W dalszych rozważaniach można się pokusić nawet o przeanalizowanie znaczenia prądów wejściowych wzmacniacza operacyjnego, zwłaszcza przy małym natężeniu wymuszanego prądu I. Tyle że to wszystko nie zda się na nic, jeżeli układ po prostu nie zadziała.
Dlaczego? Ponieważ najnormalniej w świecie się wzbudzi (choć nie zawsze, raczej w 99% przypadków). Dzieje się tak, ponieważ wzmacniacz operacyjny steruje niemal czystą pojemnością o wartości od kilku do kilkudziesięciu nanofaradów. Taki układ, objęty sprzężeniem zwrotnym, ma tendencję do popadania w oscylacje, o czym pisałem w artykule Wzmacniaczu operacyjny, nie wzbudzaj się!, opublikowanym w EP 09/2023. Mamy więc układ, który na papierze wygląda idealnie, ale w praktyce jest bardzo niesforny.