Znane przysłowie głosi, że jak nie wiadomo, o co chodzi, to chodzi o pieniądze. Tutaj jednak wiadomo, o co chodzi, bowiem zagadnienie jest (na pierwszy rzut oka) bardzo proste: trzeba ograniczyć napięcie zasilające układ do z góry określonej wartości. Po co to robić? Ponieważ w układzie znajduje się – zasilany napięciem 5 V – czujnik Halla, który bardzo nie lubi, gdy jego zasilanie wzrasta powyżej tej wartości – zaczyna pracować wtedy silnie nieliniowo. A czemu nie wystarczy zasilać go niższym napięciem? To też nie jest takie proste, gdyż tego typu rozwiązanie obniża wiarygodność odczytów. Doświadczalnie ustaliłem, że zakres od 4,8 V do 5,2 V jest optymalny. Stabilizator 5 V i gotowe? Niestety nie do końca.
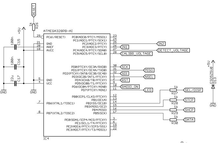
Przeanalizujmy schemat z rysunku 1 – jest to fragment większego urządzenia. Do mikrokontrolera typu ATmega328PB prowadzą linie połączone z innymi podzespołami znajdującymi się na płytce, jak i poza nią. Te spoza płytki są zabezpieczone diodami transil, dodatkowo przed samym mikrokontrolerem znajdują się rezystory szeregowe, które ograniczają prąd diod zabezpieczających wejścia MCU, standardowo znajdujących się w jego strukturze. Ich rola jest dobrze znana: jedna z nich otwiera się, kiedy potencjał danego wyprowadzenia wykracza poza wartość napięcia zasilającego (tutaj 5 V) lub spada poniżej poziomu masy (0 V). W tym wypadku bardziej doskwierają nam impulsy o polaryzacji dodatniej, więc tylko one będą dalej analizowane.
Dlaczego akurat one? Ponieważ prąd przewodzony przez „górną” diodę jest odprowadzany do linii zasilającej. Jej potencjał się wtedy podnosi, co stanowi naturalny skutek „dolewania” prądu do kondensatorów filtrujących zasilanie.
Owszem, stabilizator może zmniejszyć prąd wyjściowy, aby utrzymać stałe napięcie na linii zasilającej, ale jego pole manewru jest ograniczone – przecież nie zmniejszy swojego prądu wyjściowego do wartości poniżej zera. A to byłoby wymagane w sytuacji, kiedy napięcie na jego wyjściu wzrasta powyżej nominalnego. W typowej sytuacji taki nadmiarowy prąd, który przedostał się do układu poprzez diodę zabezpieczającą w układzie scalonym, zostałby natychmiast spożytkowany przez inne obwody, które są zasilane z tej linii. W tej akurat sytuacji sprawa jest ciut bardziej skomplikowana, gdyż cały układ pobiera przez większość czasu prąd o bardzo małym natężeniu, rzędu 100 μA.