Najbardziej znanym timerem jest sławny układ 555, który powstał już ponad 50 lat temu (!) i nadal jest produkowany przez wiele firm, co w elektronice zdarza się niezwykle rzadko. Dlatego umieszczenie go na innym miejscu niż pierwsze byłoby czymś co najmniej nienaturalnym. Schemat ideowy klasycznej aplikacji 555, widniejący na rysunku 1, nie uwzględnia takich elementów jak kondensatory odsprzęgające zasilanie czy kondensator filtrujący wewnętrznego dzielnika napięcia (który włącza się między nóżkę 5 a masę, choć nie jest on konieczny do działania). Nie będę tutaj także opisywał szczegółów dotyczących jego działania, ponieważ te zostały opublikowane w wielu miejscach, choćby w nocie katalogowej [1].
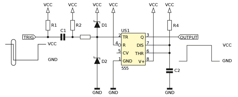
Skupię się natomiast na pewnym mankamencie tego układu: impuls wyzwalający musi być krótszy od tego, który jest wytwarzany przez układ, a którego długość ustala się poprzez dobranie stałej czasowej obwodu R2C1. Nie zawsze jest możliwe zagwarantowanie spełnienia tego wymogu w rzeczywistych warunkach – na przykład, jeżeli przełącznik chwilowy na klatce schodowej (uruchamiający oświetlenie na kilka minut) zostanie przez kogoś zablokowany w pozycji zwartej. Wtedy warto zróżniczkować impuls wejściowy i wydobyć z niego jedynie zbocze opadające, choćby takim obwodem jak na rysunku 2. Rezystory R1 i R2 utrzymują kondensator C1 w stanie rozładowania, z kolei stała czasowa R2C1 decyduje o długości impulsu wyzwalającego, którego długość może wynosić choćby zaledwie kilka milisekund. Ponieważ jednak przy przeładowywaniu C1 na wejściu TRIG układu 555 mogą pojawić się impulsy szpilkowe o wartości chwilowej wyższej niż napięcie zasilające lub niższej niż 0 V, zostały dodane diody D1 i D2 „obcinające” te impulsy. Z kolei rezystor R3 ogranicza prąd tych diod.
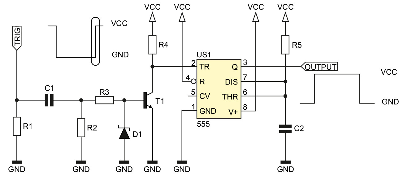
Jeżeli interesuje nas wyzwalanie zboczem narastającym, a nie opadającym, wówczas może być przydatny układ z rysunku 3. Tranzystor T1 służy do odwracania polaryzacji impulsu wyzwalającego: z dodatniego, który wchodzi na wejście układu, generuje ujemny, ponieważ obniża na chwilę potencjał wejścia TRIG. Dioda D1 zabezpiecza przed przebiciem wstecznym złącza baza-emiter tranzystora T1. Wejściowy układ różniczkujący, tak jak poprzednio, formuje impuls wyzwalający o ustalonej długości.