Serwisy partnerskie:
Close icon
Serwisy partnerskie

Chirurgia obwodowa. Generator Royera

Article Image
Niedawno na forum EE Web zamieszczono pytanie użytkownika Frostyjams dotyczące generatora Royera. Samym pytaniem nie będziemy się zajmować. Podano tam odsyłacz do schematów (aczkolwiek w momencie pisania tego tekstu nie było do nich dostępu). Sam układ Royera jest jednak na tyle interesujący, że przyjrzymy mu się dokładniej.

Generator Royera, określany również jako „przetwornica Royera”, jest powszechnie stosowany w inwerterach mocy, które wytwarzają stosunkowo wysokie napięcia zmienne z zasilania stałoprądowego. Wyjściowe napięcie zmienne można oczywiście wyprostować, uzyskując przetwornicę stałoprądową (DC-DC). Istnieje kilka podobnych układów, które można wykorzystać do tego celu.

Przetwornice Royera (lub podobne) były powszechnie stosowane w wyświetlaczach do wytwarzania wysokich napięć dla układów podświetlania opartych na lampach fluorescencyjnych z zimną katodą (CCFL). W ciągu ostatniej dekady zakres stosowania podświetlenia CCFL zmniejszył się, ponieważ rozpowszechniły się metody oparte na diodach LED. Niemniej jednak istnieje wiele zastosowań wymagających użycia przetwornicy podwyższającej napięcie, w których warto zastosować układ Royera lub podobny.

Względy bezpieczeństwa

W artykule omówimy zasadę działania przetwornicy Royera, w tym niektóre kwestie związane z symulacją działania. Nie przedstawiamy żadnego gotowego projektu, ale oczywiście projekty można znaleźć gdzie indziej. Każdy zainteresowany budową takich układów musi mieć świadomość, że niektóre z nich mogą wytwarzać napięcia wyjściowe niebezpieczne dla życia lub wydzielać duże ilości ciepła w wyniku silnego nagrzewania się elementów. Istnieje więc ryzyko porażenia prądem i poparzenia. Podczas pracy z takimi układami należy podejmować odpowiednie środki ostrożności.

Podstawy działania generatora Royera

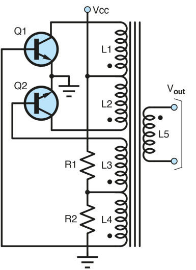
Przetwornica Royera została po raz pierwszy opisana przez G. H. Royera w 1954 roku. Podstawowy układ generatora Royera pokazano na rysunku 1. Opiera się on na transformatorze z kilkoma uzwojeniami, sterowanymi przez dwa tranzystory.

Rysunek 1. Układ podstawowy przetwornicy Royera

Działanie generatora polega na wysterowywaniu dzielonego uzwojenia pierwotnego L1-L2 i pobieranie sprzężenia zwrotnego z dzielonego uzwojenia wtórnego L3-L4 o stosunkowo małej liczbie zwojów. Uzwojenia te wystarczają do tego, by wystąpiły oscylacje. Aby uzyskać podwyższone napięcie wyjściowe, wymagane jest jednak jeszcze jedno uzwojenie wtórne – L5. Napięcie indukowane w uzwojeniu wtórnym zależy od napięcia zasilania (VCC) i stosunku liczby zwojów L1-L2 do L5.

Aby transformator w generatorze Royera był wykorzystany prawidłowo, należy wiedzieć, w którą stronę podłączyć jego uzwojenia. Początki uzwojeń transformatora są oznaczane na jego obudowie kropkami (tzw. „kropki fazowe”). Kropki podawane są również na schemacie. Zaciski z kropką mają podczas pracy transformatora taką samą chwilową polaryzację napięcia. Na przykład, gdy uzwojenie pierwotne jest od strony kropki zasilane dodatnią połówką fali napięcia przemiennego (lub dodatnim impulsem napięcia), uzwojenie wtórne będzie miało od strony zacisku z kropką dodatnią polaryzację w odniesieniu do drugiego zacisku. Podczas dodatniego cyklu prąd będzie wpływał do zacisku pierwotnego z kropką i wypływał z oznaczonego kropką zacisku wtórnego.

Nasycenie magnetyczne

Działanie generatora Royera wymaga nasycenia magnetycznego, więc warto zdefiniować, co przez to rozumiemy. Przyłożenie zewnętrznego pola magnetycznego do materiału magnetycznego powoduje jego namagnesowanie. Nasycenie magnetyczne występuje, gdy wzrastające pole magnetyczne nie może dalej zwiększać stopnia namagnesowania materiału. Zachodzi to w przypadku niektórych rodzajów materiałów, w szczególności materiałów ferromagnetycznych, np. żelaza.

W materiałach tych istnieją mikroskopijne domeny, które działają jak bardzo małe magnesy i mogą zmieniać kierunek swojego namagnesowania. W obecności zewnętrznego pola magnetycznego domeny te mają tendencję do wyrównywania się z przyłożonym polem. Im silniejsze pole, tym bardziej domeny stają się wyrównane. Istnieje jednak granica tego procesu, po przekroczeniu której dalsze zwiększanie przyłożonego pola magnetycznego nie spowoduje większego wyrównania domen (stopnia namagnesowania). W tym momencie następuje nasycenie magnetyczne.

Jeśli materiał rdzenia cewki wykazuje nasycenie, wówczas przy prądach, które zbliżają się do punktu nasycenia lub przekraczają go, cewka staje się elementem nieliniowym. Oznacza to, że indukcyjność cewki zmienia się w zależności od przepływającego przez nią prądu (w przypadku idealnej cewki indukcyjność od prądu nie zależy). Gdy rdzeń wchodzi w nasycenie, indukcyjność maleje. Zmniejsza się również sprzężenie między uzwojeniami transformatora.

Kształt wykresu indukcyjności w funkcji prądu różni się w zależności od właściwości materiału rdzenia. Przykład pokazano na rysunku 2. Przedstawia on charakterystykę określaną jako „nasycenie twarde”, gdzie indukcyjność powyżej pewnego poziomu prądu spada gwałtownie.

Rysunek 2. Przykład typowej zależności indukcyjności od prądu dla cewki wykazującej twarde nasycenie. Kształt krzywej i wartości zależą od rozmiaru cewki i materiału rdzenia

W większości zastosowań nasycenia się unika, ponieważ zmniejszenie indukcyjności może prowadzić do niepożądanego wzrostu prądu, zniekształceń kształtu przebiegu lub niskiej sprawności układu. W niektórych zastosowaniach nasycenie magnetyczne jest jednak wykorzystywane. W działaniu generatora Royera odgrywa ono znaczącą rolę.

Aby przeczytać ten artykuł kup e-wydanie
Kup teraz
Firma:
AUTOR
Źródło
Elektronika dla Wszystkich wrzesień 2025
Udostępnij
Zobacz wszystkie quizy
Quiz weekendowy
Theremin
1/10 Lew Termen i Leon Theremin to ta sama osoba. Które nazwisko pojawiło się później?
UK Logo
Elektronika dla Wszystkich
Zapisując się na nasz newsletter możesz otrzymać GRATIS
najnowsze e-wydanie magazynu "Elektronika dla Wszystkich"