Elektronicy lubią mechaniczne styki, na przykład przekaźników, tylko w dwóch sytuacjach: kiedy przewodzą prąd lub kiedy tego nie robią. W momencie zmiany bieżącego stanu są one źródłem wielu problemów współczesnej elektroniki. Chodzi głównie o iskrzenie przełączających się metalowych styków, które generuje silną porcję zakłóceń o bardzo szerokim widmie częstotliwościowym. Już w XIX wieku niemiecki fizyk Heinrich Rudolf Hertz zaobserwował to zjawisko. Pomimo upływu lat, problem wcale się nie zmniejszył, wręcz przeciwnie – to nasze układy stały się bardziej wrażliwe.
Każde styki iskrzą w momencie ich załączania lub rozłączania. Kiedy jeden zderza się z drugim, ulegają wielokrotnemu odbiciu od siebie, co zapala i gasi łuk elektryczny między nimi. Ponadto ich powierzchnie kontaktu są nieregularne, a to dodatkowo potęguje opisane zjawisko. Z kolei podczas rozłączania mamy do czynienia z „ciągnięciem” łuku elektrycznego między oddalającymi się powierzchniami. W mniej przewidywalny sposób zachowuje się prąd przemienny, który samoistnie potrafi zgasić łuk (kiedy prąd akurat przechodzi przez zero), choć to marne pocieszenie, bowiem nie mamy żadnej kontroli nad momentem przełączania styków.
Kolejna zła wiadomość: każde styki, między którymi występuje jakieś napięcie (w momencie ich łączenia) lub przepływ prądu (podczas rozłączania), będą źródłem takich zakłóceń. Przykład? Mikroprzełączniki typu tact switch, używane do zadawania nastaw naszym urządzeniom z mikrokontrolerami. Ileż to artykułów napisano na temat debouncingu, czyli właśnie radzenia sobie z iskrzeniem styków w tych malutkich przełączniczkach. Jakie występuje tam napięcie? Zaledwie kilka woltów. I prąd również okazuje się mizerny, z reguły grubo poniżej 1 mA. A iskrzenie jak było, tak jest i będzie. O ile opisany mikroprzełącznik raczej nie wywoła szkód w układzie, jeżeli tylko układ go obsługujący został odpowiednio przygotowany od strony programowej, o tyle przekaźniki łączące większe prądy przy wyższych napięciach – już jak najbardziej.
Dostałem niedawno do sprawdzenia niedziałającą płytkę przerywacza wycieraczek. W układzie znajdowały się dwa solidne przekaźniki zdolne przewodzić 40 A prądu stałego, a tuż obok nich umieszczony został mikrokontroler sterujący nimi. Co zauważyłem? Zasilanie mikrokontrolera prawidłowo filtrowane, wszystkie nieużywane wyprowadzenia podciągnięte przez rezystory do jakiegoś ustalonego potencjału, zatem od strony samego mikrokontrolera po prostu... miód-malina! Niestety, układ co pewien czas zawieszał się lub zaczynał wykonywać chaotyczne działania, a po zastosowaniu układu watchdog restartował się co chwilę. Z przekaźników natomiast sypały się snopy iskier, jakby ktoś próbował zainicjować łuk podczas spawania zanieczyszczoną elektrodą…
Nasi przodkowie już dawno temu stwierdzili, że lepiej jest zapobiegać, niż leczyć. Po wielu latach praktyki w elektronice stwierdzam, że byli to bardzo mądrzy ludzie. Jakiekolwiek ekranowanie wrażliwych elementów daje bardzo słaby efekt, ponieważ składowa magnetyczna emitowanych zakłóceń jest na tyle silna, że z powodzeniem przejdzie przez ekran. Oczywiście im większa odległość od źródła zakłóceń, tym słabszy ma ona charakter (traci znaczenie na rzecz składowej elektrycznej – fala staje się falą płaską), lecz rzadko możemy sobie pozwolić na luksus umieszczenia elementów wykonawczych hen daleko od elektroniki sterującej.
Na temat obwodów tłumiących, zwanych snubberami, napisano nie mniej artykułów niż o debouncingu. Teoria na ten temat jest piękna, wzory wyglądają prześlicznie, lecz zawarte w nich założenia mają pewną wadę: trzeba dokładnie znać parametry sterowanego obciążenia, by móc precyzyjnie obliczyć wartości elementów tłumika. Mało kiedy dysponujemy takimi danymi. Czy jakikolwiek producent silników do wycieraczek podaje w notach katalogowych indukcyjność uzwojeń? Jeszcze gorzej wygląda sytuacja, gdy kompletnie nie wiemy, co będzie sterowane przez dany przekaźnik: odkurzacz, żarówka, betoniarka, a może ładowarka do telefonu?
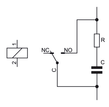
Dlatego w praktyce trzeba pożegnać ze smutkiem tę piękną teorię i wykonać po prostu coś, co działa. Być może nie będzie to rozwiązanie idealne, ale lepszy nawet źle dobrany obwód tłumiący niż brak jakiegokolwiek – poza określonymi przypadkami, o czym więcej piszę w dalszej części artykułu. Spośród różnych topologii snubberów sam najczęściej stosuję tę widoczną na rysunku 1. Składa się tylko z dwóch połączonych szeregowo elementów: rezystora i kondensatora. Jakie funkcje pełnią te elementy i jak je dobrać?
Kondensator C podtrzymuje drogę dla prądu płynącego przez styki w momencie ich przełączania. Można przyrównać to zjawisko do klasycznego (znanego z teorii obwodów) zachowania kondensatora przy szybkich zmianach napięcia między jego okładkami – zachowuje się wtedy jak zwarcie. Ale takie powstające przy każdym przełączeniu zwarcie również nie jest najkorzystniejsze dla styków, bowiem zwierający się naładowany kondensator stanowiłby dodatkowe źródło dość efektownych iskier, przyczyniających się do dodatkowej destrukcji styków. Dlatego zawsze powinien towarzyszyć mu szeregowo włączony rezystor, który ograniczy prąd przez niego płynący. Element o zbyt niskiej rezystancji nie spełni swojej funkcji (kondensator będzie wymuszał przepływ prądu o wysokim natężeniu przez styki), z kolei zbyt wysoka rezystancja całkowicie zniweczy wpływ kondensatora na ten układ – prąd obciążenia będzie dalej płynął przez rozłączające się styki, nie zaś przez kondensator, co nie zredukuje problemu iskrzenia.