Serwisy partnerskie:
Close icon
Serwisy partnerskie

FNIRSI S1 - inteligentny multimetr z dużym wyświetlaczem

Article Image
Firma FNIRSI, znana z popularnych oscyloskopów, wprowadziła na rynek multimetr S1 (patrz oferta na www.sklep.avt.pl). Urządzenie wygląda jak gruby smartfon i działa niemal całkowicie automatycznie, zatem w pełni zasługuje na nazwę SMART S1.

Wprowadzenie do S1 FNIRSI

Czym jest miernik S1? S1 to multimetr cyfrowy, który mierzy wymienione poniżej wielkości niemal w pełni automatycznie:

  • napięcia stałe,
  • napięcia przemienne,
  • rezystancje,
  • pojemności,
  • częstotliwość,
  • temperaturę.

Nie można za jego pomocą mierzyć natężenia prądu, ale jest to funkcja, której używa się najmniej w praktyce. Nie uważamy tego za poważną wadę. Duży wyświetlacz ma dwa wskaźniki numeryczne do 9999, które pokazują zarówno wartość skuteczną, jak i częstotliwość podczas pomiaru napięcia AC. Podczas pomiaru temperatury na tych dwóch wskaźnikach wyświetlana jest temperatura zarówno w°C, jak i w°F. Główny wskaźnik ma cyfry o wysokości 18 mm. Dostępna jest również inna skala analogowa z zakresem od 0 do 100% ustawionego zakresu.

Multimetr ten posiada również nieodzowną w dzisiejszych czasach białą diodę LED z tyłu oraz opcję pomiaru obecności pól o częstotliwości 50 Hz w pobliżu linii przewodzących prąd.

SMART S1 ma dwie szczególne cechy. Jest zasilany z wbudowanego akumulatora litowo-jonowego, który można ładować za pomocą zwykłej ładowarki USB 5 V. Akumulator ma napięcie 3,7 V i pojemność 1000 mAh. Maksymalny prąd ładowania wynosi 450 mA, a czas ładowania to dwie godziny. Po naładowaniu baterii można mierzyć przez około pięć godzin. Ponadto miernik ten posiada możliwość indywidualnej kalibracji urządzenia.

S1 jest sprzedawany pod marką FNIRSI przez chińską firmę Shenzhen FNIRSI Technology Co. z (oczywiście) Shenzhen. 

2. Zawartość przesyłki multimetru FNIRSI S1

Wygląd multimetru S1

Wiele nowoczesnych chińskich multimetrów przypomina smartfony, a S1 nie jest wyjątkiem. Mierzy 143 mm na 75 mm na 19 mm i waży 134 g. Miernik nie jest zamknięty w gumowym etui ochronnym (jak wiele mierników), ale w obudowie wykonanej z twardego plastiku. Obudowa ta jednak dobrze leży w dłoni.

Dwa wejścia pomiarowe znajdują się na spodzie urządzenia, co praktycznie uniemożliwia umieszczenie multimetru pod kątem w uchwycie na stole. Na górze znajduje się przycisk „ON/OFF” i złącze USB-C do podłączenia ładowarki.

Przycisk „SEL” umożliwia wyjście z trybu automatycznego pomiaru i ręczne ustawienie mierzonej wielkości. Przycisk „HOLD” zamraża odczyt. Biała dioda LED z tyłu miernika zapala się po naciśnięciu tego przycisku na dłużej niż jedną sekundę.

Przycisk „LIVE/NCV” wybiera opcję wykrywania gorącego przewodu napięcia sieciowego lub wykrywania przewodów elektrycznych w ścianie.

Nie ma więc możliwości ręcznego ustawienia zakresu pomiarowego, miernik sam określa zakres, który zapewnia najlepszą rozdzielczość.

Po 15 minutach bezczynności licznik wyłączy się automatycznie.

Przewody testowe

Przewody pomiarowe są standardowymi przewodami dostarczanymi z prawie wszystkimi chińskimi multimetrami. Mają długość 105 cm, są bardzo elastyczne, a końcówka w kształcie igły ma plastikową osłonę ochronną. Napis „1000V ~ 20A” należy traktować z przymrużeniem oka. Wtyki bananowe są w pełni ekranowane, a przewód jest podłączony do wtyczki bananowej pod kątem 90°. Rezystancja własna przewodów pomiarowych wynosi około 75 mΩ (zmierzona przez nas).

3. Dostarczone przewody testowe

Podręcznik

Jest to doskonale wydana 28-stronicowa broszura, która jasno omawia wszystkie funkcje i specyfikacje w języku chińskim i doskonałym angielskim. Gdyby tylko wszystkie chińskie produkty miały tak dobrą instrukcję! Zeskanowaliśmy ją i umieściliśmy na naszym koncie w archive.org: https://archive.org/download/Chinese-producten-manuals/FNIRSI_S1_Multimeter.pdf.

Dane techniczne multimetru FNIRSI S1

Według producenta multimetr ten ma następujące specyfikacje:

  • Wybór jednostki pomiarowej: automatyczny lub ręczny
  • Napięcie DC: 9,999 V dokładność ±(0,8%+3), rozdzielczość 0,001 V
  • Napięcie DC: 99,99 V, dokładność ±(0,8%+3), rozdzielczość 0,01 V
  • Napięcie DC: 999,9 V, dokładność ±(0,8%+3), rozdzielczość 0,1 V
  • Napięcie przemienne: 9,999 V, dokładność ±(0,8%+3), rozdzielczość 0,001 V
  • Napięcie przemienne: 99,99 V, dokładność ±(0,8%+3), rozdzielczość 0,01 V
  • Napięcie przemienne: 999,9 V, dokładność ±(0,8%+3), rozdzielczość 0,1 V
  • Zakres częstotliwości napięcia AC: 50 Hz ~ 1 kHz
  • Metoda pomiaru napięcia przemiennego: rzeczywista wartość skuteczna
  • Rezystancja: 999,9 Ω, dokładność ±(0,8%+3), rozdzielczość 0,1 Ω
  • Rezystancja: 99,99 kΩ, dokładność ±(0,8%+3), rozdzielczość 0,01 kΩ
  • Rezystancja: 999,9 kΩ, dokładność ±(0,8%+3), rozdzielczość 0,1 kΩ
  • Rezystancja: 99,99 MΩ, dokładność ±(1,2%+3), rozdzielczość 0,01 MΩ
  • Pojemność: 9,999 nF, dokładność ±(4,5%+5), rozdzielczość 0,001 nF
  • Pojemność: 99,99 nF, dokładność ±(4,5%+5), rozdzielczość 0,001 nF
  • Pojemność: 999,9 nF, dokładność ±(4,5%+5), rozdzielczość 0,1 nF
  • Pojemność: 9,999 µF, dokładność ±(4,5%+5), rozdzielczość 0,001 µF
  • Pojemność: 99,99 µF, dokładność ±(4,5%+5), rozdzielczość 0,01 µF
  • Pojemność: 999,9 µF, dokładność ±(4,5%+5), rozdzielczość 0,1 μF
  • Pojemność: 9,999 mF, dokładność ±(4,5%+5), rozdzielczość 0,001 mF
  • Częstotliwość: 9,999 Hz, dokładność ±(0,1%+3), rozdzielczość 0,001 Hz
  • Częstotliwość: 99,99 Hz, dokładność ±(0,1%+3), rozdzielczość 0,01 Hz
  • Częstotliwość: 999,9 Hz, dokładność ±(0,1%+3), rozdzielczość 0,1 Hz
  • Częstotliwość: 9,999 kHz, dokładność ±(0,1%+3), rozdzielczość 0,001 kHz
  • Częstotliwość: 99,99 kHz, dokładność ±(0,1%+3), rozdzielczość 0,01 kHz
  • Częstotliwość: 999,9 kHz, dokładność ±(0,1%+3), rozdzielczość 0,1 kHz
  • Częstotliwość: 9,999 MHz, dokładność ±(0,1%+3), rozdzielczość 0,001 MHz
  • Czułość przy pomiarze częstotliwości: 1,5 Vefektywne
  • Temperatura: –20°C ~+400°C, dokładność ±(5%+4), rozdzielczość 1°C
  • Pomiary diod: tak, do 3,2 V z 1 mA
  • Wbudowany brzęczyk: tak
  • Funkcja pamiętania danych: tak
  • Wskaźnik niskiego napięcia: tak
  • Funkcja NCV (bezkontaktowe wykrywanie napięcia w izolowanych przewodach): tak
  • Wbudowana latarka: tak
  • Funkcja automatycznego wyłączania: tak, po ±15 minutach
  • Prędkość pomiaru: 3 pomiary na sekundę
  • Wymiary: 143×75×19 m
  • Waga: 134 g

Automatyczne przełączanie

W reklamach S1 jest nazywany „inteligentnym”, ponieważ mówi się, że jest w pełni automatyczny. W instrukcji obsługi twierdzenie to jest nieco złagodzone. Miernik może automatycznie przełączać się między napięciem stałym, napięciem przemiennym, rezystancją i ciągłością (diodą). Jednak pozostałe funkcje należy wybrać ręcznie; miernik sam od siebie oczywiście nie zauważa, na przykład, że podłączasz kondensator do wejść lub że chcesz zmierzyć częstotliwość.

Opcja kalibracji

Ta opcja nie jest opisana w instrukcji, ale została opisana na kilku stronach internetowych. Warunkiem wstępnym jest dostęp do szeregu wzorców, takich jak bardzo dokładne napięcie referencyjne 5,000 V, para rezystorów z tolerancją ±0,1% i kondensatory z tolerancją ±1,0%.

Aby włączyć tę opcję, podłącz przewody pomiarowe bez obciążenia, przytrzymaj przycisk „SEL” i włącz multimetr. Po drugim naciśnięciu przycisku „SEL” na wyświetlaczu pojawi się słowo „CAL”.

Następnie rozpoczyna się sekwencja kalibracji. Ponieważ bez wątpienia nie masz w domu żadnej z niezbędnych części, nie będziemy tutaj wchodzić w dalsze szczegóły. Jak zostanie pokazane, miernik jest wystarczająco dokładny do prawie wszystkich prac hobbystycznych, a kalibracja nie jest konieczna.

Układ elektroniczny multimetru FNIRSI S1

Demontaż obudowy. Czarna tylna część obudowy jest przymocowana do przedniej za pomocą czterech małych śrubek. Po ich odkręceniu należy ostrożnie podważyć nożem szczelinę między dwiema częściami, aby je rozdzielić. Dzieje się tak, ponieważ są one trzymane razem za pomocą zatrzasków. Następnie można zdjąć tylną obudowę i zobaczyć wewnętrzną elektronikę.

Największym komponentem jest oczywiście bateria, która jest przymocowana do płytki drukowanej za pomocą bardzo dobrze przylegającej taśmy dwustronnej. Dwa gniazda styków 4 mm są przylutowane bezpośrednio do płytki drukowanej. W prawym górnym rogu widać brzęczyk. Biały blok to przekaźnik, którego przełączanie często słychać podczas pomiarów. Na lewo od brzęczyka znajduje się układ TM1621B firmy Titan Micro Electronics. Jest to sterownik LCD 32×4, który zapewnia komunikację z wyświetlaczem. 

4. Wnętrze multimetru FNIRSI S1

Mikrokontroler

„Mózgiem” tego multimetru jest układ DTM0660L firmy Dream Tech. Układ ten jest sercem wielu tanich chińskich multimetrów. Specyfikacje tego układu są następujące:

  • Maksymalny zakres: 4000/6000 (9999 dla częstotliwości i pojemności)
  • Szybkość konwersji: 3 pomiary na sekundę
  • Zakres: ręczny/automatyczny
  • Wskazanie biegunowości: automatyczne
  • Napięcie zasilania: 2,4 V ~ 3,6 V
  • Pobór prądu: 1 mA (2 μA w trybie uśpienia)
  • Pomiar AC: wbudowany procesor true RMS, nie wymaga zewnętrznych komponentów
  • Szerokość pasma: 1 kHz
  • Odchylenie: mniej niż 0,5%
  • Konfiguracja i kalibracja: przechowywane w zewnętrznej pamięci EEPROM
  • Wbudowana wartość referencyjna: 1,2 V z dryftem 100 ppm/°C
  • Przyciski funkcyjne: SELECT, RANGE, REL, HZ/DUTY, HOLD (PODŚWIETLENIE), MAX/MIN, PODŚWIETLENIE
  • Odczyt: 4×15 LCD z symbolami/jednostkami i podświetleniem
  • Wbudowane wykrywanie temperatury bez komponentów zewnętrznych
  • Kompensacja zimnej spoiny dla pomiarów termoparowych
  • Przechowywanie danych min./max.
  • Automatyczne wyłączanie: 15 min. lub 30 min.

Jak się okazuje, FNIRSI nie wykorzystuje wszystkich funkcji tego układu w tym multimetrze. W szczególności zaimplementowanie funkcji przechowywania minimalnych i maksymalnych zmierzonych wartości nie wymagałoby wiele więcej, co najwyżej dodatkowego przycisku. Jest to funkcja multimetru przydatna w praktyce, na przykład do rejestrowania odchyleń mierzonego napięcia. Również funkcja „REL”, w której miernik wykorzystuje chwilową zmierzoną wartość jako wartość odniesienia dla kolejnych pomiarów, mogła być łatwo wbudowana w ten mały miernik.

W przypadku pomiarów napięcia, układ ten najwyraźniej wysyła odczyt do maksymalnie 6000 różnych wartości pomiarowych. Zagadkowe jest, w jaki sposób ten miernik może mierzyć do 9999 możliwych wartości pomiarowych!

Po lewej stronie rezonatora kwarcowego, tuż przy jego krawędzi, co widać na poniższym zdjęciu, znajduje się FT24C16A. Jest to pamięć EEPROM o pojemności 16 kB, która przechowuje oprogramowanie układowe i dane kalibracyjne.

5. Elementy wokół układu DTM0660L

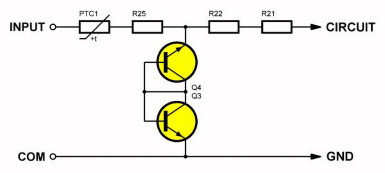
Szczegóły obwodu wejściowego

Poniższy rysunek przedstawia szczegółowo obwód wejściowy miernika. Trzy rezystory na wejściu są jedynymi zaimplementowanymi jako MELF, „Metal Electrode Leadless Face”. Jest to oczywiście spowodowane napięciem, które może odkładać się na tych elementach podczas pomiaru dużych napięć. Część „PTC1” to rezystor o dodatnim współczynniku temperaturowym, którego wartość gwałtownie wzrasta powyżej określonej temperatury. Element ten jest prawdopodobnie wykorzystywany w zabezpieczeniach. Powyżej przekaźnika, co można zobaczyć na fotografii, znajdują się dwa tranzystory, które również mają związek z ochroną wewnętrznej elektroniki przed przepięciami.

Jest to układ, który stał się standardem w multimetrach z automatycznym przełączaniem zakresów. Dwa tranzystory są przełączane jako diody Zenera.

6. Obwód wejściowy

Szczegółowy opis bloku zasilającego układ

Jak widać na fotografii niżej, wykorzystuje on układ TP4055 „Standalone Linear Li-Ion Battery Charger” chińskiej firmy Yushin. Układ ten ładuje baterie maksymalnym prądem 500 mA i jest zasilany napięciem 5,0 V.

Warto zauważyć, że dostarczony do nas egzemplarz zawiera źle przylutowany rezystor R19!

W prawym górnym rogu widać białą diodę LED, która zapewnia podświetlenie. 

7. Zabezpieczenie przepięciowe miernika
Blok zasilający

Testy multimetru FNIRSI S1

Rezystancja wejściowa. Co dziwne, specyfikacje nie wspominają nic o rezystancji wejściowej. Jest to jednak bardzo ważny parametr multimetru podczas pomiaru napięcia. W końcu ta rezystancja wejściowa obciąża węzeł pomiarowy, a jeśli rezystancja ta jest zbyt niska, miernik zmierzy niższe napięcie niż faktycznie obecne w punkcie pomiarowym bez pomiaru. Dobry multimetr ma rezystancję wejściową podczas pomiaru napięcia stałego wynoszącą co najmniej 10 MΩ.

Zmierzyliśmy rezystancję wejściową naszego egzemplarza, biorąc nasz multimetr referencyjny East Tester ET3255, przełączony na pomiar prądu stałego, szeregowo z dodatnim przewodem testowym. Następnie ustawiliśmy napięcie stałe, aż nasz S1 wskazał napięcie 10,00 V. Następnie ET3255 wskazuje prąd o natężeniu 0,996 μA. Tak więc zgodnie z prawem Ohma rezystancja wejściowa jest dość bliska pożądanej wartości 10 MΩ.

Dokładność pomiaru napięć stałych

Zgodnie ze specyfikacją, S1 ma maksymalne odchylenie ±(0,8%+3) podczas pomiaru napięcia DC. Sprawdziliśmy to, mierząc różne napięcia DC za pomocą S1 i naszego miernika referencyjnego 8842A firmy Fluke. Wyniki przedstawiono w tabeli 1. 

Tabela 1. Dokładność pomiaru napięcia stałego

Dokładność pomiaru napięć przemiennych

Zgodnie ze specyfikacją, S1 ma taką samą dokładność przy napięciach AC i DC. Sprawdzamy to przy częstotliwości 1 kHz i sygnałach sinusoidalnych generowanych przez nasz generator funkcyjny DG1022 firmy Rigol. Jako miernika referencyjnego używamy ET3255 firmy East Tester. Ponieważ taki generator funkcyjny oczywiście nie dostarcza wysokich napięć, testujemy również S1 podczas pomiaru napięcia sieciowego, oczywiście za pomocą transformatora izolacyjnego.

Wyniki są podsumowane w tabeli 2.

Zauważalne w tych pomiarach jest to, że wyświetlanie częstotliwości na wyświetlaczu wtórnym zaczyna się przy napięciu wejściowym około 1,8 Veffective.

Tabela 2. Dokładność pomiaru napięcia przemiennego

Szerokość pasma podczas pomiaru napięcia AC

Zgodnie ze specyfikacją, miernik mierzy napięcia przemienne o częstotliwości od 50 Hz do 1 kHz. Weryfikujemy to, dostarczając napięcie sinusoidalne o wartości 1,00 Veffective do S1 i zmieniając częstotliwość. Wyniki w tabeli 3.

Tabela 3. Szerokość pasma podczas pomiaru napięcia AC

Dokładność wartości skutecznej

Zgodnie ze specyfikacją, S1 jest miernikiem „true RMS”. Oznacza to, że mierzy on wartość skuteczną napięcia przemiennego, niezależnie od jego kształtu. Aby odświeżyć wiedzę teoretyczną: wartość skuteczna napięcia AC, w skrócie Ueff lub URMS, jest równa wartości napięcia DC generującego taką samą średnią moc cieplną w rezystorze, jak mierzone napięcie AC. Testujemy to za pomocą naszego generatora funkcyjnego DG1022 firmy Rigol, który można regulować w celu wygenerowania efektywnej wartości napięcia wyjściowego. Dokonujemy pomiaru przy 1 kHz i 1,00 Veffective i sprawdzamy to za pomocą naszego ET3255 od East Tester.

Tabela 4. Dokładność wartości skutecznej

Dokładność pomiaru rezystancji

Również dla tej wielkości określona dokładność wynosi ±(0,8%+3) do 1 MΩ.

Do tego testu mamy do dyspozycji zestaw rezystorów o tolerancji ±0,1%. Aby ocenić dokładność dla ekstremalnie wysokich wartości rezystancji, używamy zwykłego rezystora 10 MΩ z tolerancją ±5%. Jako miernika referencyjnego używamy oczywiście Fluke 8842A. Wyniki podsumowano w tabeli 5.

Tabela 5. Dokładność pomiaru rezystancji

Dokładność pomiaru kondensatorów

Jak zwykle, określona dokładność pomiaru kondensatorów jest znacznie niższa: ±(4,5%+5). Dla nieelektrolitów używamy zestawu kondensatorów z tolerancją ±1%, dla elektrolitów używamy standardowych elektrolitów z dobrze znanymi bardzo dużymi odchyleniami. Natychmiast zauważalne jest to, że S1 mierzy bardzo szybko. W przypadku nieelektrolitów miernik stabilizuje się po około dwóch sekundach. W przypadku elektrolitów jest to nieco wolniejsze, nawet do dziesięciu sekund w przypadku elektrolitów powyżej 1000 μF. Jako miernika referencyjnego używamy tym razem czteroprzewodowego miernika ET4401 firmy East Tester. Wyniki zebrano w tabeli 6.

Tabela 6. Dokładność pomiaru kondensatorów

Dokładność i czułość podczas pomiaru częstotliwości

W tabeli 7 połączyliśmy dwa pomiary. Dokładność pomiaru częstotliwości i minimalne napięcie skuteczne wymagane do uzyskania stabilnego odczytu częstotliwości. Pomiaru dokonujemy napięciem sinusoidalnym.

Tabela 7. Dokładność i czułość podczas pomiaru  częstotliwości

Nasza opinia na temat multimetru FNIRSI S1

Nazwalibyśmy S1 multimetrem „na czasie”. Na czasie, ponieważ jego design wpisuje się w trend urządzeń przenośnych przypominających smartfony. Czy jednak S1 jest tego wart (pod względem ceny)? Za podobną cenę można kupić wiele multimetrów, które mierzą prąd i mają funkcję „REL” i/lub funkcję „MIN/MAX”. Co więcej, istnieją mierniki, które mają bardziej czuły tryb niż 9,999 V. Przydatną rzeczą w S1 jest zasilanie akumulatorowe, ponieważ większość multimetrów działa na bateriach, które czasami wyczerpują się w najbardziej niepożądanych momentach. Jednak gniazdo ścienne i ładowarkę USB można na ogół znaleźć w pobliżu pomiarów.

Pod względem dokładności pomiaru S1 spełnia większość swoich specyfikacji. Można zaufać temu urządzeniu, że mierzy napięcia, rezystancje i częstotliwości niemal bezbłędnie. 

Tak więc S1 firmy FNIRSI wyróżnia się głównie  swoim nowoczesnym wyglądem. W końcu możemy sobie wyobrazić, że wielu techników „zakocha się” w tym przyjemnym i łatwym w obsłudze mierniku, przypominającym smartfona i chętnie kupi go jako drugi (lub trzeci) multimetr w tak atrakcyjnej cenie.

Aby przeczytać ten artykuł kup e-wydanie
Kup teraz
Firma:
Tematyka materiału: FNIRSI S1 inteligentny multimetr z dużym wyświetlaczem
AUTOR
Źródło
Elektronika dla Wszystkich sierpień 2024
Udostępnij
Zobacz wszystkie quizy
Quiz weekendowy
Theremin
1/10 Lew Termen i Leon Theremin to ta sama osoba. Które nazwisko pojawiło się później?
UK Logo
Elektronika dla Wszystkich
Zapisując się na nasz newsletter możesz otrzymać GRATIS
najnowsze e-wydanie magazynu "Elektronika dla Wszystkich"