Serwisy partnerskie:
Close icon
Serwisy partnerskie

LTM4670 - 4 wyjściowa przetwornica step-down od Analog Devices

Article Image
Analog Devices zaprezentował 4 wyjściową przetwornicę step-down o prądzie maksymalnym pojedynczego kanału wynoszącym aż 10 A.

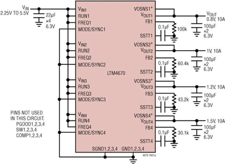
Przetwornica pracuje z napięciami wejściowymi w zakresie od 2,25 V do 5,5 V. Natomiast napięcie wyjściowe można ustawić w zakresie od 0,5 V do napięcia wejściowego (VIN). Napięcie ustawia się za pomocą pojedynczego rezystora. Niemniej można ustawić 4 różne napięcia na wyjściach przetwornicy. Istnieje również możliwość ustawienia takiego samego napięcia na wyjściu i zmostkowania ich w celu zwiększenia prądy wyjściowego nawet do 40A (rysunek 1).

Przetwornica jest zaprojektowana jako μModule (mikromoduł). Wewnątrz układy znajduje się kontroler przełączający, tranzystory mocy MOSFET, cewki indukcyjna i wszystkie elementy pomocnicze. Potrzebnych jest tylko kilka kondensatorów wejściowych i wyjściowych oraz rezystor ustalający napięcie wyjściowe.

LTM4670 wykorzystuje architekturę Silent Switcher 2 z wewnętrznymi kondensatorami obejścia pętli gorącej, aby osiągnąć zarówno niski poziom EMI, jak i wysoką wydajność. Domyślna częstotliwość jest wewnętrznie ustawiona na 2 MHz, można ją zewnętrznie zsynchronizować z zegarem od 1 MHz do 2,6 MHz.

Funkcje ochrony przed uszkodzeniami obejmują ochronę przed przepięciem, przetężeniem i przegrzaniem. LTM4670 nie zawiera ołowiu i jest zgodny z dyrektywą RoHS.

Podstawowe parametry elektryczne:

  • 4 wyjściowa regulowana przetwornica step-down wykonana w technologii μModule
  • Napięcie wejściowe: 2,25 V - 5,5 V
  • Napięcie wyjściowe: 0,5 V - VIN
  • Maksymalny prąd pojedynczego kanału: 10 A
  • Bardzo niskie zakłócenia EMI
  • Zabezpieczenia nadnapięciowe, przetężeniowe i przed przegrzaniem
  • Mała obudowa BGA o wymiarach 7,5 mm × 15 mm × 4,65 mm

Zastosowanie:

  • Urządzenia telekomunikacyjne, sieciowe i przemysłowe
  • Wieloszynowa regulacja punktu obciążenia ("Multirail Point-of-Load Regulation")
  • Aplikacje FPGA, DSP i ASIC
DATA SHEET
Do pobrania
Download icon Dokumentacja przetwornicy LTM4670
Firma: Analog Devices (ADI)
Tematyka materiału: LTM4670, step-down, Analog Devices
AUTOR
Źródło
www.analog.com
Udostępnij
Zobacz wszystkie quizy
Quiz weekendowy
Theremin
1/10 Lew Termen i Leon Theremin to ta sama osoba. Które nazwisko pojawiło się później?
UK Logo
Elektronika dla Wszystkich
Zapisując się na nasz newsletter możesz otrzymać GRATIS
najnowsze e-wydanie magazynu "Elektronika dla Wszystkich"