Serwisy partnerskie:
Close icon
Serwisy partnerskie

Przetwornice TRACO serii TBA o mocy 1 W z oferty firmy AMTEK

Article Image
W ofercie firmy AMTEK możemy od pewnego czasu znaleźć przetwornice TRACO z serii TBA.

Treść: Firma TRACO jest jednym z wiodących producentów monolitycznych przetwornic do wykorzystania w obwodach zasilania. Tytułowa seria TBA to przetwornice o mocy 1 W, jak przedstawiona na ilustracji tytułowej. Podstawowe cechy wspólne dla wszystkich przetwornic z tej serii to:

  • zabezpieczenie przed zwarciem,
  • praca w zakresie temperatur od (-40°C) do 85°C,
  • napięcia wejściowe (±10%): 3,3 VDC, 5 VDC, 12 VDC, 24 VDC,
  • wysoka sprawność (do 82%),
  • stałe (nieregulowane) napięcie wyjściowe.

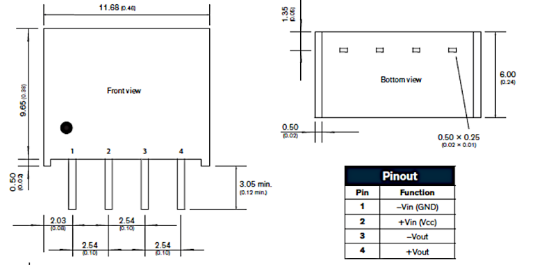
Wszystkie przetwornice z tej rodziny umieszczone są w obudowie SIP-4 i mają identyczny rozkład wyprowadzeń, przedstawiony na ilustracji 1.

Obudowa i rozkład wyprowadzeń przetwornic serii TBA

W zależności od napięcia wejściowego, dostępne są wykonania dla różnych, typowych napięć wyjściowych (3,3 VDC, 5 VDC, 9 VDC, 12 VDC, 15 VDC) o różnych wydajnościach prądowych. Dokładną listę dostępnych wersji przedstawia zaczerpnięta z karty katalogowej (dołączonej do tego artykułu) tabela 1.

Przetwornice TRACO z serii TBA

W karcie katalogowej znajdziemy bardzo szczegółowe parametry elektryczne oraz wskazówki dotyczące aplikacji i warunków pracy. Elementy te zastosowane zgodnie z zaleceniami producenta pozwolą zrealizować niezawodny obwód zasilania budowanego urządzenia.

Do pobrania
Download icon Karta katalogowa przetwornicy Traco TBA o mocy 1 W
Firma: AMTEK spol. s r.o.
Tematyka materiału: monolityczne przetwornice DC/DC
AUTOR
Źródło
amtek.pl
Udostępnij
Zobacz wszystkie quizy
Quiz weekendowy
Theremin
1/10 Lew Termen i Leon Theremin to ta sama osoba. Które nazwisko pojawiło się później?
UK Logo
Elektronika dla Wszystkich
Zapisując się na nasz newsletter możesz otrzymać GRATIS
najnowsze e-wydanie magazynu "Elektronika dla Wszystkich"