Serwisy partnerskie:
Close icon
Serwisy partnerskie

Jednoczęściowy ekran do montażu SMD

Article Image
W ofercie firmy ABC ELEKTRONIK możemy znaleźć doskonałe jednoczęściowe ekrany serii BMI-S.

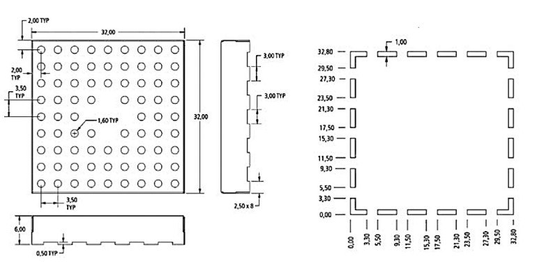
W dzisiejszych czasach nawet początkujący hobbysta elektroniki bardzo szybko ma okazję zetknąć się z wysokimi częstotliwościami i problemami wynikającymi z wachlarza zjawisk związanych ze zmiennymi polami elektrycznymi i magnetycznymi. Okazuje się, że gdy wchodzimy w zakres milionów czy nawet miliardów herców, to zmienia się bardzo dużo. Elementy zaczynają na siebie wpływać, choć pozornie nie są ze sobą połączone. Nagle kształty przebiegów sygnałów zaczynają „się psuć”, pojawiają się problemy. Okazuje się, że sprzężenie między elementami odbywa się nie tylko przez ścieżki czy przewody, ale także przez „eter”. Aby zaradzić tego typu problemom stosuje się ekranowanie; zagadnienie jest bardzo szerokie i wymaga zastosowanie troszkę bardziej zaawansowanego aparatu matematycznego niż prawo Ohma, ale na szczęście jest na tyle szeroko spotykane, że można znaleźć gotowe „ekrany” do zastosowania z budowanych układach. Przedstawiony na ilustracji tytułowej element to przeznaczona do montażu powierzchniowego puszka ekranująca element „z pięciu stron”. Nakłada się ją na element (lub grupę elementów) które chcemy ekranować. Po przylutowaniu przewodząca powierzchnia płytki obwodu drukowanego „domyka” ekran czyniąc go dookólnym. W ofercie możemy znaleźć wykonania o różnych rozmiarach dopasowane do często spotykanych rozmiarów i typów obudowy elementów (VQFP, QFP, PLCC, BGA). W dołączonej dokumentacji producent podaje zarówno wymiary samego ekranu jak i właściwy kształt mozaiki ścieżek do jego zastosowania. Wybrany z tej rodziny model BMI-S-104 odpowiedni dla elementów w obudowach BGA 225, PLCC 68, VQFP 100 i QFP 100 przedstawia ilustracja 1.

Rozmiary ekranu i kształt pola lutowniczego dla modelu BMI-S-104

Ten ekran pozwala objąć ochroną obszar o rozmiarze (na płytce PCB) do 32 mm × 32 mm i wysokości do 6 mm. Producent klasyfikuje rozmiary według typowych obudów SMD, ale oczywiście można w tej przestrzeni umieścić dowolny blok układowy który chcemy ekranować. Po przylutowaniu, taki monolityczny ekran powoduje, że dostęp do znajdujących się pod nim elementów jest bardzo utrudniony. Z tego powodu nie należy pod nim ukrywać elementów regulacyjnych lub takich które mogą wymagać częstego dostępu. Najmniejszy członek tej rodzimy to MIS-S-101 o rozmiarach około 12 × 13 × 2 mm (długość × szerokość × wysokość), a największy to BMI-S-107 o rozmiarach 44 × 44 × 10 mm.

Do pobrania
Download icon Karta katalogowa
Firma:
Tematyka materiału: ekrany do montażu SMD
AUTOR
Źródło
www.abcpol.pl
Udostępnij
Zobacz wszystkie quizy
Quiz weekendowy
Theremin
1/10 Lew Termen i Leon Theremin to ta sama osoba. Które nazwisko pojawiło się później?
UK Logo
Elektronika dla Wszystkich
Zapisując się na nasz newsletter możesz otrzymać GRATIS
najnowsze e-wydanie magazynu "Elektronika dla Wszystkich"