Serwisy partnerskie:
Close icon
Serwisy partnerskie

Digi-Key wprowadza do swojej oferty układ AFE NAFE11388 od NXP

Article Image
Układ NAFE11388 jest konfigurowalnym, wielokanałowym, uniwersalnym, przemysłowym wejściem analogowym (AFE – Analog Front-End), który spełnia wymagania wysokiej precyzji pomiarów.

Urządzenie integruje szybkie multipleksery o niskim upływie i wysokim napięciu (HV – High Voltage), programowalny wzmacniacz operacyjny (PGA – Programmable Gain Amplifier) o niskim przesunięciu i niskim dryfie wraz z buforami, 24-bitowy konwerter ADC Delta-Sigma o dużej szybkości transmisji danych wraz z źródłem napięcia odniesienia o niskim dryfcie napięcia.

NAFE11388 jest uniwersalnym ośmiowejściowym AFE z różnymi zintegrowanymi funkcjami diagnostycznymi. Na wejściach analogowych HV, wejścia o niskim upływie prądu można skonfigurować na dowolnym pinie. Dodatkowo wejścia można skonfigurować jako pojedyncze (do 8 kanałów), różnicowe (do 4 kanałów), z zewnętrznym wspólnym wejściem AICOM lub wewnętrzną masą odniesienia AGND.

Schemat blokowy układu NAFE11388

Dostępne są trzy wybieralne ustawienia wzmocnienia PGA: 0,2 V/V, 0,4 V/V i 0,8 V/V, aby zapewnić różnicowe pełne zakresy napięć od ±6,25 V do ±25 V.

Źródła napięcia referencyjnego (VREF) REFH i REFL są dostępne za pośrednictwem styków do pomiarów zewnętrznych. Te dwa źródła napięcia są również podłączone jako wejścia do multipleksera wysokiego napięcia (HVMUX). Mogą być używane do autokalibracji na chipie lub do celów autodiagnostyki, niezależnie od źródeł napięcia odniesienia, które mogą być zewnętrzne, wewnętrzne lub mieszane. Dostarczane z fabrycznie skalibrowanymi współczynnikami, REFH i REFL ułatwiają rutynową kalibrację bez potrzeby stosowania dodatkowych dokładnych komponentów.

Opis pinów układu NAFE11388

Niezależny czujnik temperatury na chipie jest dołączony do obwodu ciągłego monitorowania temperatury układu z 16-bitowym odczytem. Pomiar temperatury jest również używany do wyzwolenia ostrzeżenia o przegrzaniu przy 145℃, automatycznego wyłączenia przy 165℃ lub zaprogramowanego przez użytkownika alarmu temperatury.

NAFE11388 jest wyposażony w dziesięć pinów GPIO, które spełniają większość potrzeb w zakresie monitorowania i sterowania w typowych zastosowaniach. Źródłem sygnału zegarowego do wyboru może być oscylator wewnętrzny, oscylator kwarcowy lub zegar zewnętrzny. Dodatkowo dostępna jest synchronizacja danych i konwersji poprzez piny SYNC, DRDY oraz ostatnie opadające zbocze zegara SPI.

Konfigurowalny programowo sekwencer umożliwia szybkie skanowanie kanałów wejściowych na poziomie systemu.

Do konwersji danych ADC dostępnych jest pięć wydajnych trybów odczytu:

  • jednokanałowy pojedynczy odczyt( SCSR – single-channel single-reading)
  • jednokanałowy odczyt ciągły (SCCR – single-channel continuous-reading)
  • wielokanałowy pojedynczy odczyt (MCSR – multichannel single-reading)
  • wielokanałowy odczyt wielokrotny (MCMR – multichannel multi-reading)
  • wielokanałowy odczyt ciągły (MCCR – multichannel  continuous-reading)

Układ jest dostępny w obudowie HVQFN64 o wymiarach 9 mm × 9 mm × 0,85 mm. Temperatura pracy układy wynosi od -40℃ do +125℃.

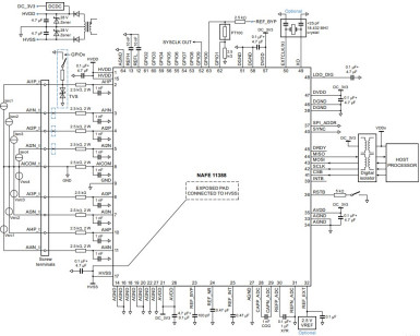
Typowy schemat  aplikacyjny układu NAFE11388

Parametry układu:

  • Osiem konfigurowalnych wejść wysokonapięciowych:
    • Wejście jednoprzewodowe lub różnicowe, z zakresami do ±25 V
    • Niezależne konfiguracje dla zakresów napięć i prądów
    • Zabezpieczenie przed przepięciem do ±36 V przez mniej niż godzinę
  • Szybka transmisja danych:
    • od 7,5 SPS (Samples Per Second) do 288 kSPS
    • Jednoczesne odrzucanie linii 50 Hz /60 Hz
    • ENOB (Effective Number Of Bits): 17-bitów przy 72 kSPS
  • Wysoka precyzja:
    • Dokładność 0,005% FS (Full Scale) w temperaturze pokojowej po kalibracji przez użytkownika
    • Dokładność 0,1% FS powyżej -25℃ do 105℃
  • Kalibracja systemu:
    • Kompleksowa kalibracja ze zintegrowanymi precyzyjnymi źródłami napięcia
    • Dostępne są dokładne, fabrycznie skalibrowane produkty
  • Czujnik temperatury wewnątrz układu o dokładności ±3℃
  • Dokładność wewnętrznego oscylatora 0,2% w temperaturze pokojowej
  • System diagnostyczny do wykrywania i przewidywania usterek
  • Wykrywanie błędów CRC
  • Dziesięć GPIO
  • Interfejs SPI 32 MHz
  • Ochrona przed ESD HBM 8 kV i przepięciami (wg IEC61000-4-5) 2 kV
  • Zasilanie:
    • HV: od ±7 V do ±24 V
    • LV: 3,3 V
  • Niskie zużycie energii: 125 mW
  • Zakres temperatur pracy układu: od -40℃ do +125℃
  • Obudowa: 64 piny, HVQFN: 9 mm × 9 mm × 0,85 mm

Przeznaczenie układu:

  • System gromadzenia danych
  • Sterowniki PLC (Programmable Logic Controller), moduły wejść/wyjść DCS (Distributed Control Systems)
  • Automatyka przemysłowa i sterowanie procesami
Firma: Digi-Key Electronics
Tematyka materiału: NAFE11388, NXP, Digi-Key, AFE
AUTOR
Źródło
www.digikey.pl
Udostępnij
Zobacz wszystkie quizy
Quiz weekendowy
Theremin
1/10 Lew Termen i Leon Theremin to ta sama osoba. Które nazwisko pojawiło się później?
UK Logo
Elektronika dla Wszystkich
Zapisując się na nasz newsletter możesz otrzymać GRATIS
najnowsze e-wydanie magazynu "Elektronika dla Wszystkich"